GM Service Manual Online
For 1990-2009 cars only
Makes
🢒
Cadillac
🢒
2008
🢒
CTS
🢒
Diagnostic Navigation
🢒
Vehicle Diagnostic Information
🢒 Data Communication Schematics
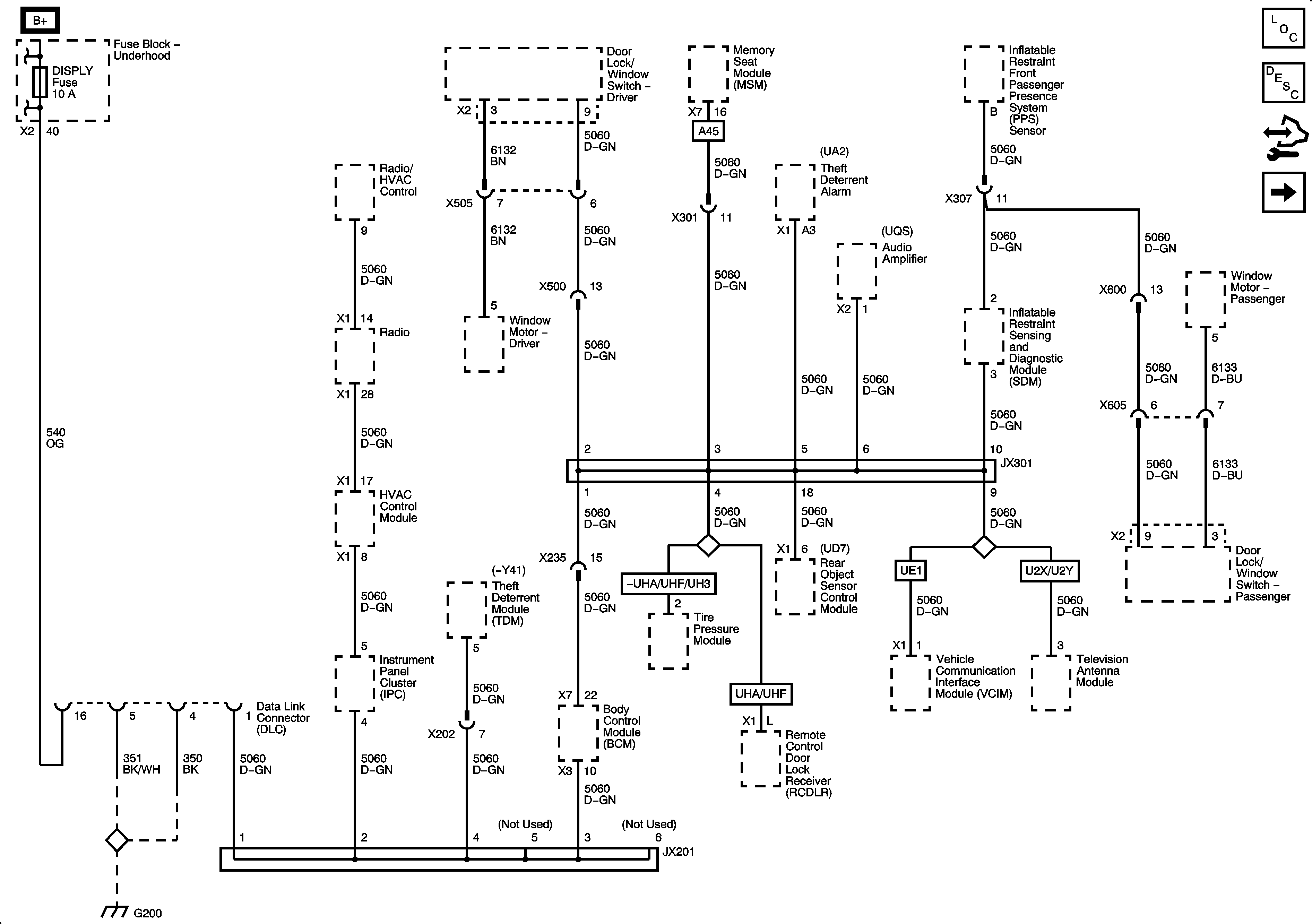
Figure
1:
Low Speed GMLAN/Local Interconnect Network (LIN)
Master Electrical Component List
Data Link Communications Description and Operation
Control Module References
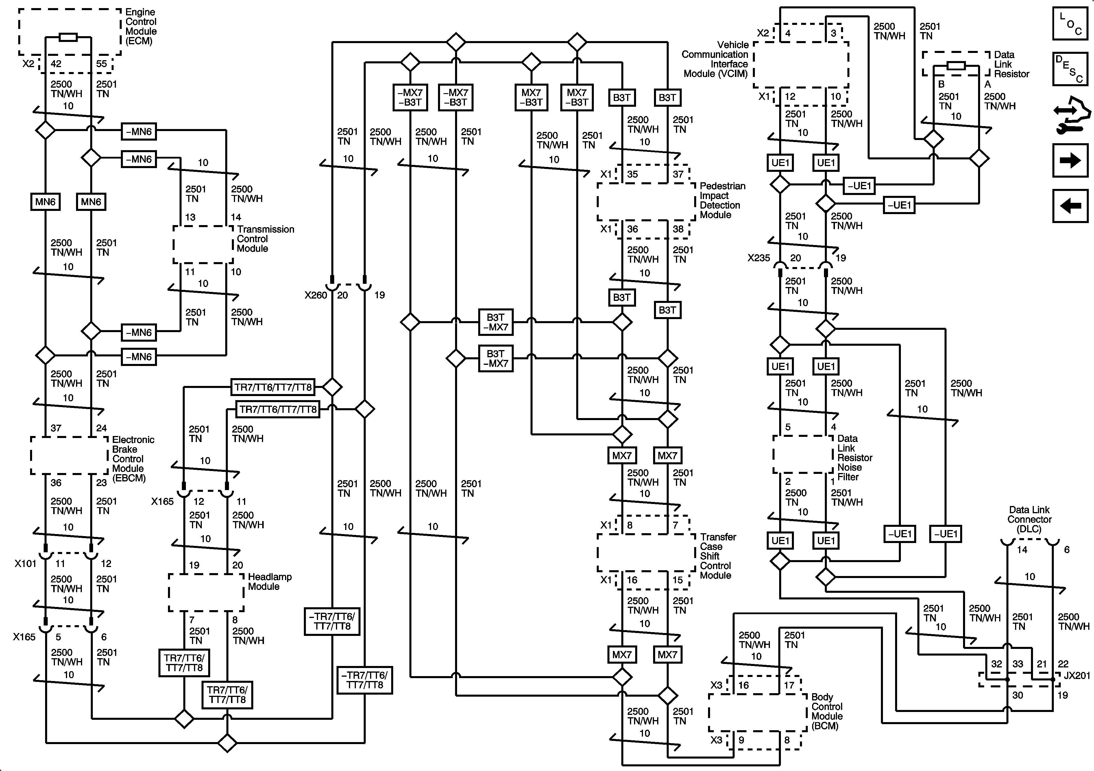
High Speed GMLAN
Figure
2:
High Speed GMLAN
Master Electrical Component List
Data Link Communications Description and Operation
Control Module References
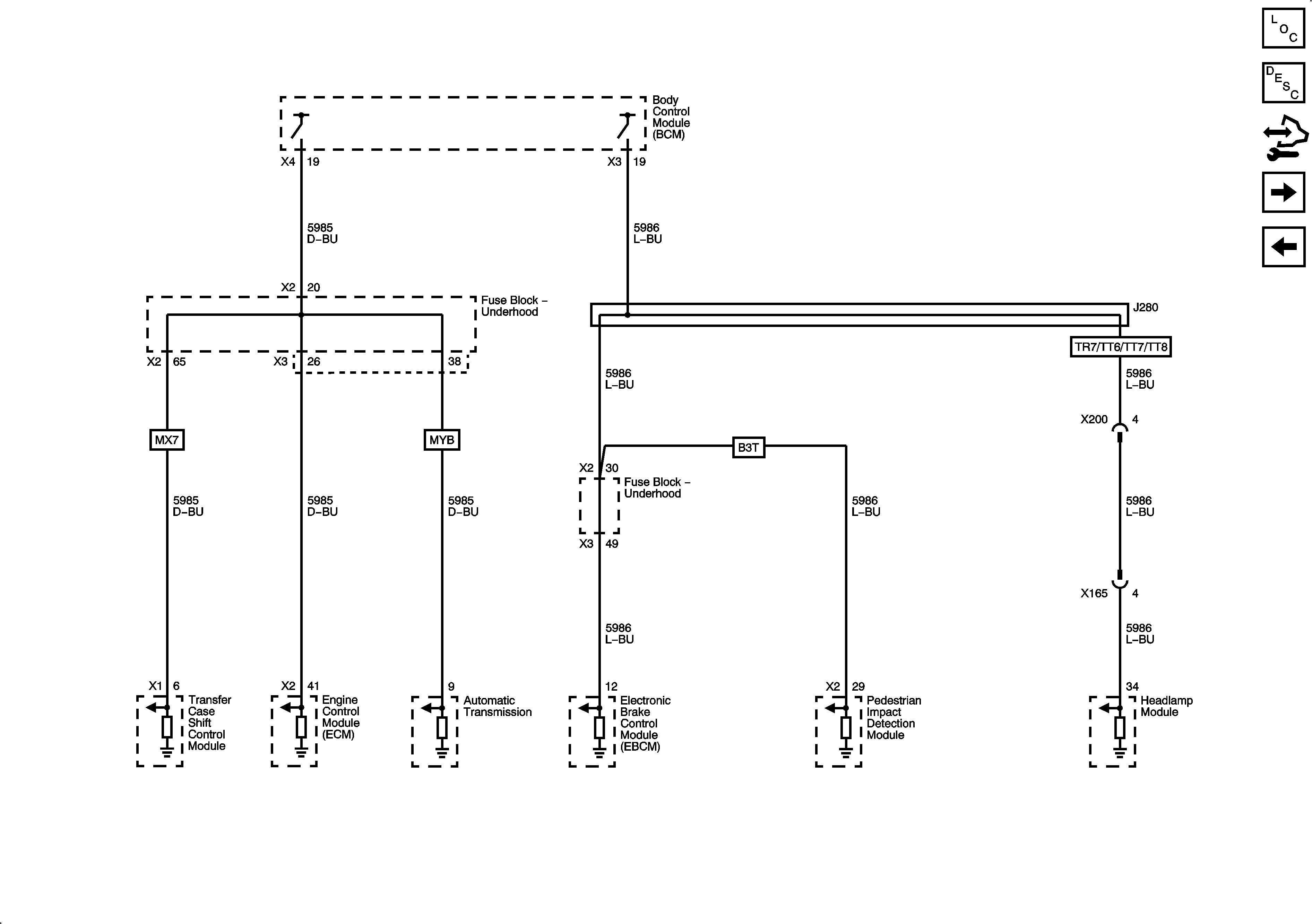
Communications Enable
Low Speed GMLAN/Local Interconnect Network (LIN)
Figure
3:
Communications Enable
Master Electrical Component List
Data Link Communications Description and Operation
Control Module References
High Speed GMLAN