GM Service Manual Online
For 1990-2009 cars only
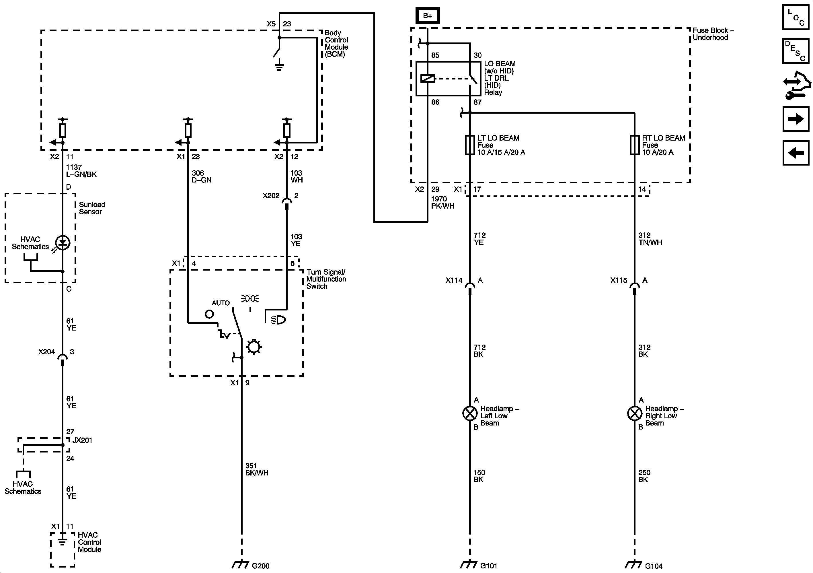
Figure 1:

Low Beams TT6/TT7/TT8 (1 of 5)


Object Number: 1931206  Size: FS
Master Electrical Component List
Exterior Lighting Systems Description and Operation
Control Module References
Low Beams -TT6/TT7/TT8 (2 of 5)
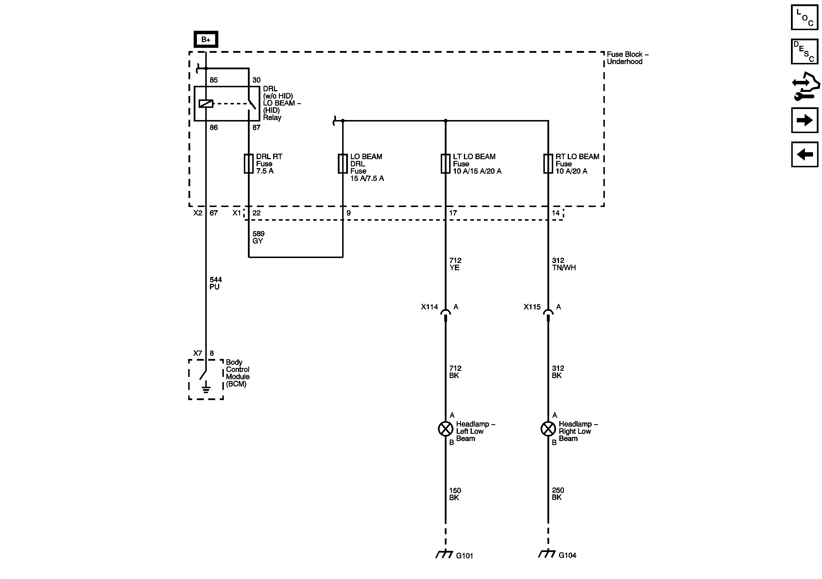
Figure 2:

Low Beams without TT6/TT7/TT8 (2 of 5)


Object Number: 1931229  Size: FS
Master Electrical Component List
Exterior Lighting Systems Description and Operation
Control Module References
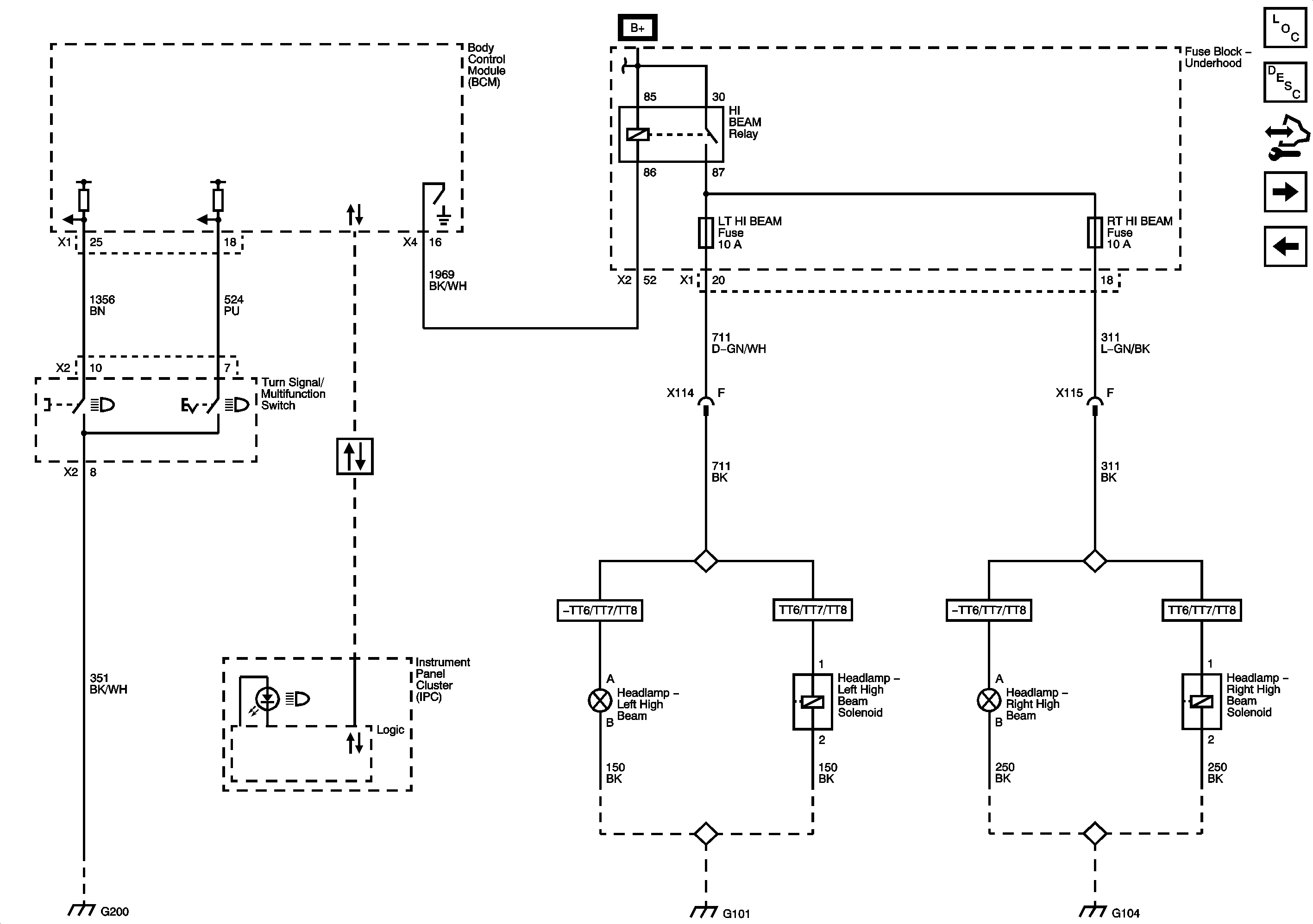
High Beams (3 of 5)
Low Beams +TT6/TT7/TT8 (1 of 5)
Figure 3:

High Beams (3 of 5)


Object Number: 1931237  Size: FS
Master Electrical Component List
Exterior Lighting Systems Description and Operation
Control Module References
-TT6/TT7/TT8 (4 of 5)
Low Beams -TT6/TT7/TT8 (2 of 5)
Figure 4:

without TT6/TT7/TT8 (4 of 5)


Object Number: 1931243  Size: FS
Master Electrical Component List
Exterior Lighting Systems Description and Operation
Control Module References
+TT6/TT7/TT8 (5 of 5)
High Beams (3 of 5)
Figure 5:

TT6/TT7/TT8 (5 of 5)


Object Number: 1931255  Size: FS
Master Electrical Component List
Exterior Lighting Systems Description and Operation
Control Module References
Adaptive Forward Lighting
-TT6/TT7/TT8 (4 of 5)
Figure 6:

Adaptive Forward Lighting


Object Number: 1965508  Size: FS
Master Electrical Component List
Exterior Lighting Systems Description and Operation
Control Module References
+TT6/TT7/TT8 (5 of 5)