GM Service Manual Online
For 1990-2009 cars only
Figure 1:

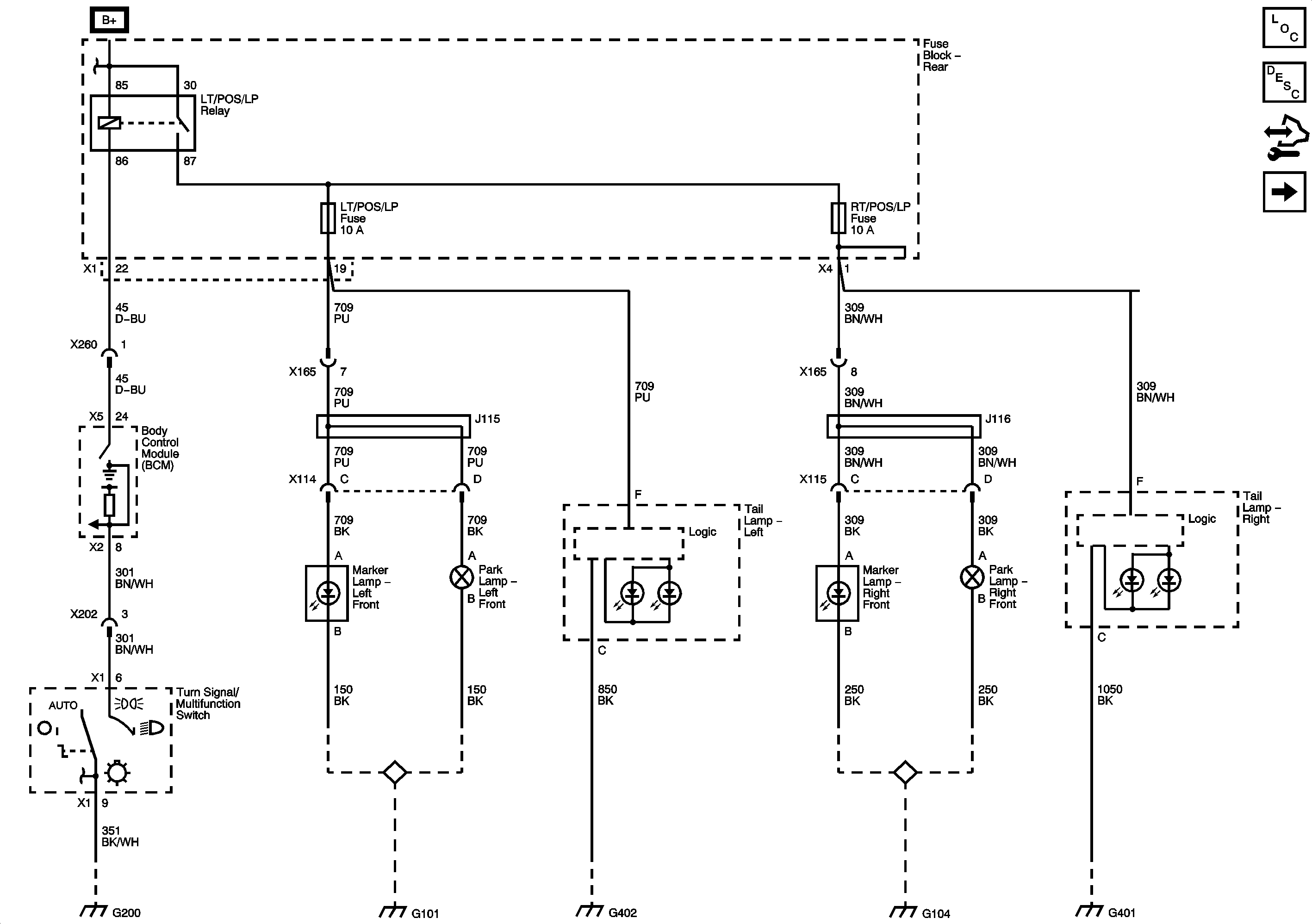
Park Lamps without T90 (1 of 7)


Object Number: 1931265  Size: FS
Master Electrical Component List
Exterior Lighting Systems Description and Operation
Control Module References
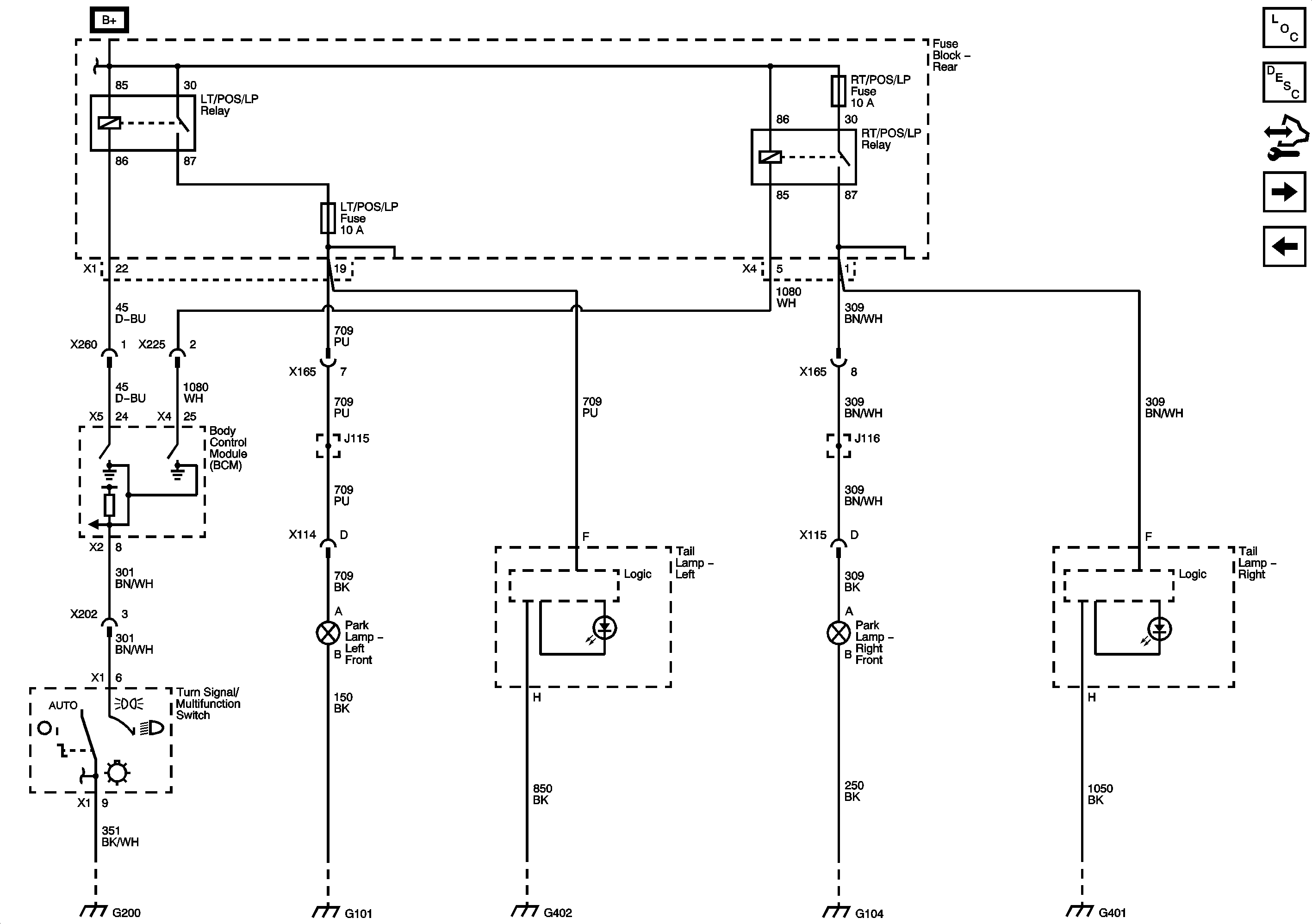
Park Lamps +T90 (2 of 7)
Figure 2:

Park Lamps T90 (2 of 7)


Object Number: 1931269  Size: FS
Master Electrical Component List
Exterior Lighting Systems Description and Operation
Control Module References
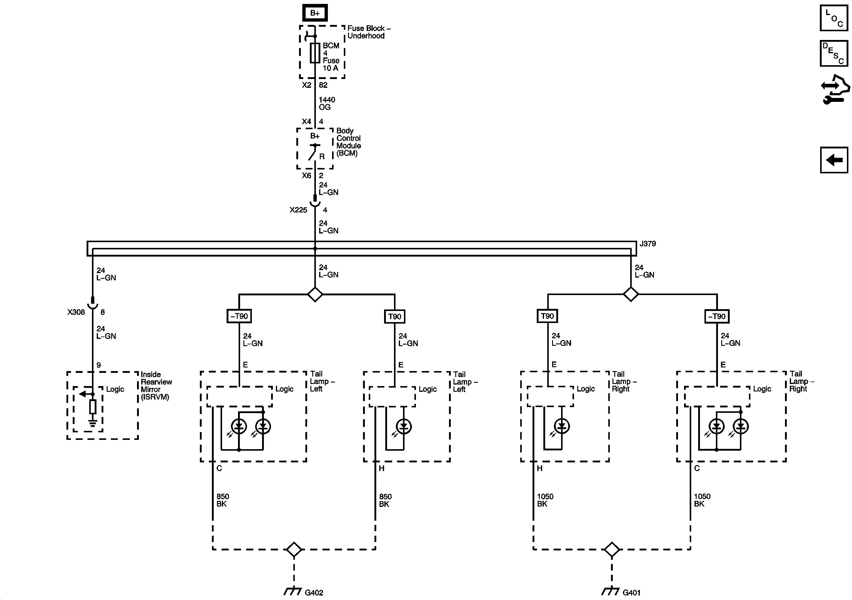
License Lamps (3 of 7)
Park Lamps -T90 (1 of 7)
Figure 3:

License Lamps (3 of 7)


Object Number: 1931270  Size: FS
Master Electrical Component List
Exterior Lighting Systems Description and Operation
Control Module References
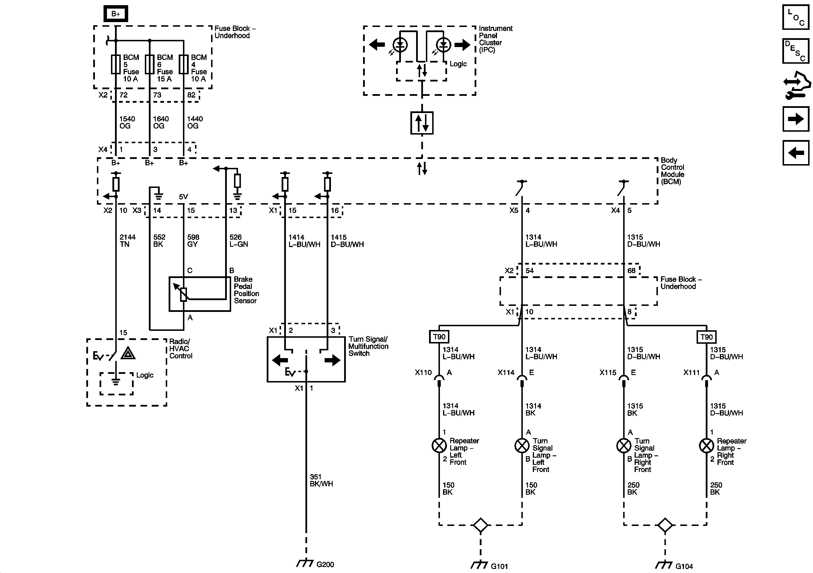
Stop/Turn Signal Lamps Controls and Indicators and Front Lamps (4 of 7)
Park Lamps +T90 (2 of 7)
Figure 4:

Stop/Turn Signal Lamps and Controls and Indicators and Front Lamps (4 of 7)


Object Number: 1931281  Size: FS
Master Electrical Component List
Exterior Lighting Systems Description and Operation
Control Module References
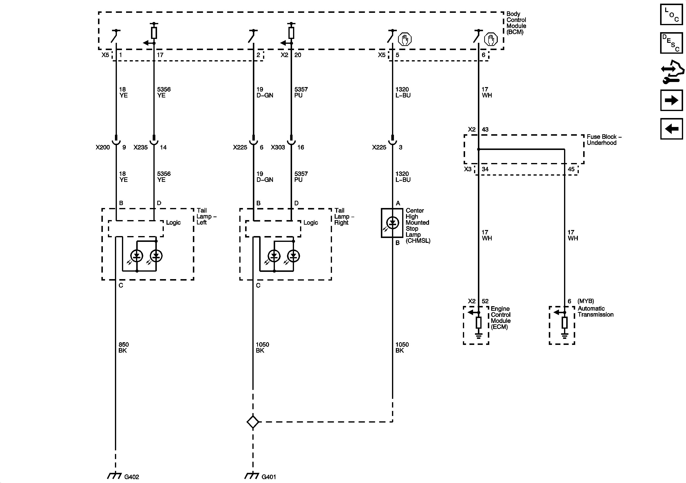
Stop/Turn Signal Lamps Rear -T90 (5 of 7)
License Lamps (3 of 7)
Figure 5:

Stop/Turn Signal Lamps Rear without T90 (5 of 7)


Object Number: 1931283  Size: FS
Master Electrical Component List
Exterior Lighting Systems Description and Operation
Control Module References
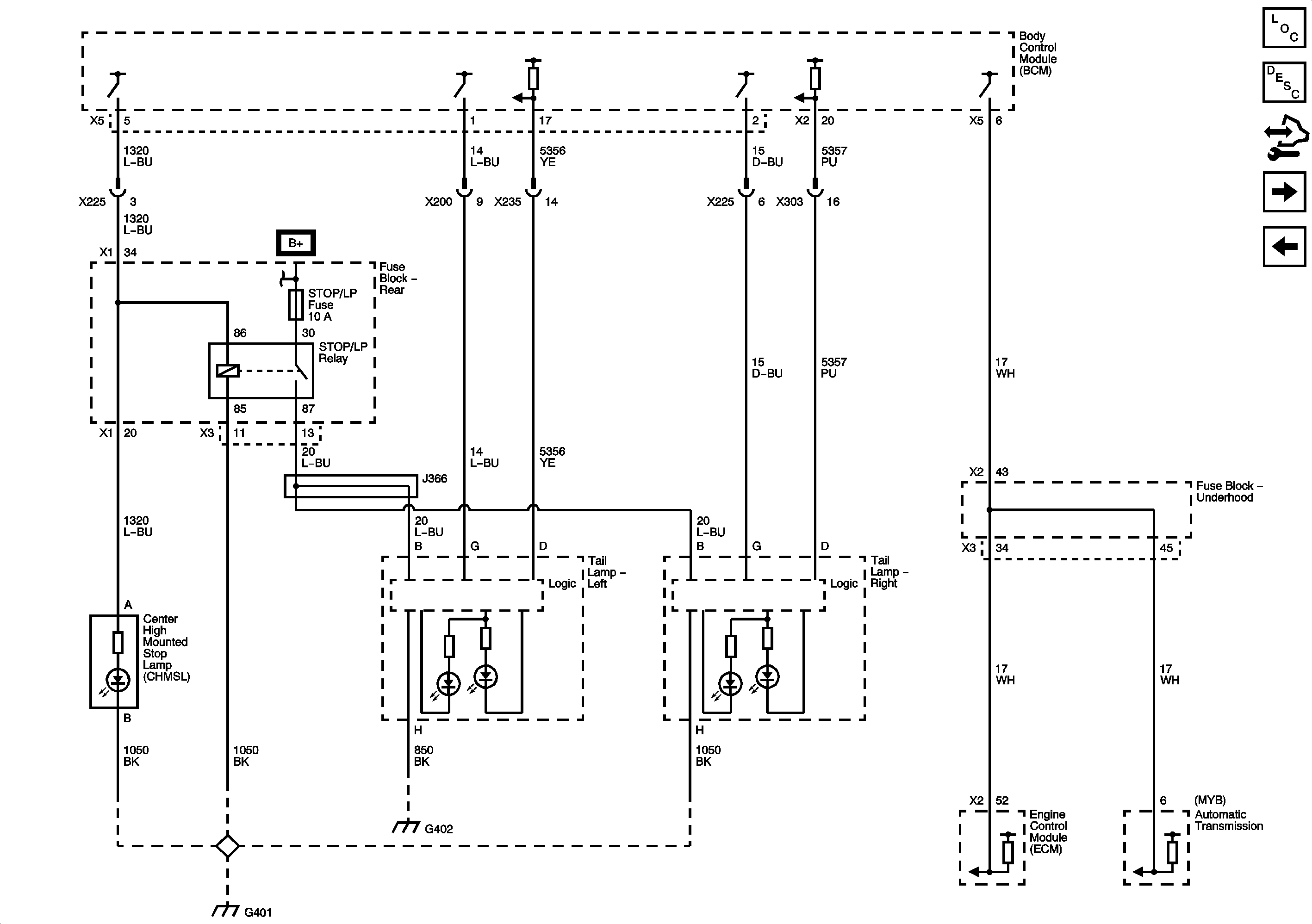
Stop/Turn Signal Lamps Rear (6 of 7)
Stop/Turn Signal Lamps Controls and Indicators and Front Lamps (4 of 7)
Figure 6:

Stop/Turn Signal Lamps Rear (6 of 7)


Object Number: 1931304  Size: FS
Master Electrical Component List
Exterior Lighting Systems Description and Operation
Control Module References
Backup Lamps (7 of 7)
Stop/Turn Signal Lamps Rear -T90 (5 of 7)
Figure 7:

Backup Lamps (7 of 7)


Object Number: 1931315  Size: FS
Master Electrical Component List
Exterior Lighting Systems Description and Operation
Control Module References
Stop/Turn Signal Lamps Rear (6 of 7)