GM Service Manual Online
For 1990-2009 cars only
Makes
🢒
Cadillac
🢒
2008
🢒
CTS
🢒
Diagnostic Navigation
🢒
Vehicle Diagnostic Information
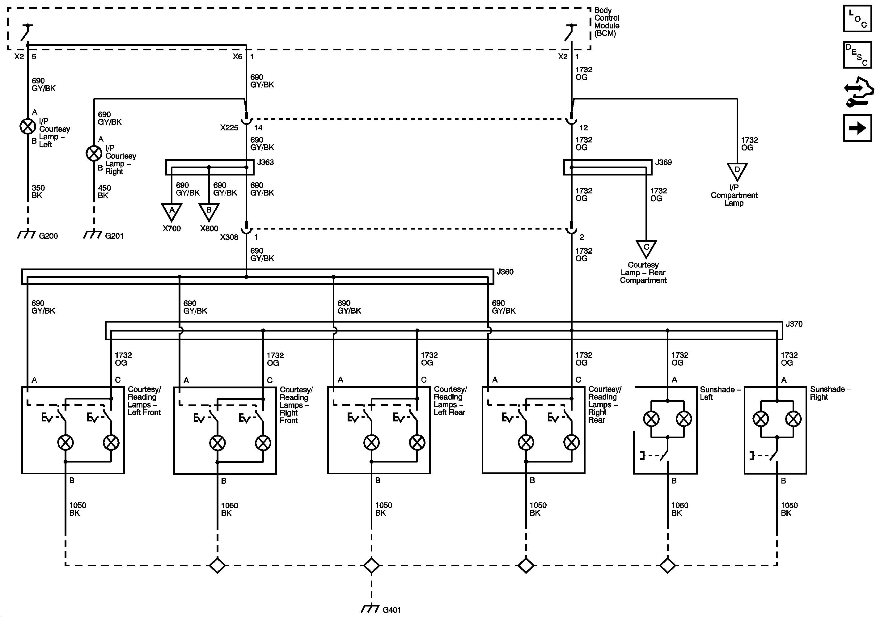
🢒 Interior Lights Schematics
Figure
1:
Courtesy/Reading and Sunshade Lamps 1 of 2
Master Electrical Component List
Interior Lighting Systems Description and Operation
Control Module References
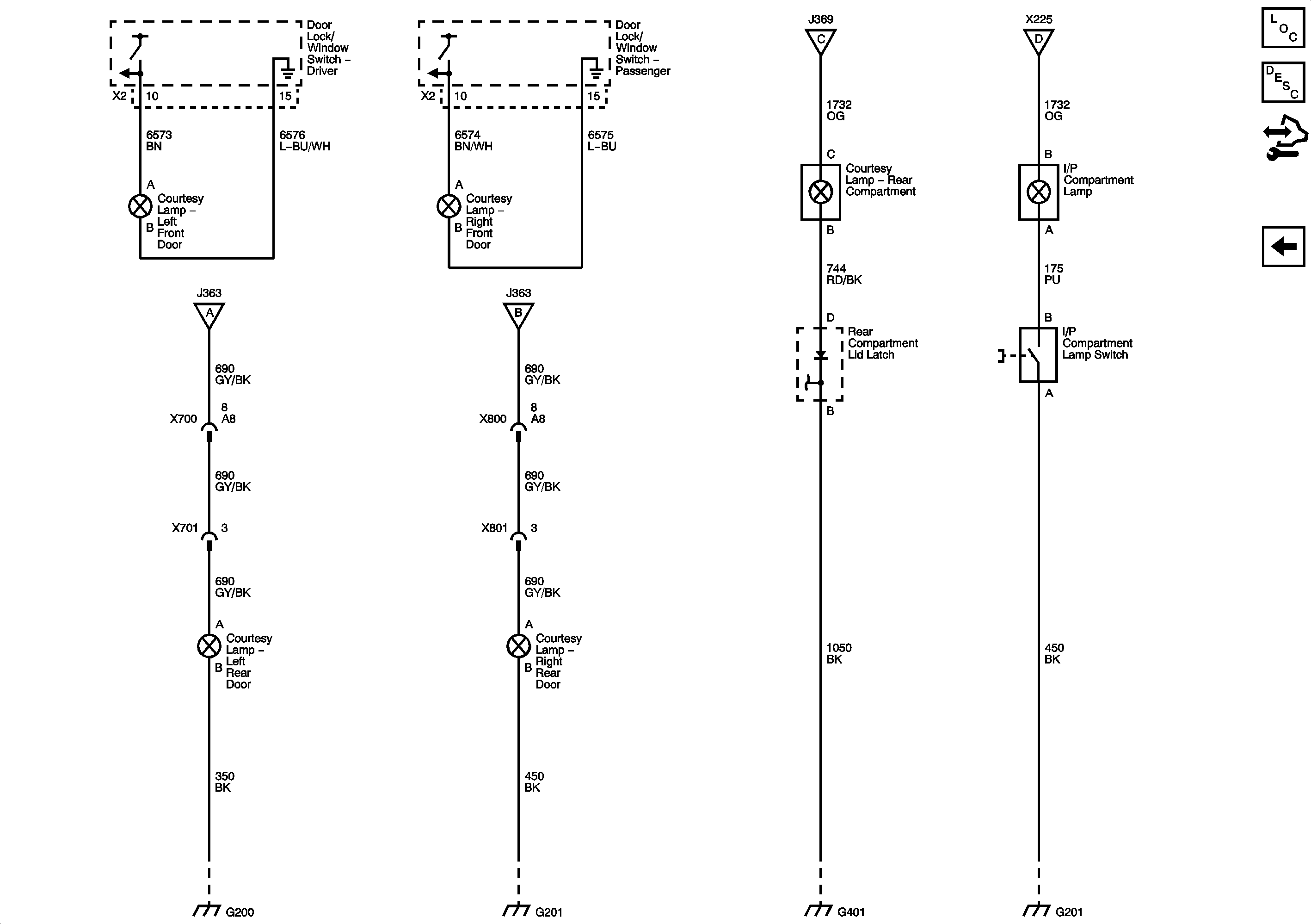
Courtesy Lamps 2 of 2
Figure
2:
Courtesy Lamps 2 of 2
Master Electrical Component List
Interior Lighting Systems Description and Operation
Control Module References
Courtesy/Reading and Sunshade Lamps 1 of 2