GM Service Manual Online
For 1990-2009 cars only
Makes
🢒
Cadillac
🢒
2008
🢒
CTS
🢒
Diagnostic Navigation
🢒
Vehicle Diagnostic Information
🢒 Interior Lights Dimming Schematics
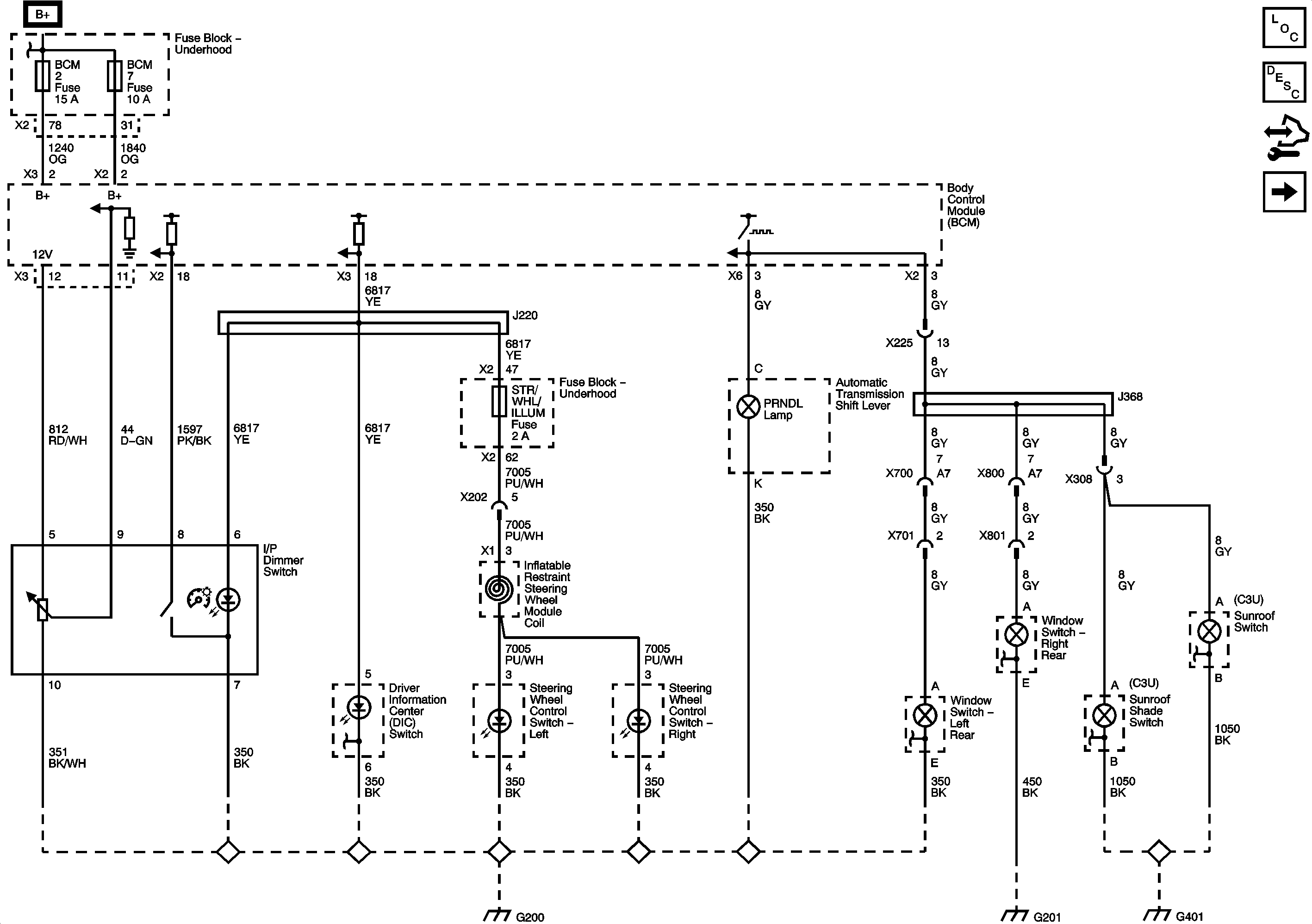
Figure
1:
Interior Lights Dimming 1 of 3
Master Electrical Component List
Interior Lighting Systems Description and Operation
Control Module References
Interior Lights Dimming 2 of 3 (TSQ)
Figure
2:
Interior Lights Dimming 2 of 3 (TSQ)
Master Electrical Component List
Interior Lighting Systems Description and Operation
Control Module References
Interior Lights Dimming 3 of 3 (TSQ)
Interior Lights Dimming 1 of 3
Figure
3:
Interior Lights Dimming 3 of 3 (TSQ)
Master Electrical Component List
Interior Lighting Systems Description and Operation
Control Module References
Interior Lights Dimming 2 of 3 (TSQ)