GM Service Manual Online
For 1990-2009 cars only
Figure 1:

Power, Ground, Indicators and Passenger Presence Sensor


Object Number: 1926738  Size: FS
Master Electrical Component List
SIR System Description and Operation
Control Module References
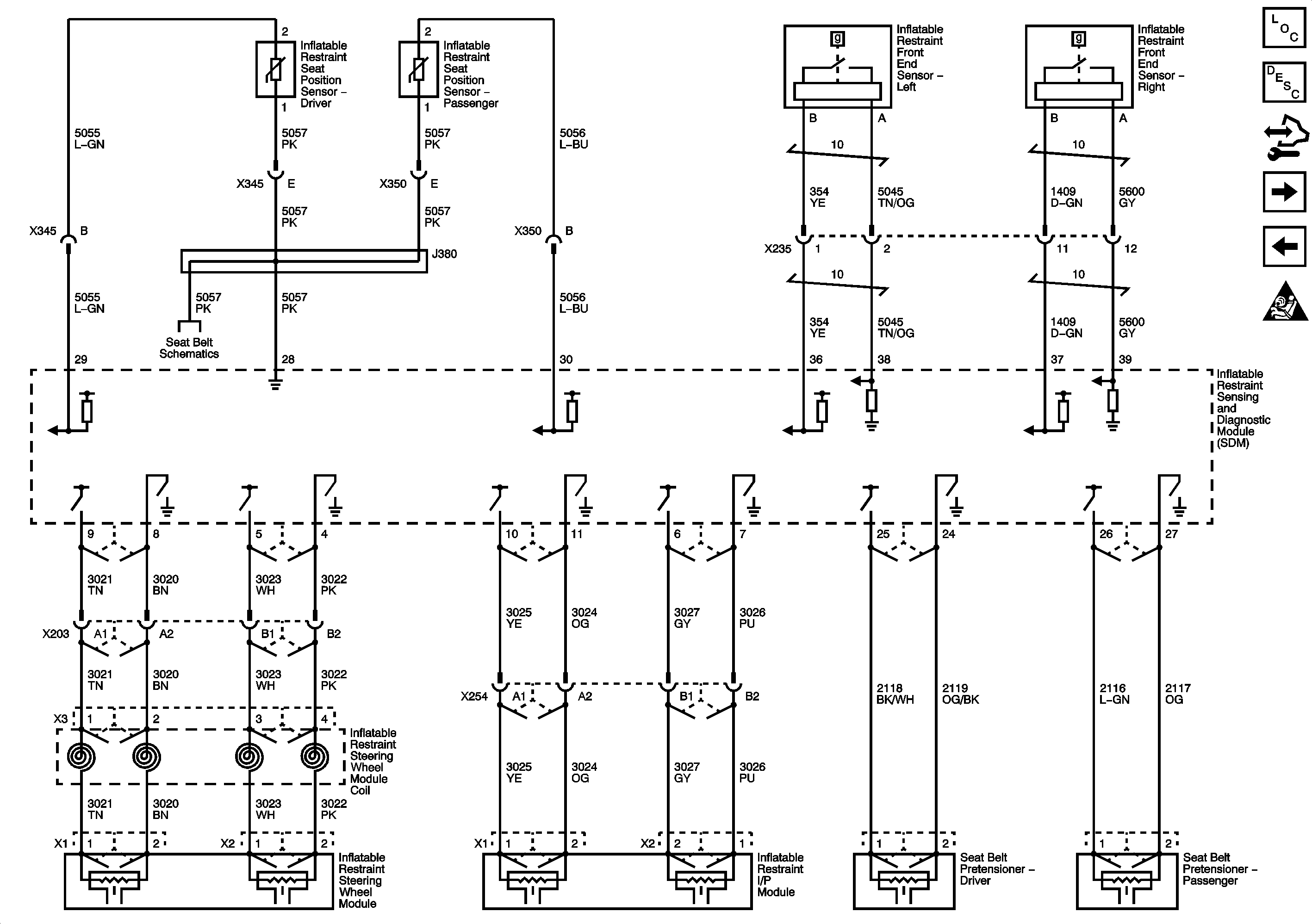
Front Air Bags Front End Sensors, Seat Belt Pretensioners and Seat Position Sensor
Figure 2:

Front Air Bags Front End Sensors, Seat Belt Pretensioners and Seat Position Sensor


Object Number: 1926739  Size: FS
Master Electrical Component List
SIR System Description and Operation
Control Module References
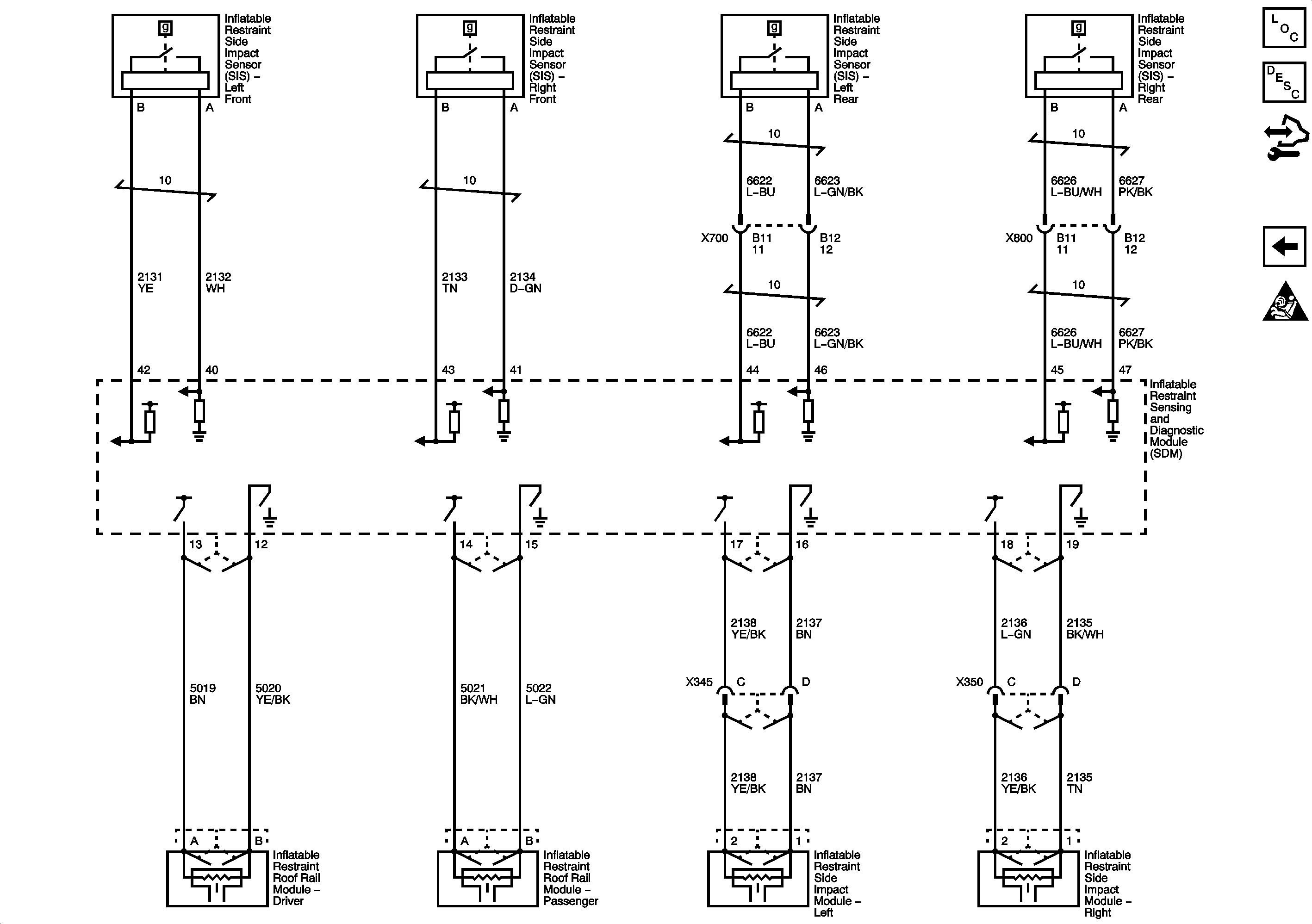
Roof Rail Modules, Side Impact Air Bags and Side Impact Sensors
Power, Ground, Indicators and Passenger Presence Sensor
Figure 3:

Roof Rail Modules, Side Impact Air Bags and Side Impact Sensors


Object Number: 1926740  Size: FS
Master Electrical Component List
SIR System Description and Operation
Control Module References
Front Air Bags Front End Sensors, Seat Belt Pretensioners and Seat Position Sensor