GM Service Manual Online
For 1990-2009 cars only
Makes
🢒
Cadillac
🢒
2008
🢒
CTS
🢒
Diagnostic Navigation
🢒
Vehicle Diagnostic Information
🢒 Release Systems Schematics
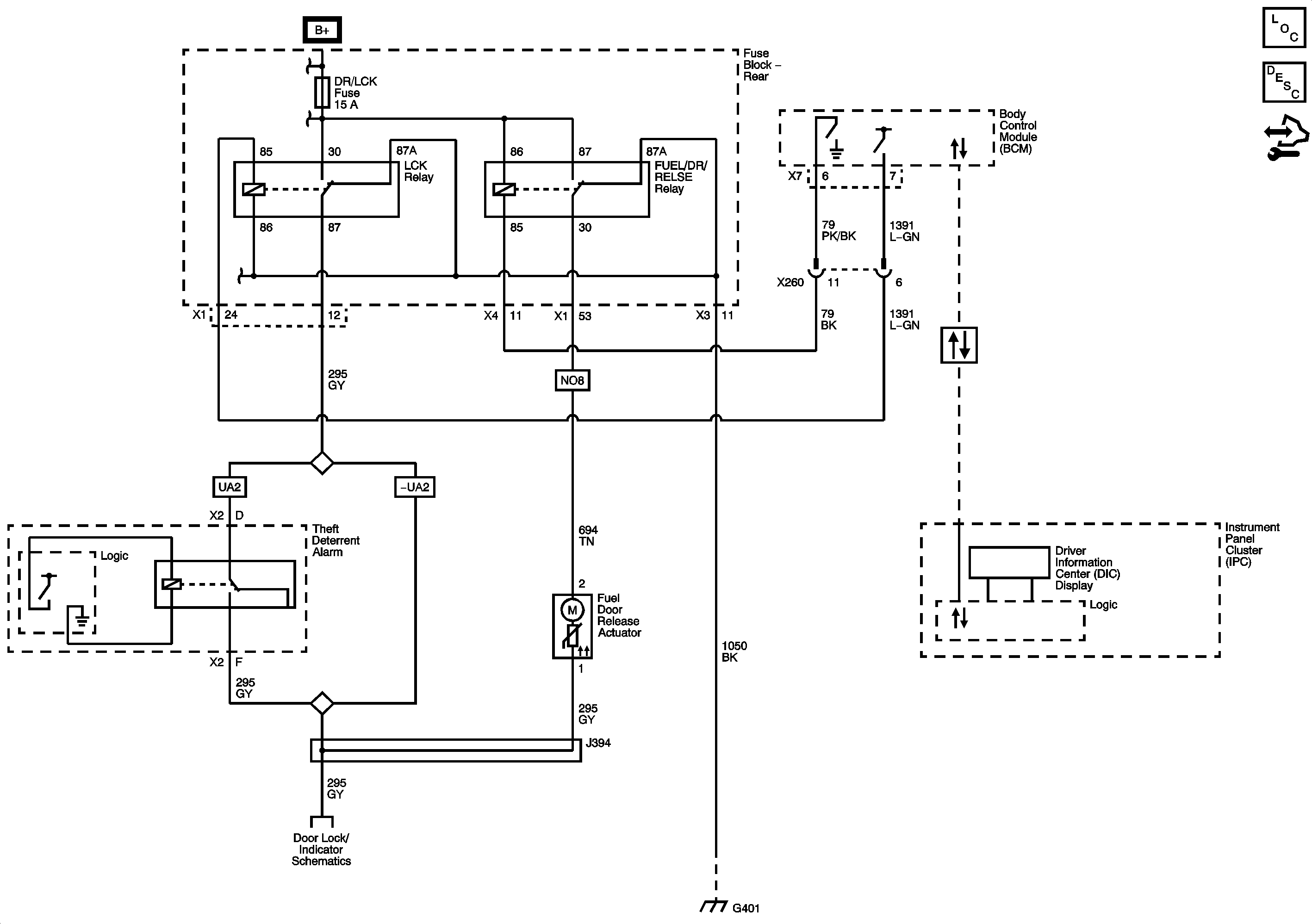
Figure
1:
Release System Schematics 1 of 2
Master Electrical Component List
Luggage Compartment Description and Operation
Control Module References
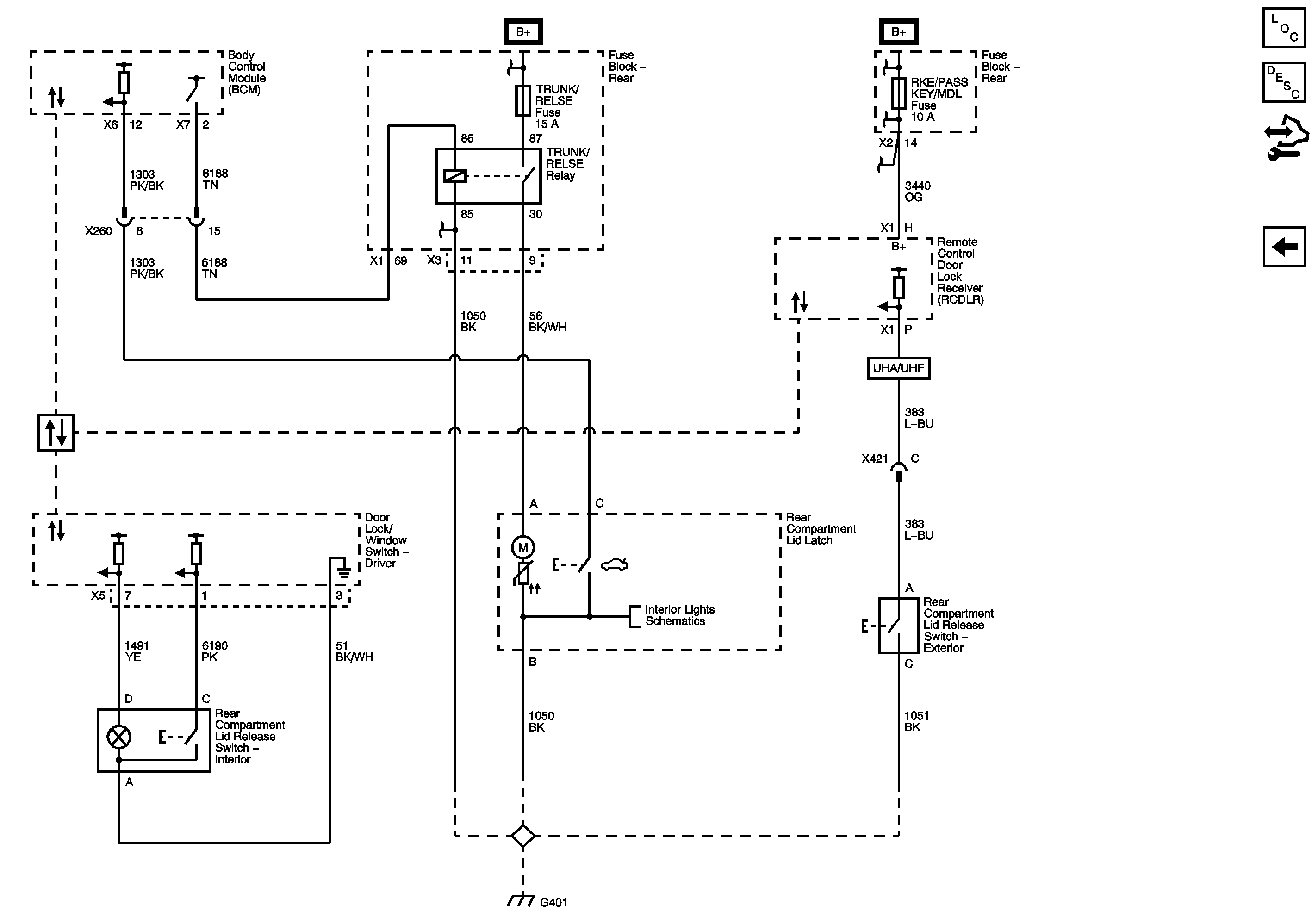
Release System Schematics 2 of 2
Figure
2:
Release System Schematics 2 of 2
Master Electrical Component List
Luggage Compartment Description and Operation
Control Module References
Release Systems Schematics