GM Service Manual Online
For 1990-2009 cars only
Makes
🢒
Cadillac
🢒
2008
🢒
CTS
🢒
Body Systems
🢒
Wipers and Washers
🢒 Wiper/Washer Schematics
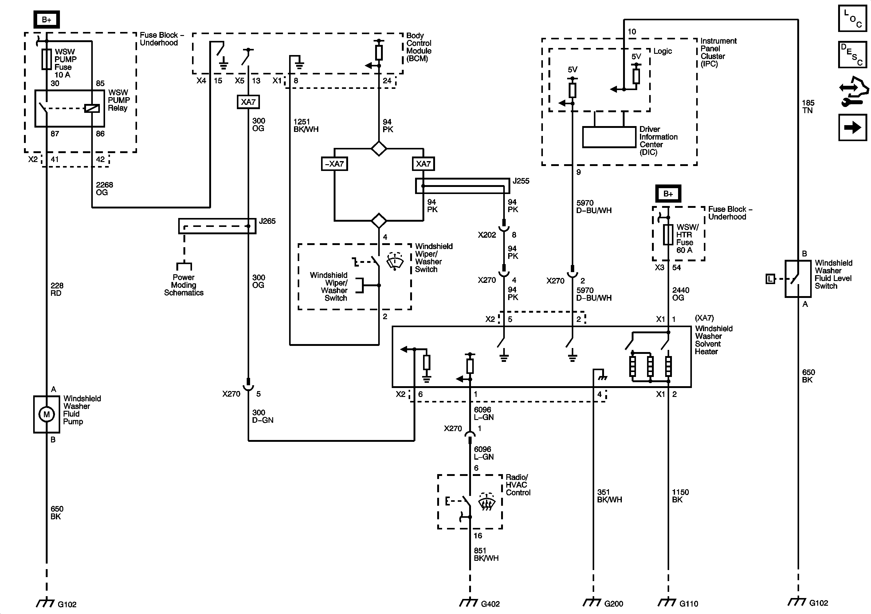
Figure
1:
Front Washers
Master Electrical Component List
Wiper/Washer System Description and Operation
Control Module References
Front
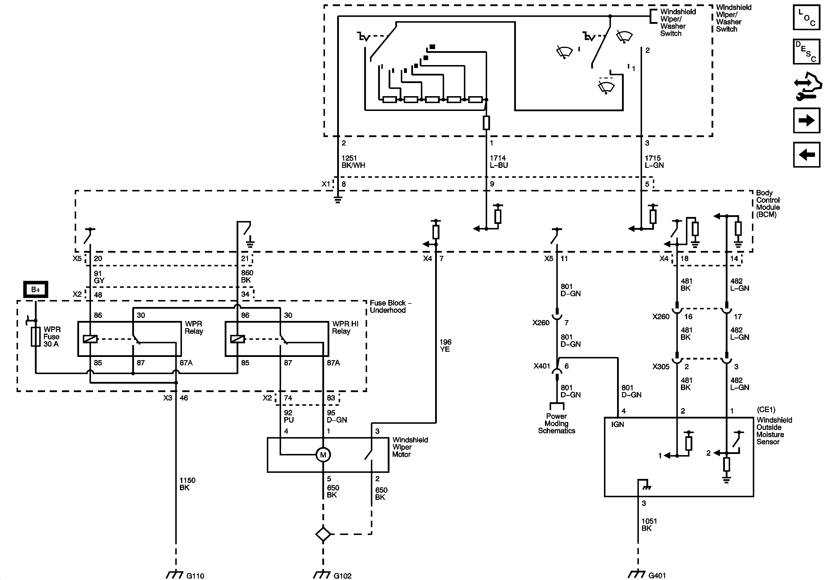
Figure
2:
Front
Master Electrical Component List
Wiper/Washer System Description and Operation
Control Module References
Headlamp Washers (CE4)
Front Washers
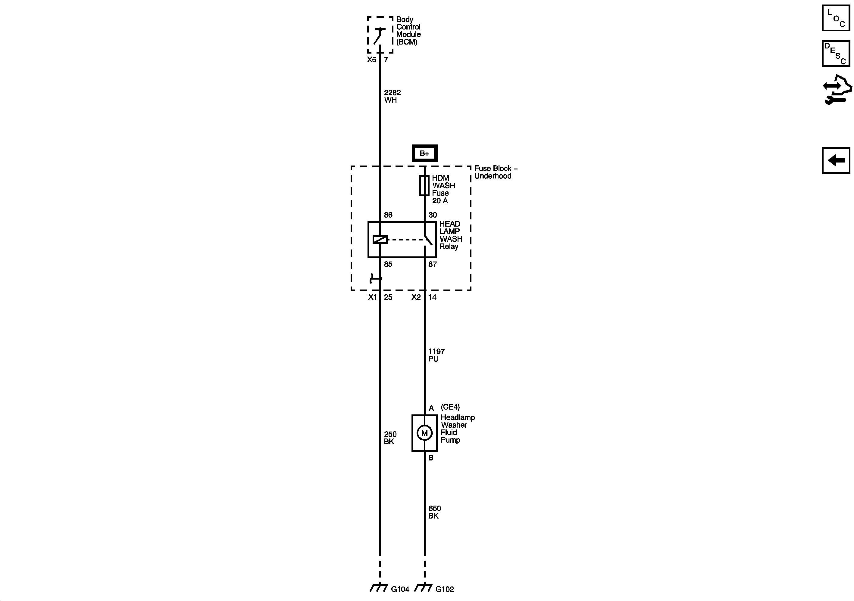
Figure
3:
Headlamp Washers (CE4)
Master Electrical Component List
Headlamp Washer System Description and Operation
Control Module References
Front