GM Service Manual Online
For 1990-2009 cars only
Table 1: Dampener and Rear Output Flange Removal
Table 2: Vent Assembly, Drain Plug, Fill Plug, and Temperature Sensor Removal
Table 3: Front Output Shaft Removal
Table 4: Cover, Apply Cam, and Clutch Pack Removal
Table 5: Chain, Sprockets, Oil Pump, and Input Shaft Removal
Table 6: Coil Removal
Table 7: Chain Snubber and Vent Baffle Removal

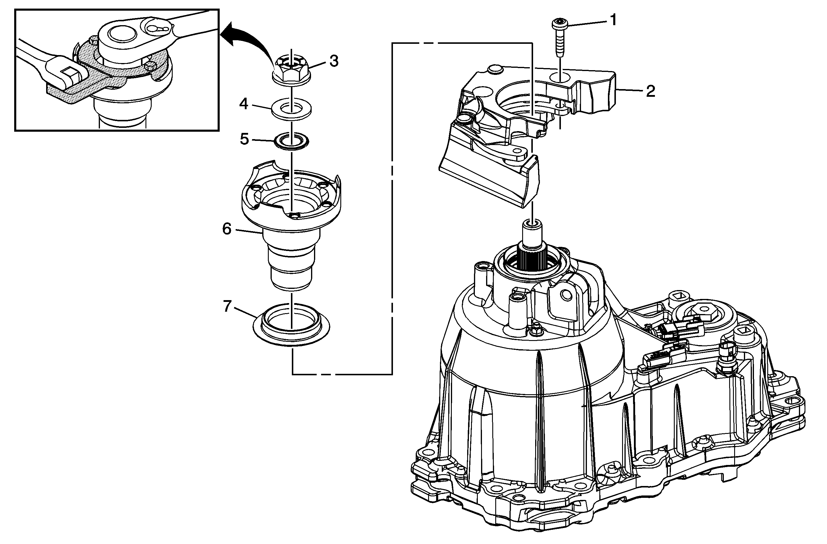
Dampener and Rear Output Flange Removal


Object Number: 1907140  Size: MF

Dampener and Rear Output Flange Removal

Callout

Component Name

1

Transfer Case Vibration Dampener Bolt

2

Transfer Case Vibration Dampener

3

Transfer Case Rear Output Shaft Flange Nut

Special Tools

DT-48847 Pinion Flange Holder

4

Transfer Case Rear Output Shaft Thrust Washer

5

Transfer Case Rear Output Shaft Flange O-Ring Seal

6

Transfer Case Rear Output Shaft Flange Assembly

Tip
Use a 2 Jaw Puller to remove the flange.

7

Transfer Case Rear Output Shaft Seal Dirt Deflector

Tip
Remove only if damaged.

Vent Assembly, Drain Plug, Fill Plug, and Temperature Sensor Removal


Object Number: 1907141  Size: MF

Vent Assembly, Drain Plug, Fill Plug, and Temperature Sensor Removal

Callout

Component Name

1

Transfer Case Vent Assembly

Tip
Remove only if damaged or blocked.

2

Transfer Case Oil Fill Plug

3

Transfer Case Oil Drain Plug - Magnetic

4

Transfer Case Temperature Sensor Assembly

Front Output Shaft Removal


Object Number: 1907142  Size: MF

Front Output Shaft Removal

Callout

Component Name

1

Transfer Case Front Output Shaft Hole Plug

2

Transfer Case O-Ring Seal

3

Transfer Case Front Output Shaft Bearing Retaining Ring

4

Transfer Case Front Output Shaft

5

Transfer Case Front Output Shaft Seal Dirt Deflector

Tip
Remove only if damaged.

Cover, Apply Cam, and Clutch Pack Removal


Object Number: 1907143  Size: MF

Cover, Apply Cam, and Clutch Pack Removal

Callout

Component Name

1

Transfer Case Half Bolt

2

Transfer Case - Rear Half

3

Transfer Case Thrust Washer

4

Transfer Case Thrust Bearing

5

Transfer Case Rotor Assembly

6

Transfer Case Balls

7

Transfer Case Apply Cam

8

Transfer Case Wave Spring

9

Transfer Case Snap Ring

10

Clutch Pack Assembly

11

Transfer Case Front Output Shaft Drive Sprocket Spacer

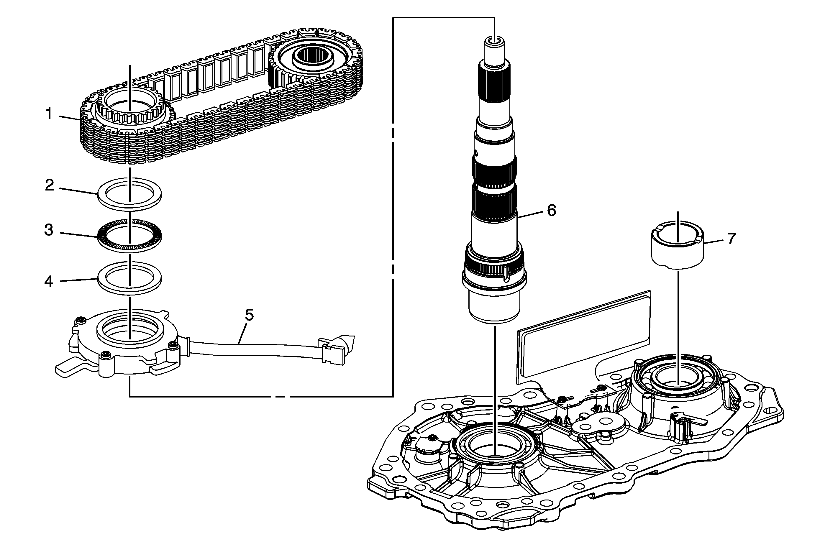
Chain, Sprockets, Oil Pump, and Input Shaft Removal


Object Number: 1911498  Size: MF

Chain, Sprockets, Oil Pump, and Input Shaft Removal

Callout

Component Name

1

Transfer Case Front Output Shaft Drive Chain Assembly

Procedure:

Remove the drive chain assembly, transfer case front output shaft drive sprocket, and the transfer case front output shaft driven sprocket simultaneously.

Tip
Note the orientation of the single blue link on the chain. The link should be facing upward. It is important to re-assemble the chain in the same orientation that it was found.

2

Transfer Case Front Output Shaft Drive Sprocket Thrust Washer

3

Transfer Case Front Output Shaft Drive Sprocket Bearing Assembly

4

Transfer Case Front Output Shaft Drive Sprocket Thrust Washer

5

Transfer Case Oil Pump Assembly

Tip
Loosen the pump suction hose clamp bolt.

6

Transfer Case Input Shaft Assembly

7

Transfer Case Front Output Shaft Driven Sprocket Spacer

Coil Removal


Object Number: 1907144  Size: MF

Coil Removal

Callout

Component Name

Preliminary Procedure

Remove the coil only if required, due to damage or leakage.

1

Transfer Case Coil Nut (Qty: 3)

2

Transfer Case Clutch Coil Harness Protector

3

Transfer Case Clip

Tip
The clip must be disassembled in order to remove the coil.

4

Transfer Case Coil Connector Assembly

5

Transfer Case Coil Assembly

Chain Snubber and Vent Baffle Removal


Object Number: 1907145  Size: MF

Chain Snubber and Vent Baffle Removal

Callout

Component Name

1

Transfer Case Front Output Shaft Drive Chain Snubber Bolt (Qty: 2)

2

Transfer Case Front Output Shaft Drive Chain Snubber

3

Transfer Case Vent Baffle Bolt

4

Transfer Case Vent Baffle