GM Service Manual Online
For 1990-2009 cars only
Table 1: Coil Installation
Table 2: Chain Snubber and Vent Baffle Installation
Table 3: Chain, Sprockets, Oil Pump, Input Shaft, and Front Output Shaft Installation
Table 4: Apply Cam, and Clutch Pack Installation
Table 5: Case Half and Front Output Shaft Hole Plug Installation
Table 6: Dampener and Rear Output Flange Installation
Table 7: Vent Assembly, Drain Plug, Fill Plug, and Temperature Sensor Installation

Coil Installation


Object Number: 1907146  Size: MF

Coil Installation

Callout

Component Name

1

Transfer Case Coil Assembly

2

Transfer Case Coil Nuts (Qty: 3)

3

Transfer Case Coil Connector Assembly

4

Transfer Case Clip

5

Transfer Case Clutch Coil Harness Protector

Tip
Install common tie wraps to secure the harness protector and seat the wire in the wire clip.

Chain Snubber and Vent Baffle Installation


Object Number: 1907147  Size: MF

Chain Snubber and Vent Baffle Installation

Callout

Component Name

1

Transfer Case Front Output Shaft Drive Chain Snubber

2

Transfer Case Front Output Shaft Drive Chain Snubber Bolts (Qty: 2)

Notice: Refer to Fastener Notice in the Preface section.

Tip

    • Apply sealant GM P/N 12345382 (Canadian P/N 10953489), or equivalent, to the threads of the bolts.
    • Before tightening the snubber bolts, push the snubber to the outside of the case, so when assembled, the snubber is in the farthest position away from the chain, taking up all clearance. See arrow in the illustration above.

Tighten
7 N·m (62 lb in)

3

Transfer Case Vent Baffle

4

Transfer Case Vent Baffle Bolt (Qty: 1)

Tip

    • Apply sealant GM P/N 12345382 (Canadian P/N 10953489), or equivalent, to the threads of the bolts.
    • Assemble the dowel pins into the case half, if previously removed.

Tighten
7 N·m (62 lb in)

Chain, Sprockets, Oil Pump, Input Shaft, and Front Output Shaft Installation


Object Number: 1907148  Size: MF

Chain, Sprockets, Oil Pump, Input Shaft, and Front Output Shaft Installation

Callout

Component Name

1

Transfer Case Front Output Shaft Seal Dirt Deflector

Tip
Replace only if removed or damaged.

2

Transfer Case Front Output Shaft

3

Transfer Case Front Output Shaft Driven Sprocket Spacer

4

Transfer Case Input Shaft Assembly

5

Transfer Case Oil Pump Assembly

Tip

    • Center the gerotor gear spline inside the pump for ease of assembly.
    • Rotate the pump alignment tab until it aligns with the alignment mark on the case.

6

Transfer Case Oil Pump Suction Hose Clamp

7

Transfer Case Oil Pump Suction Hose Bolt

Notice: Refer to Fastener Notice in the Preface section.

Tighten
7 N·m (62 lb in)

8

Transfer Case Front Output Shaft Drive Sprocket Thrust Washer

9

Transfer Case Front Output Shaft Drive Sprocket Bearing Assembly

10

Transfer Case Front Output Shaft Drive Sprocket Thrust Washer

11

Transfer Case Front Output Shaft Drive Chain Assembly

Procedure:

Install the drive chain assembly, transfer case front output shaft drive sprocket, and the transfer case front output shaft driven sprocket simultaneously.

Tip

    • Assemble the chain with the blue link facing up, unless noted differently during disassembly.
    • Assemble the drive sprocket with the clutch splines facing up.
    • Assemble the driven sprocket with the center raised hub facing up.

Apply Cam, and Clutch Pack Installation


Object Number: 1911504  Size: MF

Apply Cam, and Clutch Pack Installation

Callout

Component Name

1

Transfer Case Front Output Shaft Drive Sprocket Spacer

2

Transfer Case Clutch Pack Assembly and Armature

Tip

    • Refer to Transfer Case Cleaning and Inspection Clutch Components for proper clutch assembly.
    • Inspect for the clutch hub and housing to be fully seated on the input shaft with no gap. The snap ring will not assemble if not fully seated.

3

Transfer Case Snap Ring

4

Transfer Case Wave Spring

5

Transfer Case Apply Cam

6

Transfer Case Balls

7

Transfer Case Rotor Assembly

8

Transfer Case Thrust Bearing

9

Transfer Case Thrust Washer

Tip
Always verify that the correct thrust washer is installed for proper clutch end-play. Replacement of internal components will alter the end-play. Refer to Four Wheel Drive Clutch Shim Selection.

Case Half and Front Output Shaft Hole Plug Installation


Object Number: 1971828  Size: MF

Case Half and Front Output Shaft Hole Plug Installation

Callout

Component Name

1

Transfer Case - Rear Half

Tip
Apply a 3.175 mm (1/8 in) bead of room temperature vulcanizing (RTV) sealant, or equivalent, to the mating surface of the cover.

2

Transfer Case Half Bolt

Notice: Refer to Fastener Notice in the Preface section.

Tip
The bolts are self-tapping and must be hand started. Do not use power-assisted tools to install the bolts.

Tighten
27-35 N·m (20-26 lb in)

3

Transfer Case Location Pin - If Removed

4

Transfer Case Front Output Shaft Bearing Retaining Ring

5

Transfer Case O-Ring Seal

Tip
If the seal is removed, replace with a NEW seal.

6

Transfer Case Front Output Shaft Hole Plug

Tighten
15-20 N·m (11-14 lb ft)

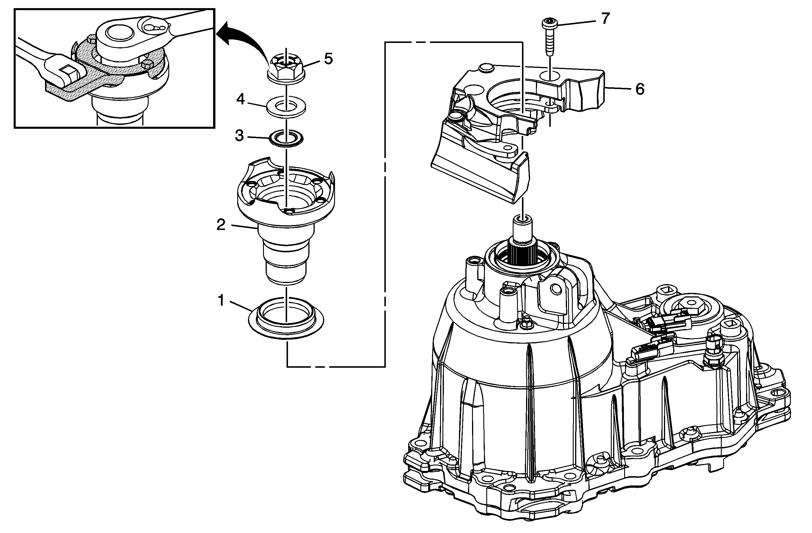
Dampener and Rear Output Flange Installation


Object Number: 1911545  Size: MF

Dampener and Rear Output Flange Installation

Callout

Component Name

1

Transfer Case Rear Output Shaft Seal Dirt Deflector

Tip
Replace only if removed or damaged.

2

Transfer Case Rear Output Shaft Flange Assembly

3

Transfer Case Rear Output Shaft Flange O-Ring Seal

4

Transfer Case Rear Output Shaft Thrust Washer

5

Transfer Case Rear Output Shaft Flange Nut

Notice: Refer to Fastener Notice in the Preface section.

Tighten
305-332 N·m (225-245 lb ft)

Special Tools

DT-48847 Pinion Flange Holder

6

Transfer Case Vibration Dampener

7

Transfer Case Vibration Dampener Bolt

Tighten
27-35 N·m (20-26 lb ft)

Vent Assembly, Drain Plug, Fill Plug, and Temperature Sensor Installation


Object Number: 1907151  Size: MF

Vent Assembly, Drain Plug, Fill Plug, and Temperature Sensor Installation

Callout

Component Name

1

Transfer Case Temperature Sensor Assembly

2

Transfer Case Oil Drain Plug - Magnetic

Notice: Refer to Component Fastener Tightening Notice in the Preface section.

Tip
Apply pipe sealant GM P/N 12346004 (Canadian P/N 10953480) to the drain plug before installation.

Tighten
19-30 N·m (14-22 lb ft)

3

Transfer Case Oil Fill Plug

Tip

    • Apply pipe sealant GM P/N 12346004 (Canadian P/N 10953480) to the fill plug before installation.
    • Fill the transfer case with fluid. Refer to Adhesives, Fluids, Lubricants, and Sealers and Approximate Fluid Capacities.

Tighten
19-30 N·m (14-22 lb ft)

4

Transfer Case Vent Assembly