GM Service Manual Online
For 1990-2009 cars only

Removal Procedure

  1. Remove the right side instrument panel insulator. Refer to Instrument Panel Insulator Replacement - Right Side.

  2. Object Number: 1979768  Size: SH
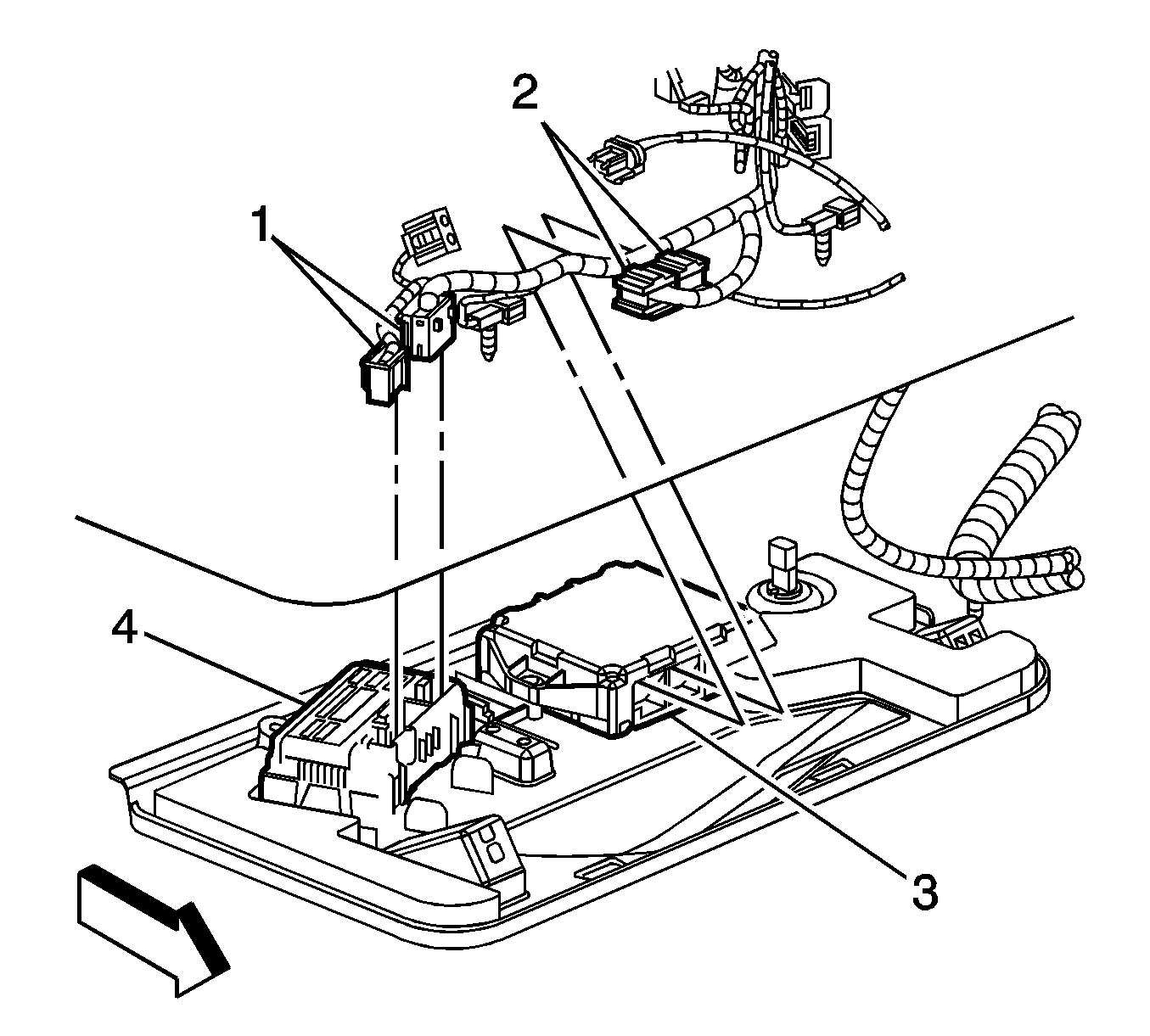
  3. Remove the electrical connectors (1) from the transfer case shift control module (4).

  4. Object Number: 1979769  Size: SH
  5. Remove the transfer case shift control module (1) from the instrument panel insulator (2).

Installation Procedure


    Object Number: 1979769  Size: SH
  1. Install the transfer case shift control module (1) to the instrument panel insulator (2).

  2. Object Number: 1979768  Size: SH
  3. Install the electrical connectors (1) to the transfer case shift control module (4).
  4. Install the right side instrument panel insulator. Refer to Instrument Panel Insulator Replacement - Right Side.
  5. For module programming and setup information, refer to Control Module References.