GM Service Manual Online
For 1990-2009 cars only
Makes
🢒
Cadillac
🢒
2008
🢒
CTS
🢒
Power and Signal Distribution
🢒
Wiring Systems and Power Management
🢒 Power Moding Schematics
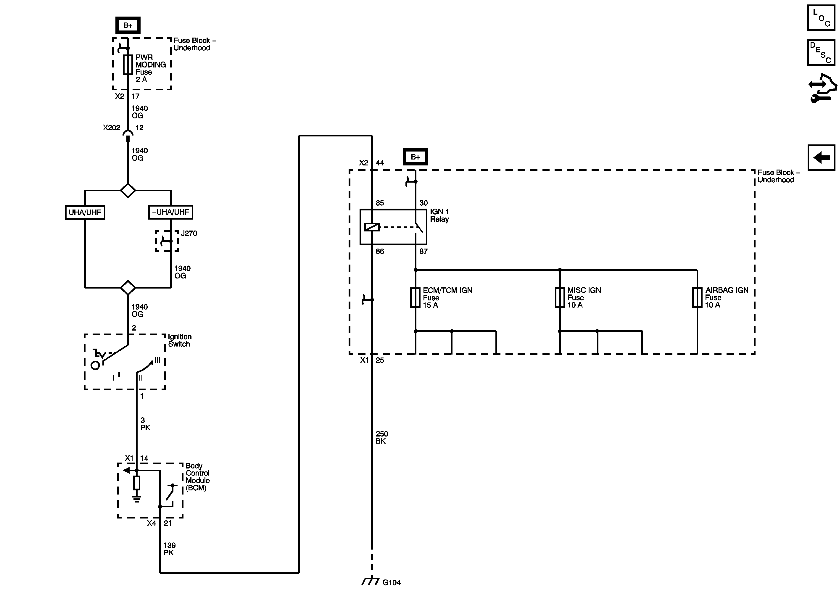
Figure
1:
BCM Controlled
Master Electrical Component List
Power Mode Description and Operation
Control Module References
IGN II/III
Figure
2:
IGN II/III
Master Electrical Component List
Power Mode Description and Operation
Control Module References
BCM Controlled