GM Service Manual Online
For 1990-2009 cars only
Makes
🢒
Cadillac
🢒
2008
🢒
CTS
🢒
Roof
🢒
Sunroof
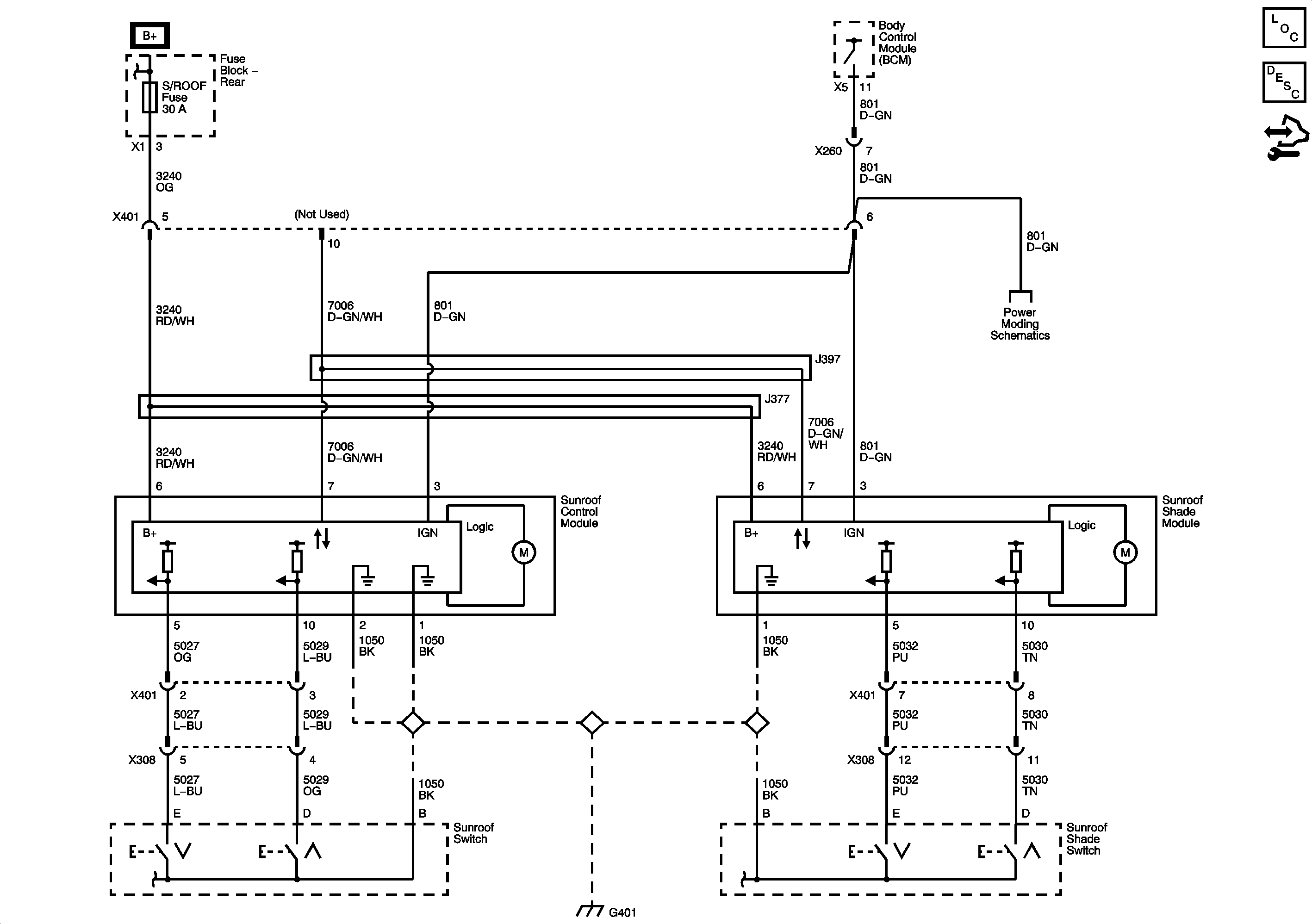
🢒 Sunroof Schematics
Master Electrical Component List
Sunroof Description and Operation
Control Module References