GM Service Manual Online
For 1990-2009 cars only
Makes
🢒
Cadillac
🢒
2008
🢒
CTS
🢒
Seats
🢒
Power Seats
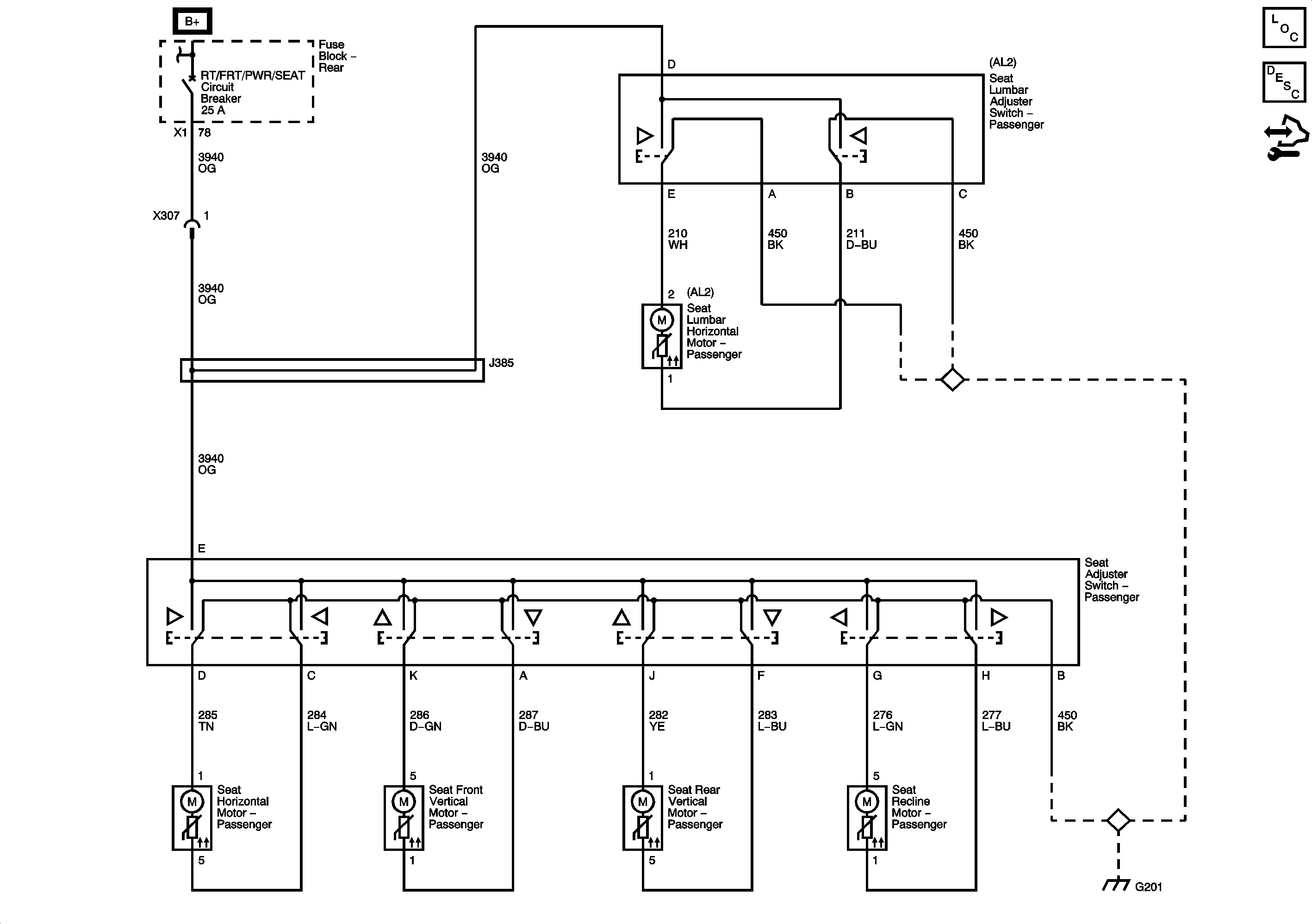
🢒 Passenger Seat Schematics
AH8/AL2
Master Electrical Component List
Power Seats System Description and Operation
Control Module References