GM Service Manual Online
For 1990-2009 cars only
Makes
🢒
Cadillac
🢒
2008
🢒
CTS
🢒
Seats
🢒
Seat Heating and Cooling
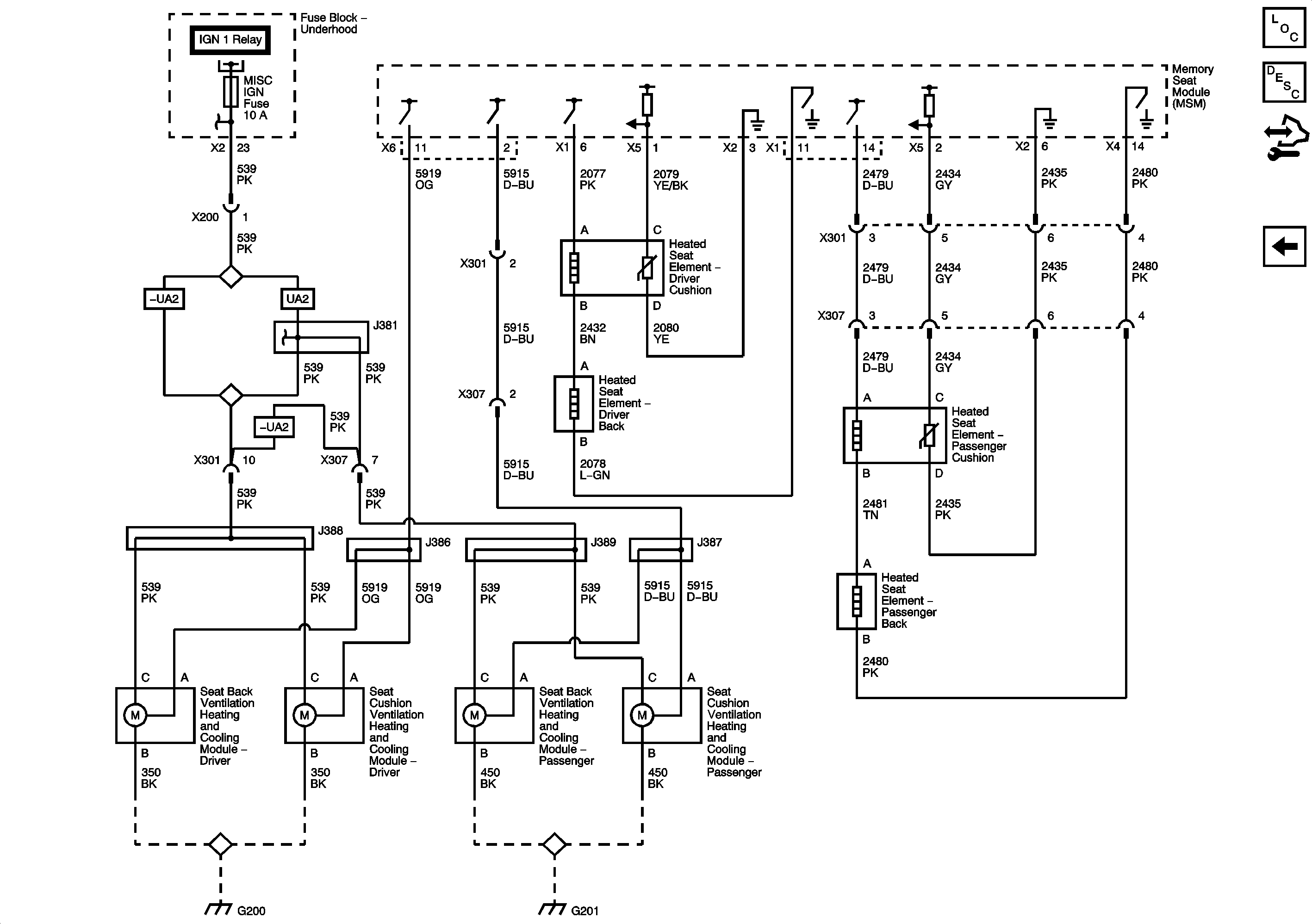
🢒 Heated/Cooled Seat Schematics
Figure
1:
Power, Ground and Switches
Master Electrical Component List
Heated/Vented Seat Description and Operation
Control Module References
Heated Elements and Cooling Modules
Figure
2:
Heating Elements and Cooling Modules (KA1/KB6)
Master Electrical Component List
Heated/Vented Seat Description and Operation
Control Module References
Power, Ground and Switches