GM Service Manual Online
For 1990-2009 cars only
Makes
🢒
Cadillac
🢒
2008
🢒
CTS
🢒
Safety and Security
🢒
Immobilizer
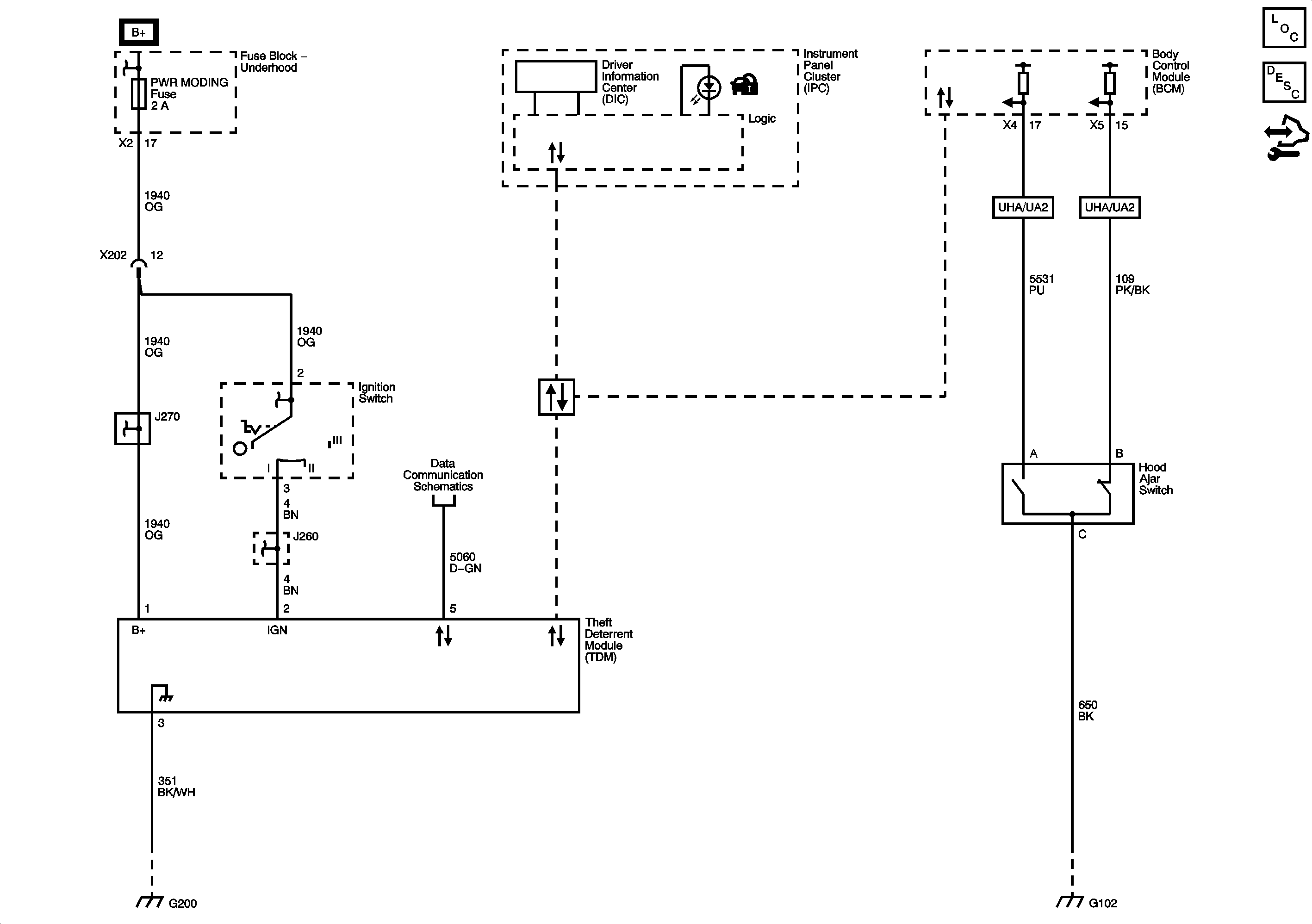
🢒 Immobilizer Schematics
Passkey 3
Master Electrical Component List
Immobilizer Description and Operation (with RPO Y41)
Control Module References