GM Service Manual Online
For 1990-2009 cars only
Makes
🢒
Cadillac
🢒
2008
🢒
CTS
🢒
Safety and Security
🢒
Object Detection
🢒 Object Detection Schematics
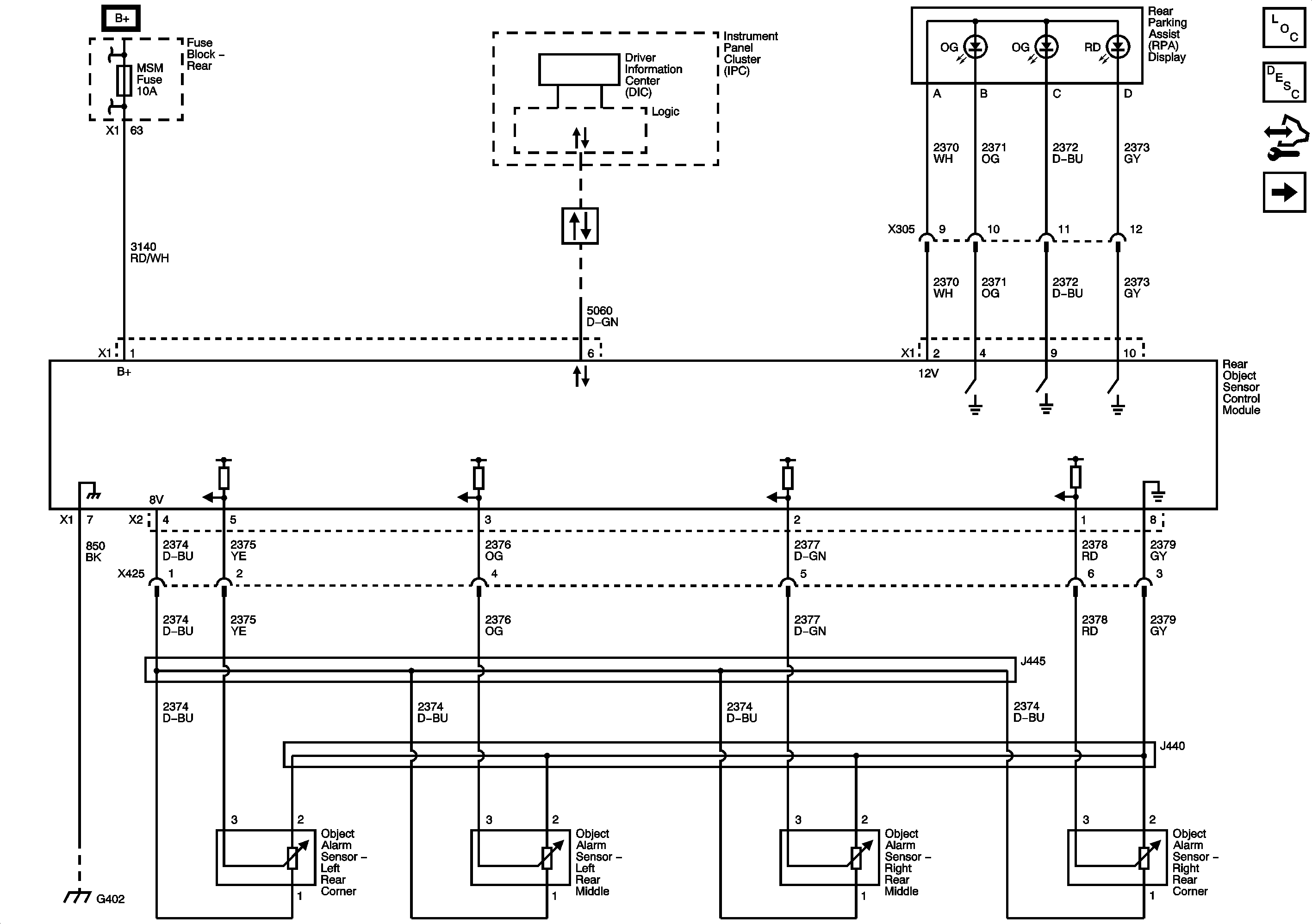
Figure
1:
UD7
Master Electrical Component List
Control Module References
Object Detection Description and Operation Rear Parking Assist
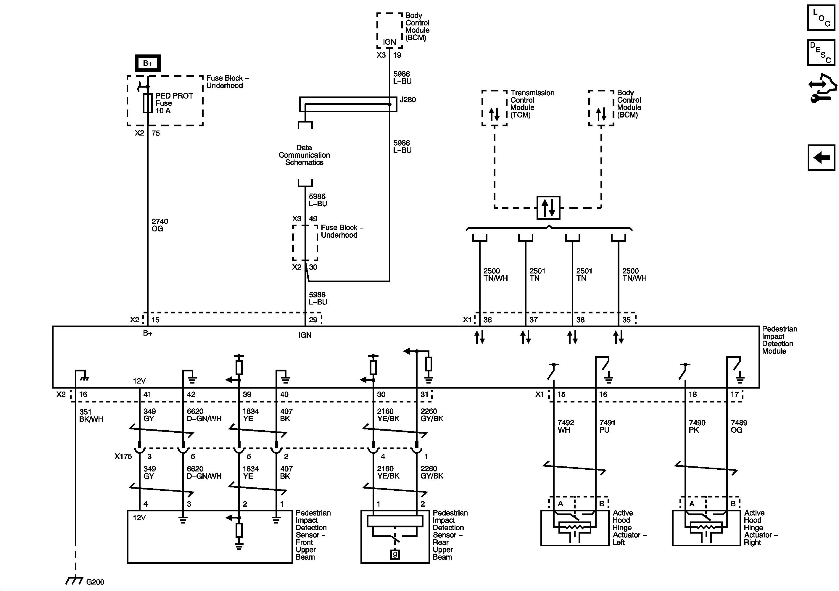
Pedestrian Impact Detection System (B3T)
Figure
2:
Pedestrian Impact Detection System B3T
Master Electrical Component List
Object Detection Description and Operation PIDS
Control Module References
UD7