GM Service Manual Online
For 1990-2009 cars only
Makes
🢒
Cadillac
🢒
2008
🢒
CTS
🢒
Safety and Security
🢒
Theft Deterrent
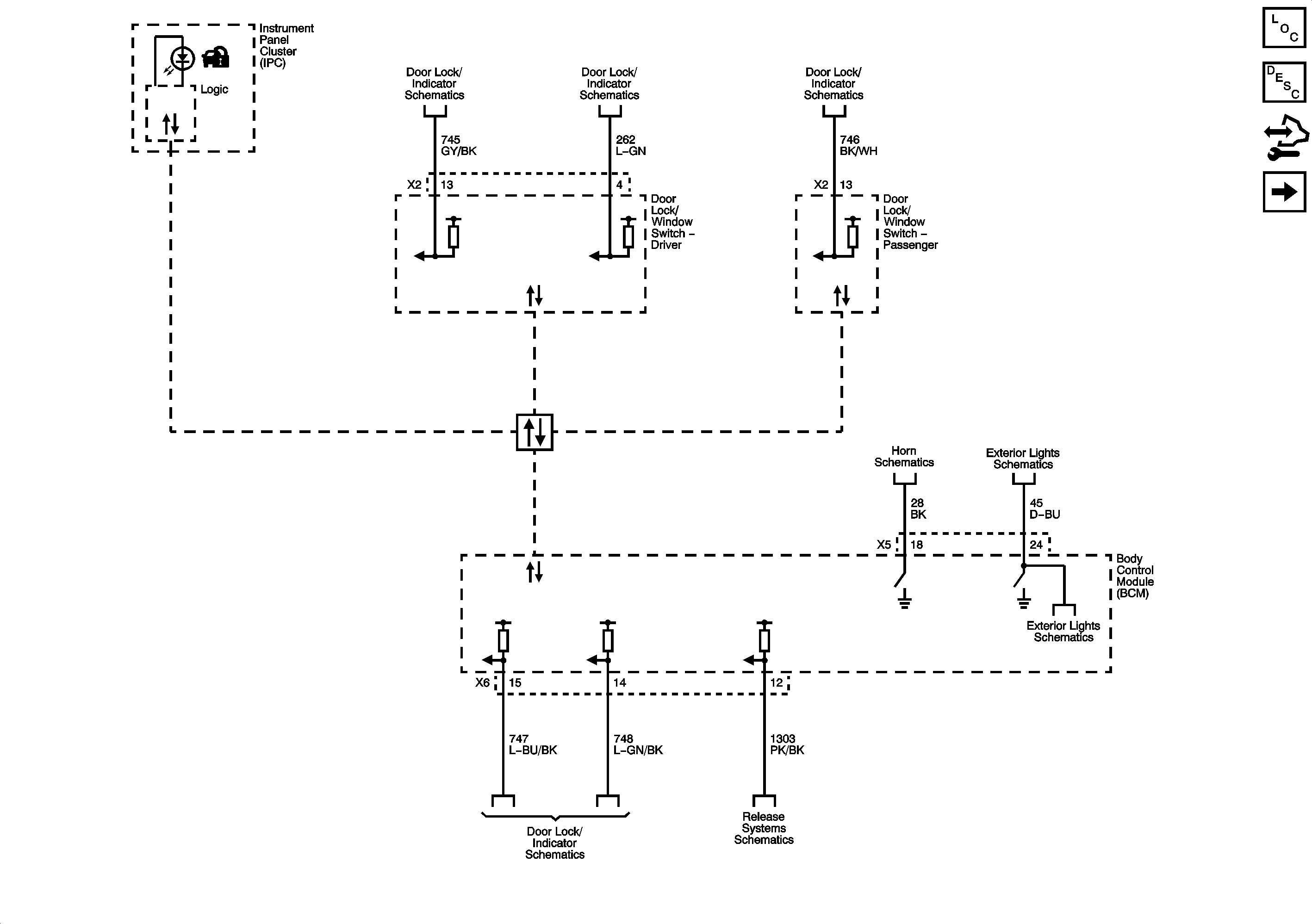
🢒 Theft Deterrent System Schematics
Figure
1:
without UA2
Master Electrical Component List
Content Theft Deterrent (CTD) Description and Operation
Control Module References
(UA2)
Figure
2:
UA2
Master Electrical Component List
Content Theft Deterrent (CTD) Description and Operation
Control Module References
(-UA2)