GM Service Manual Online
For 1990-2009 cars only

Removal Procedure

  1. Disconnect the negative battery cable. Refer to Battery Negative Cable Disconnection and Connection.
  2. Remove the front and rear intake manifold covers. Refer to Intake Manifold Cover Replacement - Rear.
  3. Relieve the fuel system pressure. Refer to Fuel Pressure Relief
  4. Disconnect the fuel pipe from the fuel rail. Refer to Metal Collar Quick Connect Fitting Service

  5. Object Number: 2164120  Size: SH
  6. Disconnect the fuel injection Harness connectors (1, 2).
  7. Disconnect the BARO sensor harness connector (5).
  8. Disconnect the intake temperature sensor harness connector (4).
  9. Disconnect the supercharger air outlet pressure sensor harness connector (3).

  10. Object Number: 2157868  Size: SH
  11. Disconnect all 8 ignition coil harness connectors (1).

  12. Object Number: 2164123  Size: SH
  13. Remove the front fuel rail fastener.
  14. Remove the fuel rail ball stud fasteners (1).
  15. Carefully disengage the fuel injectors from the supercharger.
  16. Remove the fuel rail wit the fuel injector harness from the engine.

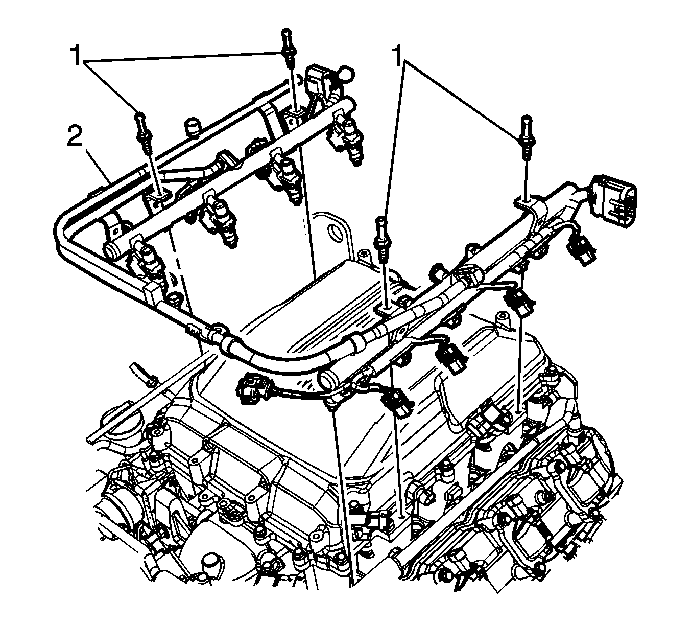
  17. Object Number: 2164127  Size: SH
  18. Remove the fuel injection wiring harness (1, 2) from the fuel rail and fuel injectors.
  19. If replacing the fuel rail of an injector. Refer to Fuel Injector Replacement.

Installation Procedure

  1. Install the fuel injectors if removed. Refer to Fuel Injector Replacement.

  2. Object Number: 2164127  Size: SH
  3. Install the fuel injection wiring harness (1, 2) to the fuel rail and fuel injectors.

  4. Object Number: 2164123  Size: SH
  5. install the fuel rail wit the fuel injector harness (2) to the engine.
  6. Carefully locate the fuel injectors into the supercharger. Install the left side first and then the right side.
  7. Apply threadlock to the ball stud and fastener threads. Refer to Adhesives, Fluids, Lubricants, and Sealers.
  8. Caution: Refer to Fastener Caution in the Preface section.

  9. Instal the ball studs (1) and the forward fastener and tighten to 10 N·m (89 lb in).

  10. Object Number: 2157868  Size: SH
  11. Connect all 8 ignition coil harness connectors (1).

  12. Object Number: 2164120  Size: SH
  13. Connect the fuel injection Harness connectors (1, 2).
  14. Connect the barometric pressure sensor harness connector (5).
  15. Connect the supercharger air output sensor harness connector (3).
  16. Connect the intake temperature sensor harness connector (4).
  17. Connect the fuel pipe to the fuel rail. Refer to Metal Collar Quick Connect Fitting Service
  18. Connect the negative battery cable. Refer to Battery Negative Cable Disconnection and Connection.
  19. Pressure the fuel system and check for fuel leaks.
  20. Install the front and rear intake manifold covers. Refer to Intake Manifold Cover Replacement - Rear.