GM Service Manual Online
For 1990-2009 cars only

Object Number: 2175680  Size: MF

Callout

Component Name

Preliminary Procedures

  1. Drain the charge air cooling system. Refer to Charge Air Cooling System Draining and Filling
  2. Remove the charge air cooler hose pipe to pump. Refer to Charge Air Cooler Coolant Hose Replacement - Pipe to Pump
  3. Remove the charge air cooler hose radiator to pipe. Refer to Charge Air Cooler Coolant Hose Replacement - Radiator to Pipe
  4. Remove the charge air cooler hose pipe to reservoir. Refer to Charge Air Cooler Coolant Hose Replacement - Reservoir to Pipe
  5. Remove the charge air cooler hose pipe to engine. Refer to Charge Air Cooler Coolant Hose Replacement - Engine to Pipe

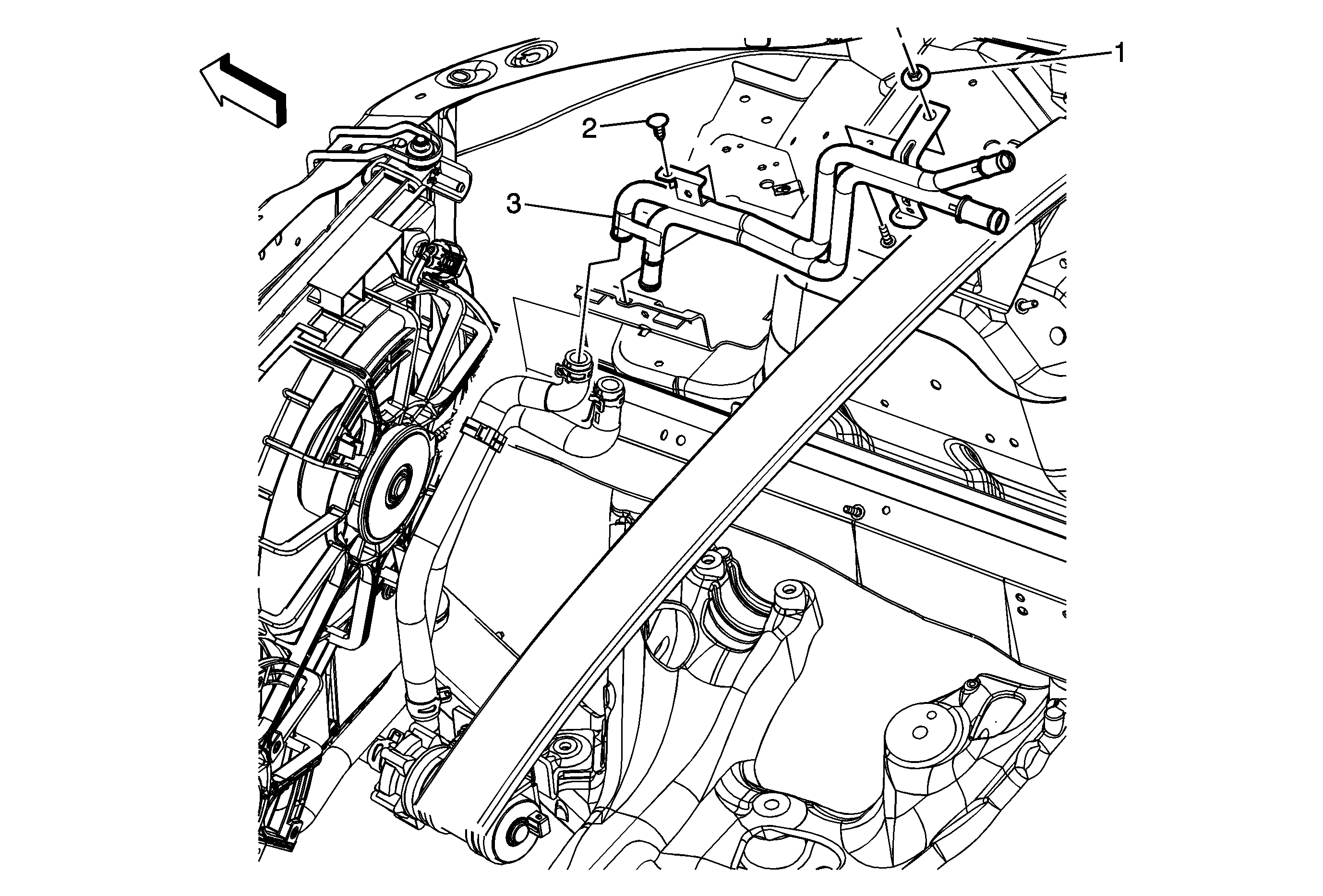
1

Charge Air Cooler Pipe Nut.

Caution: Refer to Fastener Caution in the Preface section.

Tighten
9 N·m (80 lb in)

2

Charge Air Cooler Pipe Retainer.

3

Charge Air Cooler Pipe Assembly.