GM Service Manual Online
For 1990-2009 cars only

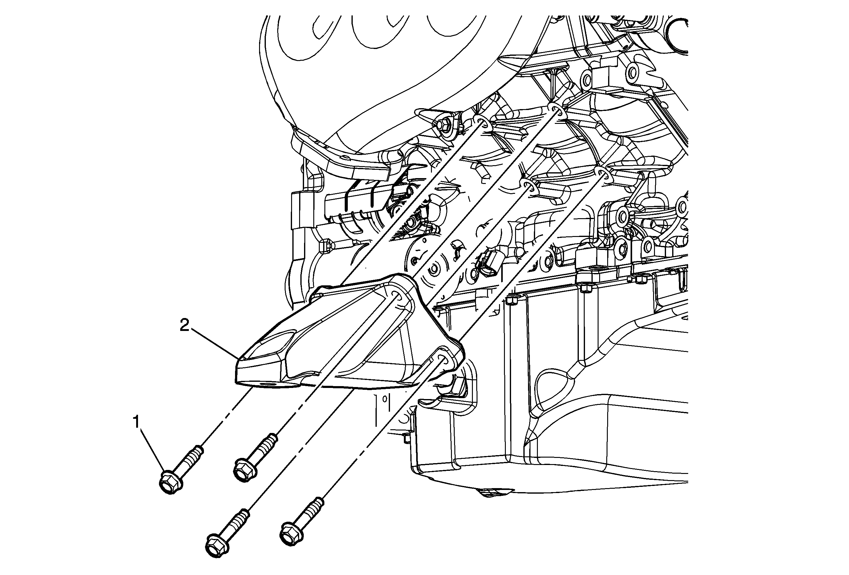
Object Number: 2153742  Size: MF

Callout

Component Name

Preliminary Procedure

Remove the engine mount. Refer to Engine Mount Replacement - Right Side.

1

Engine Mount Bracket Fastener (Qty: 4)

Caution: Refer to Component Fastener Tightening Caution in the Preface section.

Tighten
60 N·m (44 lb ft)

2

Engine Mount Bracket

Procedure

Transfer components as necessary.