GM Service Manual Online
For 1990-2009 cars only

    Object Number: 2142312  Size: SH

    Note: Engine block plug, oil gallery, and coolant sealing washers may be used again if not bent, scored or otherwise damaged.

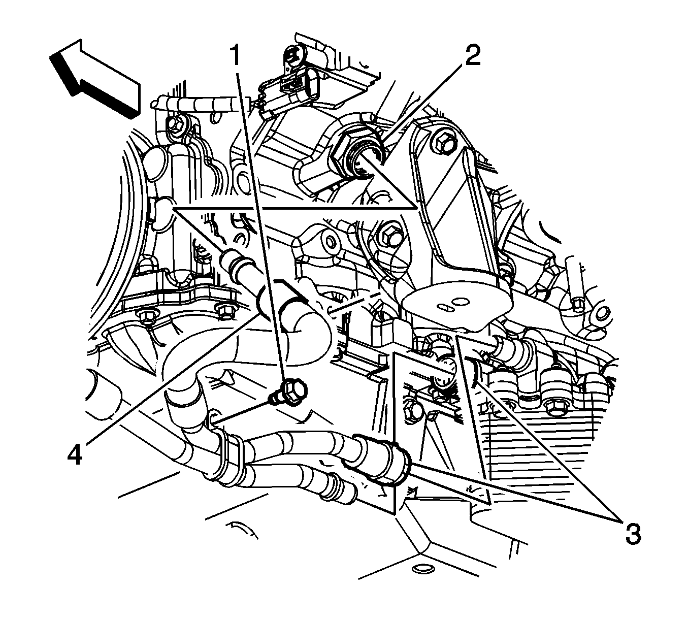
  1. Apply a 3.175 mm (0.125 in) bead of sealant GM P/N 12346004 (Canadian P/N 10953480) to the threads of the engine oil cooler coolant fitting (2). Refer to Adhesives, Fluids, Lubricants, and Sealers.
  2. Caution: Refer to Fastener Caution in the Preface section.

  3. Install the engine oil cooler coolant fitting (2) and tighten to 50 N·m (37 lb ft).

  4. Object Number: 63164  Size: SH
  5. Apply a 3.175 mm (0.125 in) bead of sealant GM P/N 12346004 (Canadian P/N 10953480) to the engine block right rear coolant drain hole plug sealing washer.
  6. Install the engine block right rear coolant drain hole plug and tighten to 60 N·m (44 lb ft).

  7. Object Number: 1552550  Size: SH
  8. Apply a 3.175 mm (0.125 in) bead of sealant GM P/N 12346004 (Canadian P/N 10953480) to the engine block left front oil gallery plug sealing washer (117).
  9. Install the engine block left front oil gallery plug (116) and tighten to 60 N·m (44 lb ft).

  10. Object Number: 1552551  Size: SH
  11. Apply a 3.175 mm (0.125 in) bead of sealant GM P/N 12346004 (Canadian P/N 10953480) to the engine block left rear oil gallery plug sealing washer (113).
  12. Install the engine block left rear oil gallery plug (112) and tighten to 60 N·m (44 lb ft).

  13. Object Number: 63228  Size: MH
  14. Inspect the engine block rear oil gallery plug and O-ring seal. If the O-ring seal on the plug is not cut or damaged, the rear oil gallery plug may be used again.
  15. Lubricate the O-ring seal with clean engine oil.
  16. Install the O-ring seal onto the plug.
  17. Install the engine block rear oil gallery plug into the oil gallery bore. A properly installed block plug will protrude 0.8-1.4 mm (0.0315-0.055 in) beyond the rear face of the block.

  18. Object Number: 1552553  Size: SH
  19. Apply threadlock GM P/N 12345382 (Canadian P/N 10953489) to the sides of the NEW front oil gallery plug (101).

  20. Object Number: 64295  Size: SH
  21. Install a NEW engine block front oil gallery plug. Install the plug into the oil gallery bore 2.2-2.8 mm (0.0086-0.011 in) below flush.

  22. Object Number: 2085694  Size: SH
  23. Install the left side knock sensor (1) and bolt (2) and tighten to 25 N·m (18 lb ft).

  24. Object Number: 1402140  Size: SH
  25. Install the right side knock sensor (718) and bolt (739) and tighten to 25 N·m (18 lb ft).

  26. Object Number: 2085658  Size: SH
  27. Install the piston oil nozzles (1) to the block - 6.2L LS9/LSA.
  28. Tighten the bolts to 20 N·m (15 lb ft).