GM Service Manual Online
For 1990-2009 cars only
Makes
🢒
Cadillac
🢒
2009
🢒
CTS
🢒
Diagnostic Navigation
🢒
Vehicle Diagnostic Information
🢒 Manual Transmission Schematics
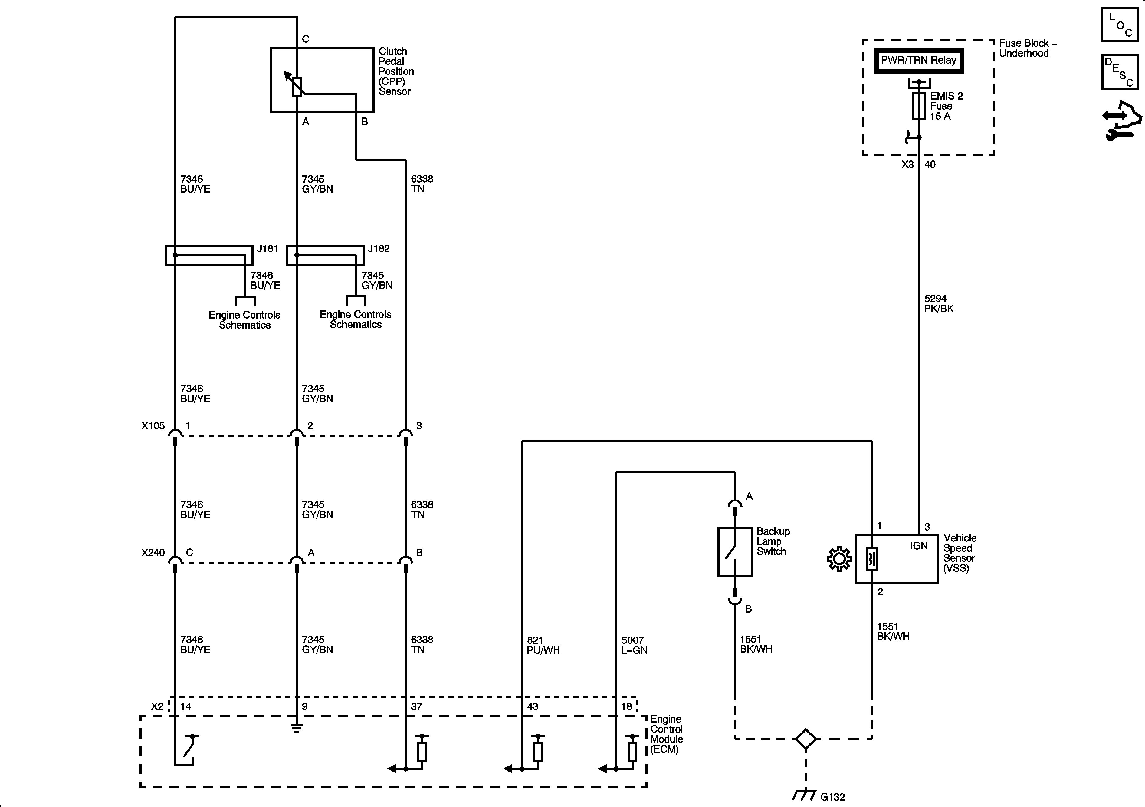
Manual Transmission (MV1) Schematics