GM Service Manual Online
For 1990-2009 cars only
Makes
🢒
Cadillac
🢒
2009
🢒
CTS
🢒
Diagnostic Navigation
🢒
Vehicle Diagnostic Information
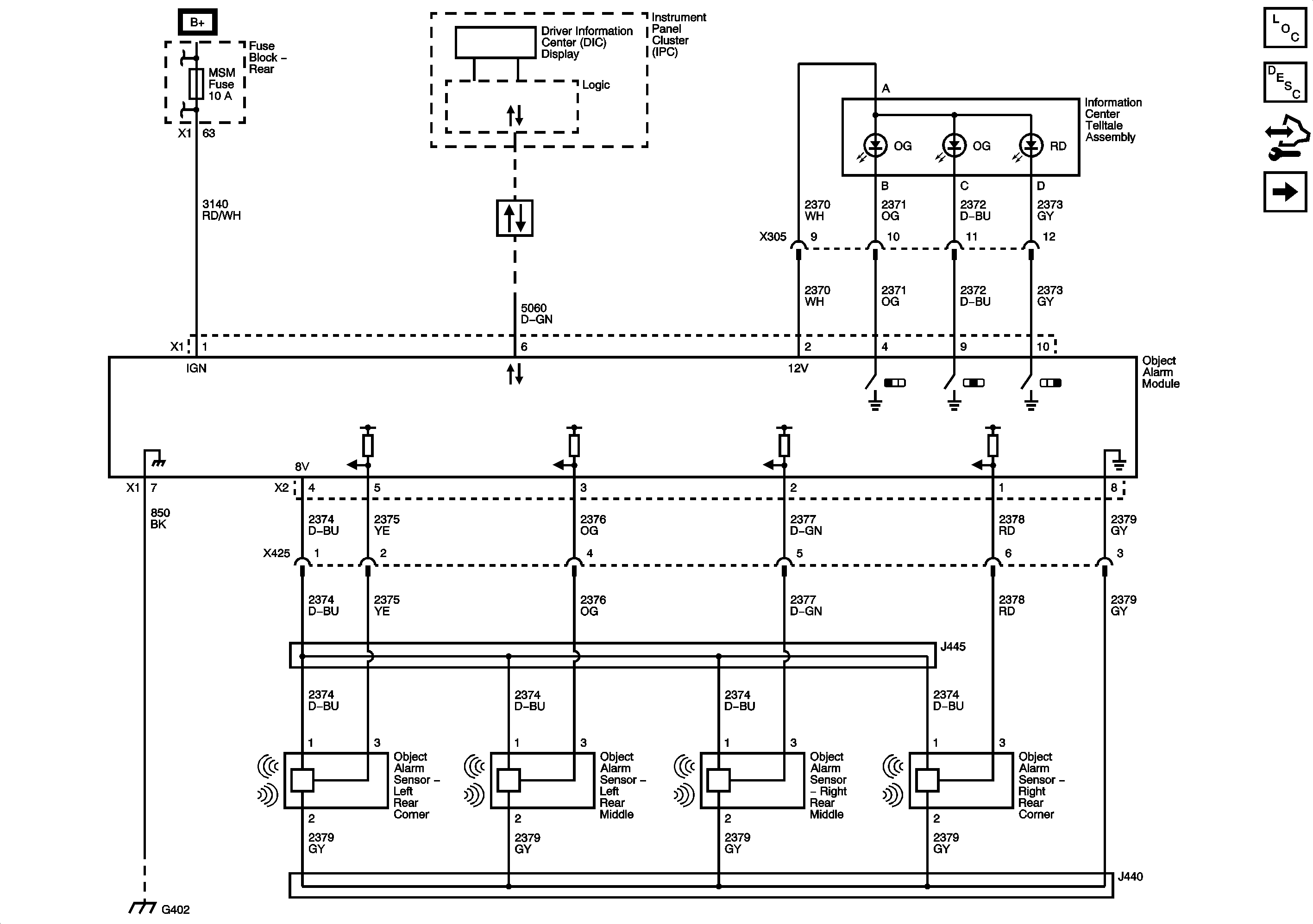
🢒 Object Detection Schematics
Figure
1:
UD7
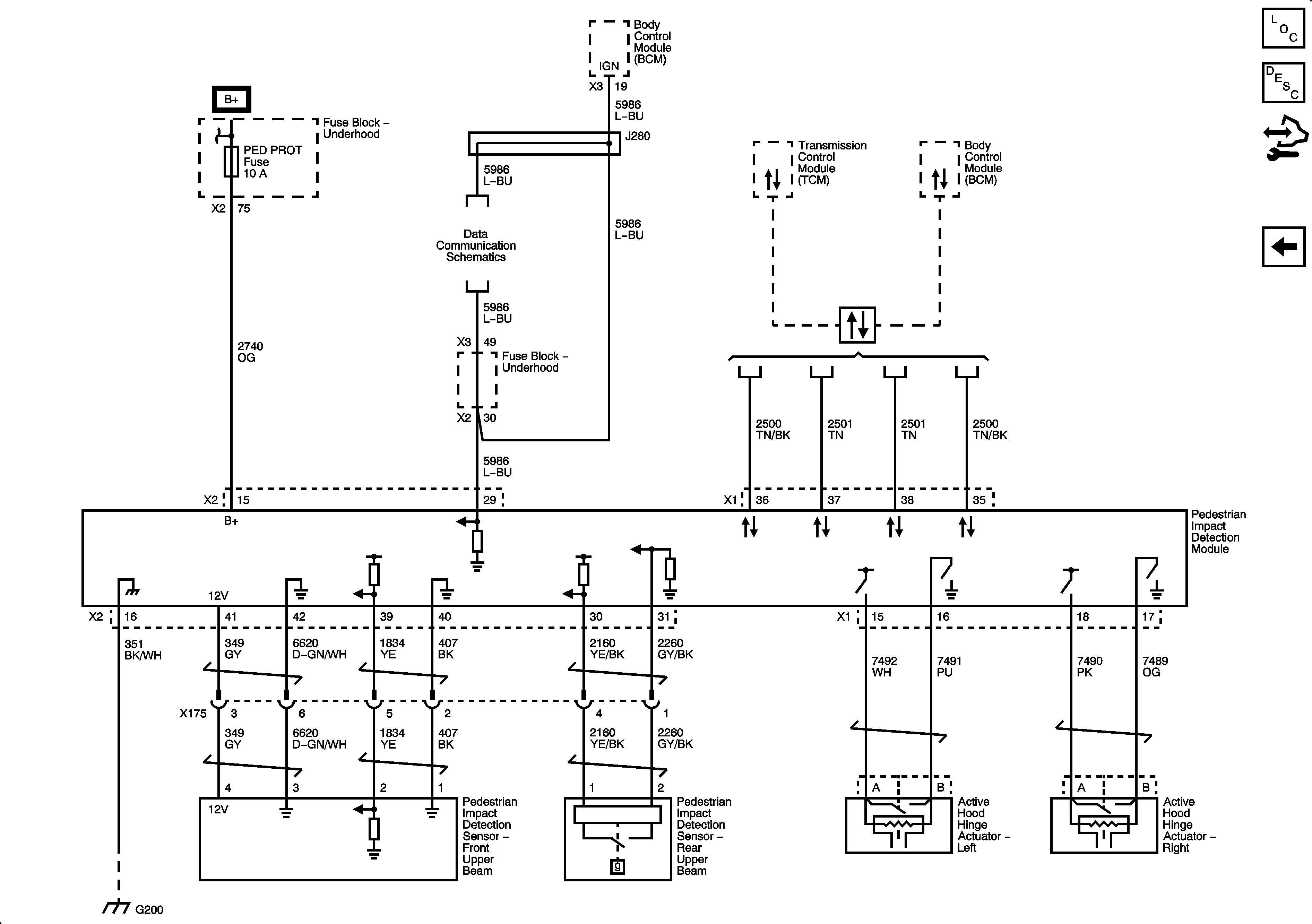
Figure
2:
Pedestrian Impact Detection System -B37