GM Service Manual Online
For 1990-2009 cars only
Makes
🢒
Cadillac
🢒
2009
🢒
CTS
🢒
Diagnostic Navigation
🢒
Vehicle Diagnostic Information
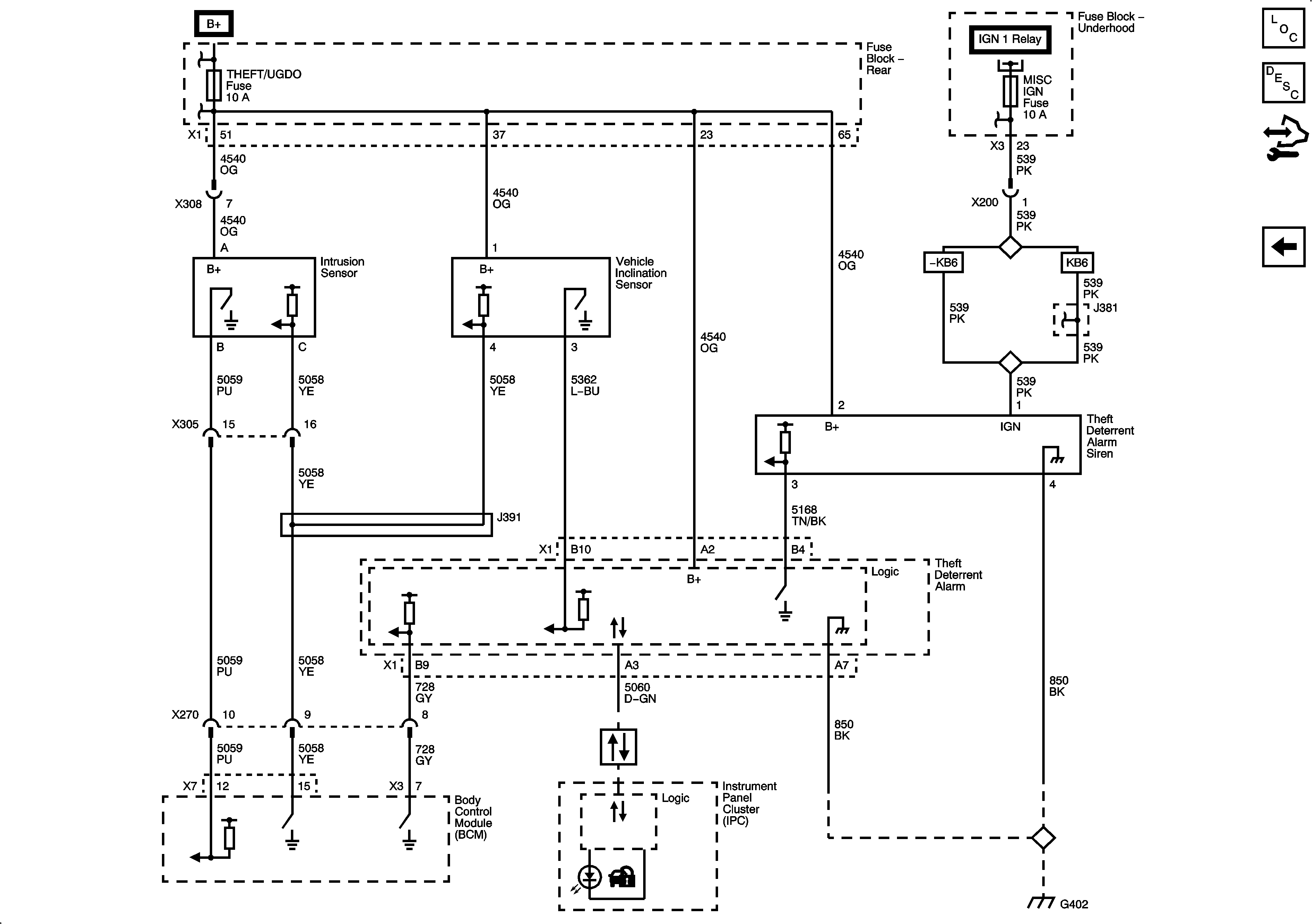
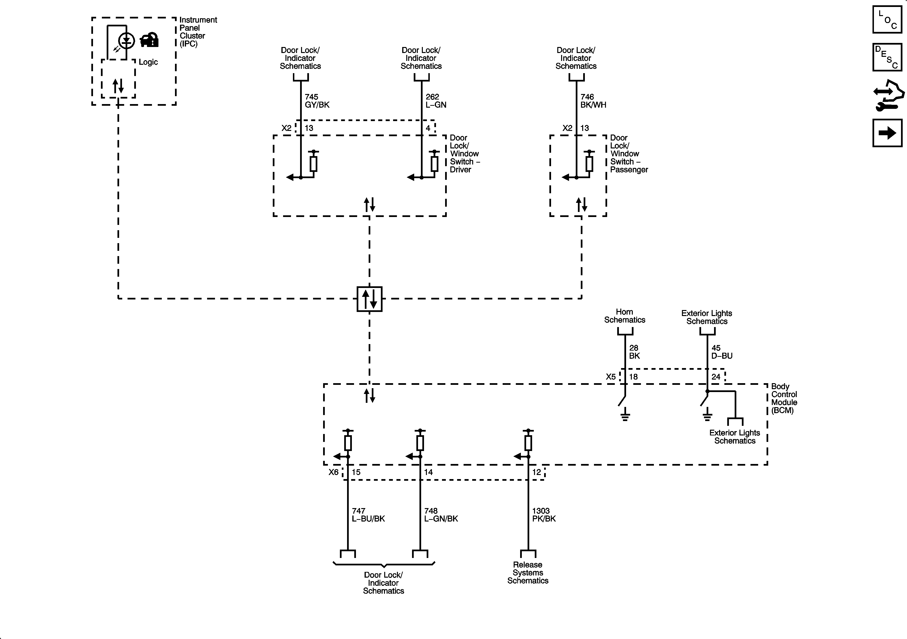
🢒 Theft Deterrent System Schematics
Figure
1:
(-UA2)
Figure
2:
(UA2)