GM Service Manual Online
For 1990-2009 cars only
Makes
🢒
Cadillac
🢒
2009
🢒
CTS
🢒
Diagnostic Navigation
🢒
Vehicle Diagnostic Information
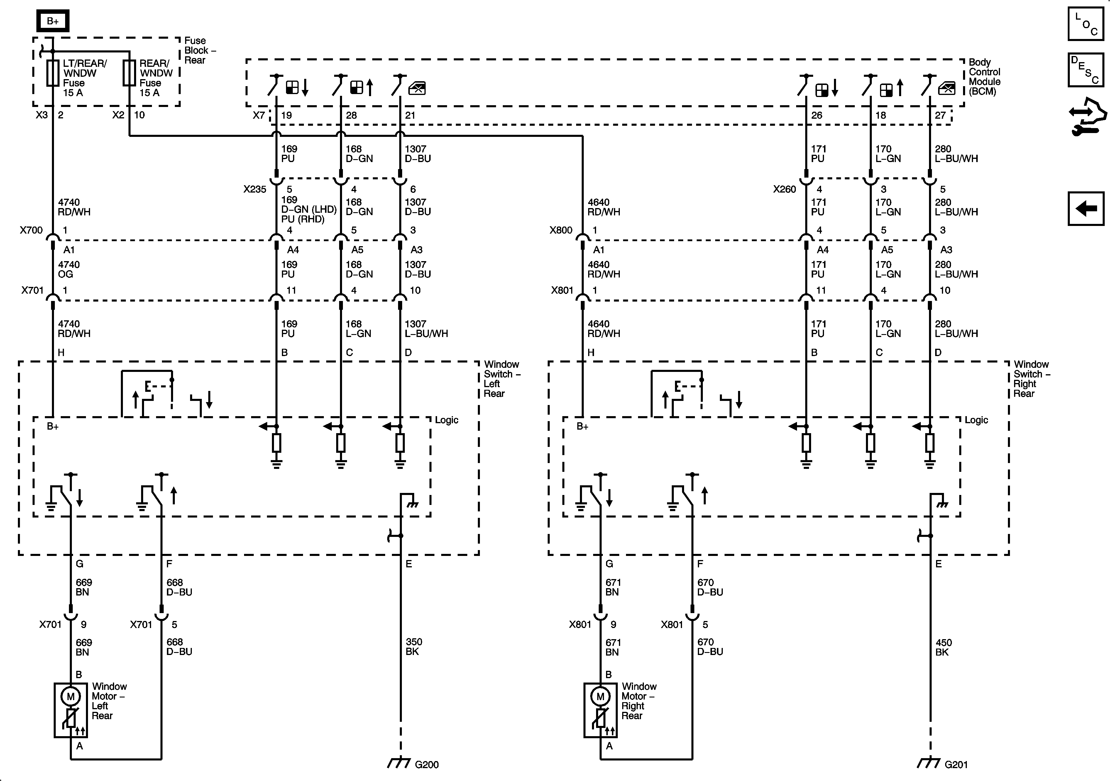
🢒 Moveable Window Schematics
Figure
1:
1 of 2 Front
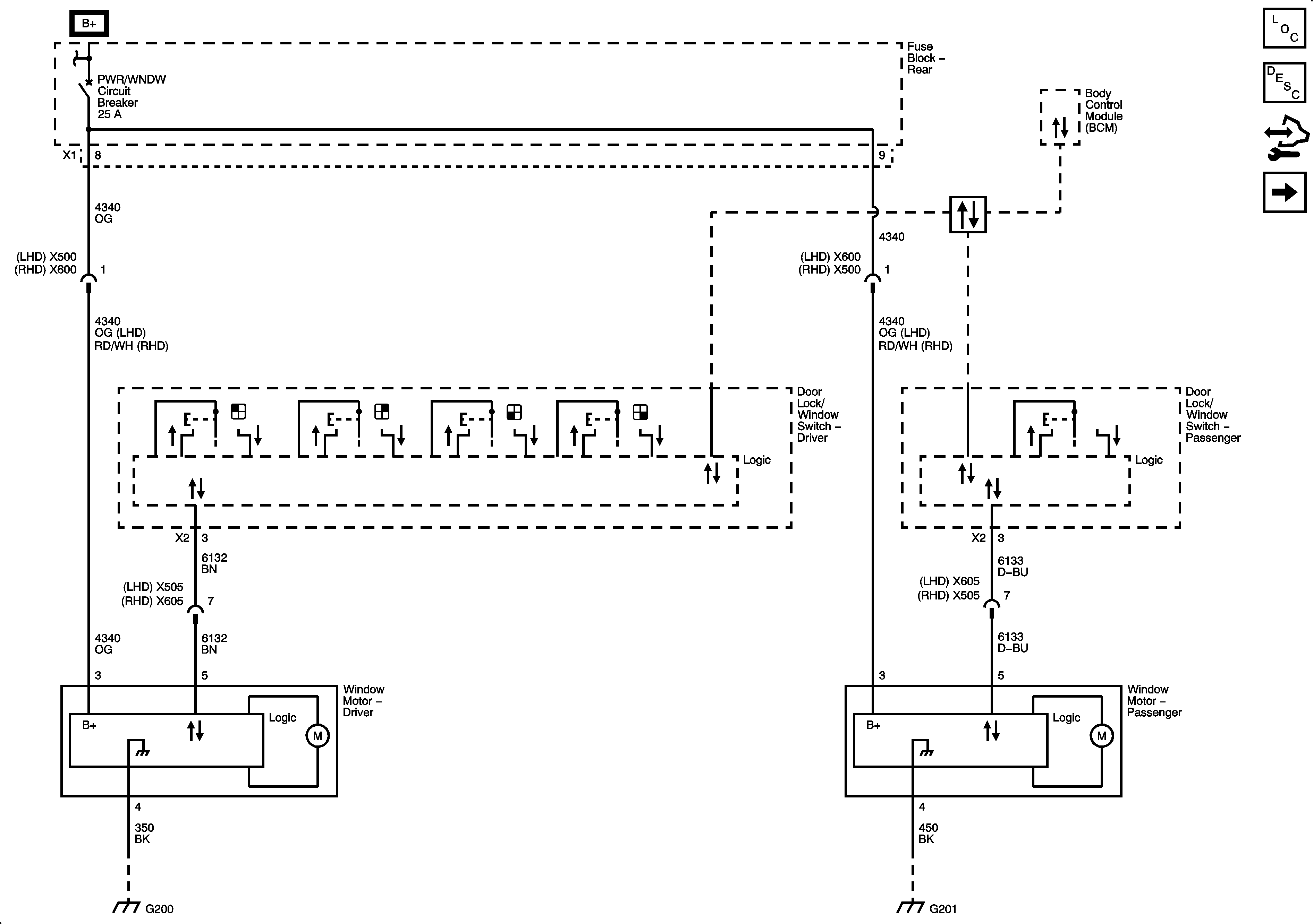
Figure
2:
2 of 2 Rear