GM Service Manual Online
For 1990-2009 cars only
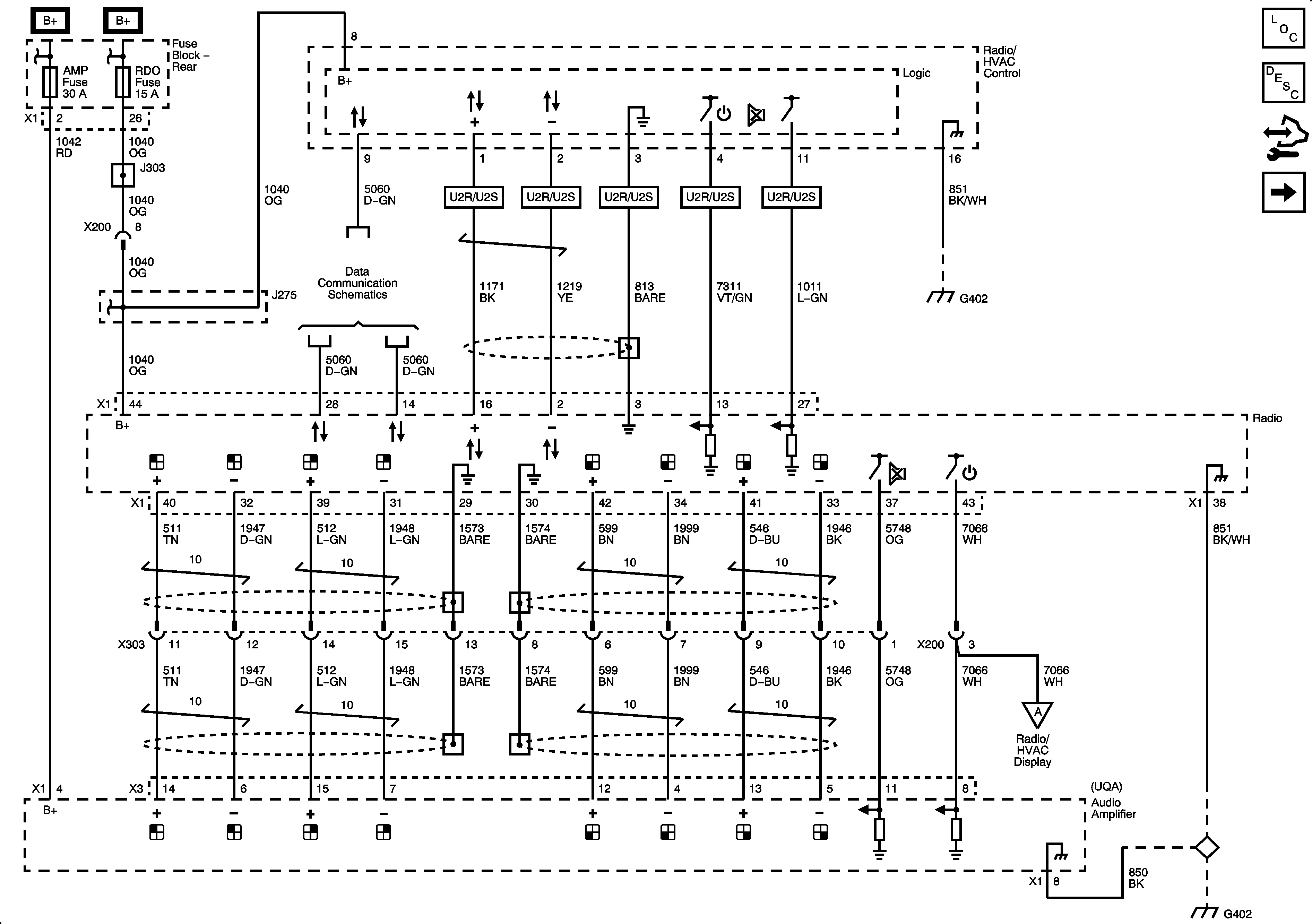
Figure 1:

Radio, Amp, Radio/HVAC Control (U2R/U2S) Power, Ground and Communication (Left Hand Drive with UQA)


Object Number: 2080299  Size: FS
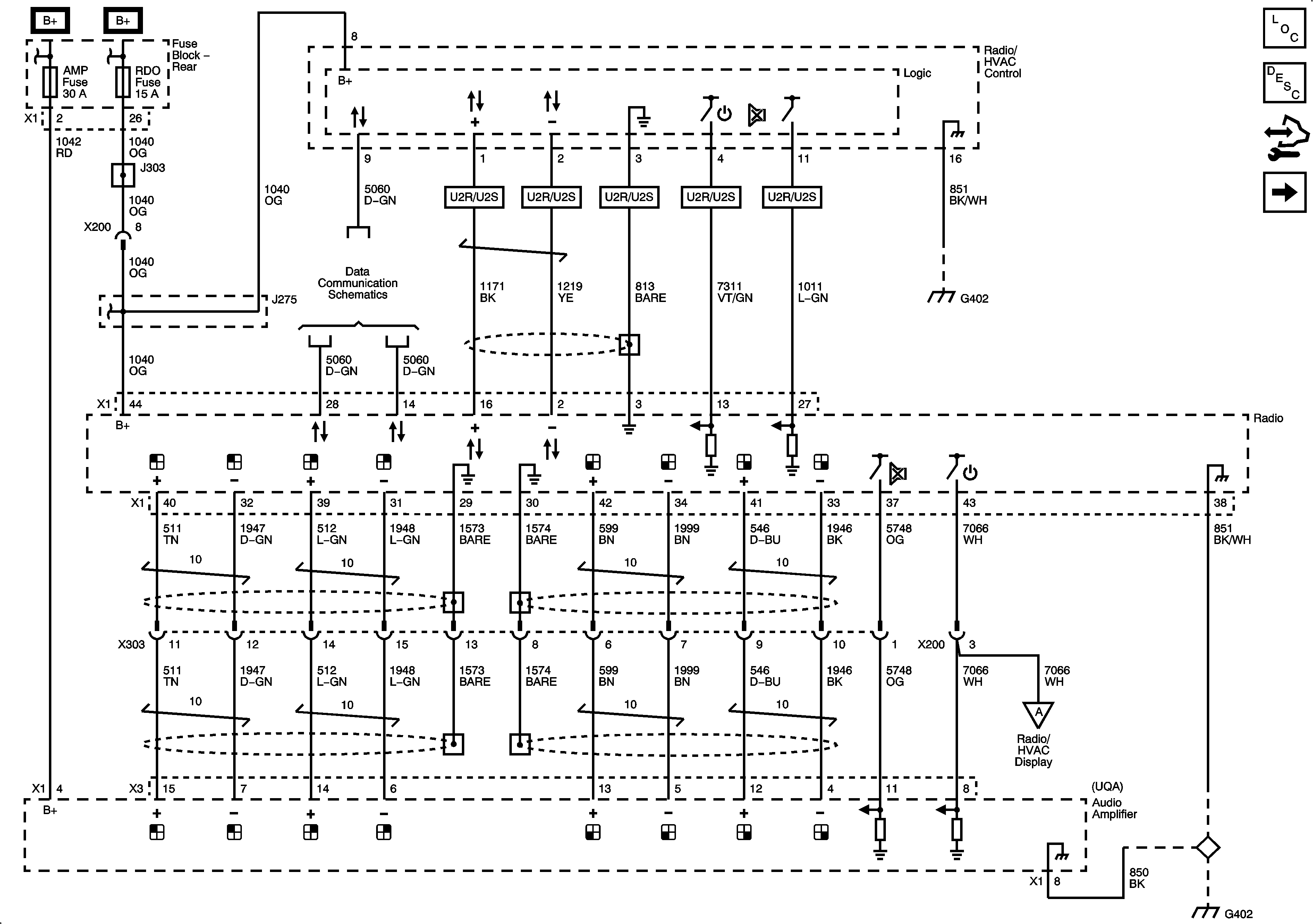
Figure 2:

Radio, Amp, Radio/HVAC Control (U2R/U2S) Power, Ground and Communication (Right Hand Drive with UQA)


Object Number: 2081676  Size: FS
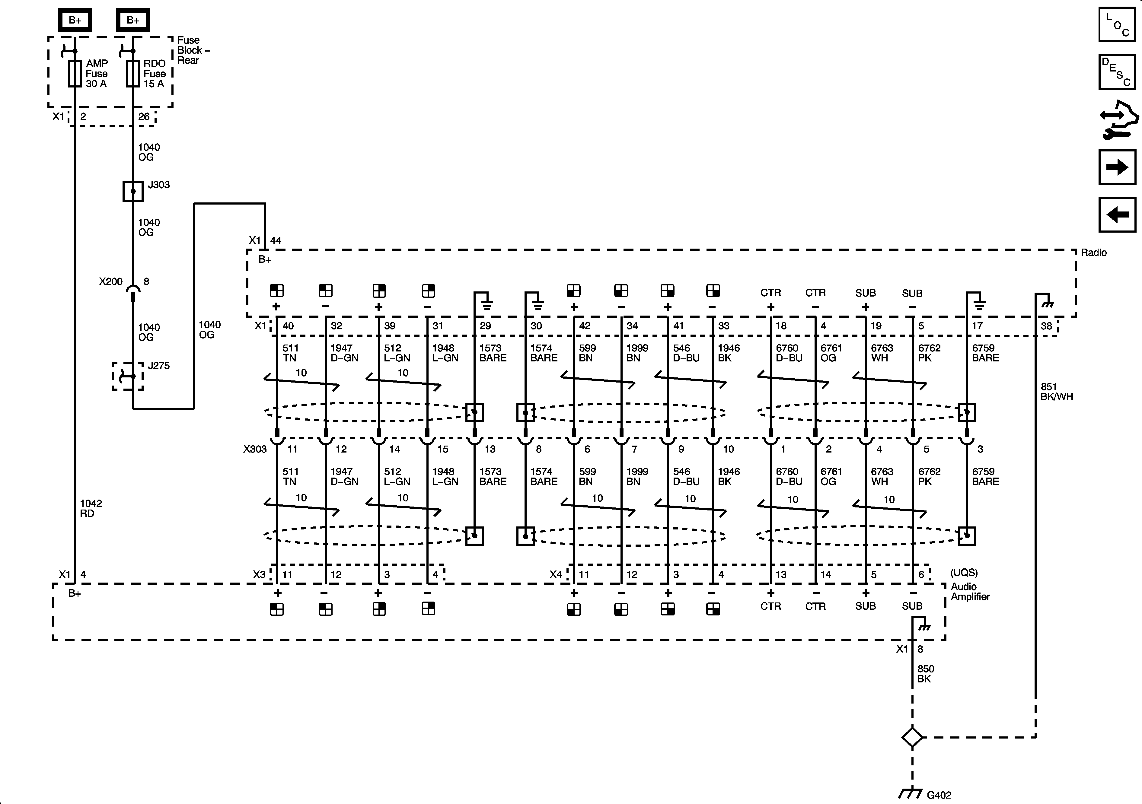
Figure 3:

Radio, Amp Power, Ground and Communication (UQS)


Object Number: 2080675  Size: FS
Figure 4:

Front Speakers (Left Hand Drive with UQA)


Object Number: 2080678  Size: FS
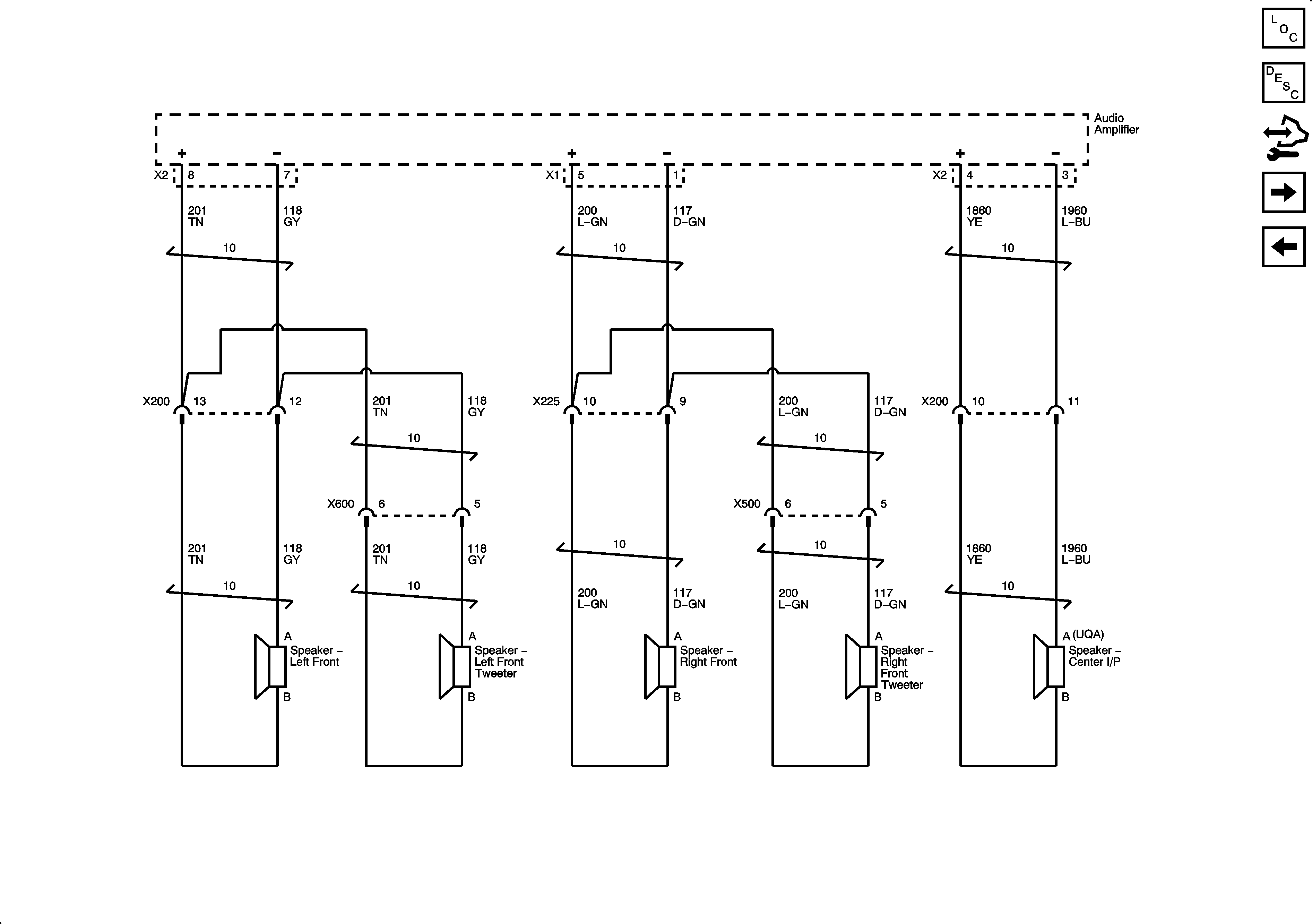
Figure 5:

Front Speakers (Right Hand Drive with UQA)


Object Number: 2081816  Size: FS
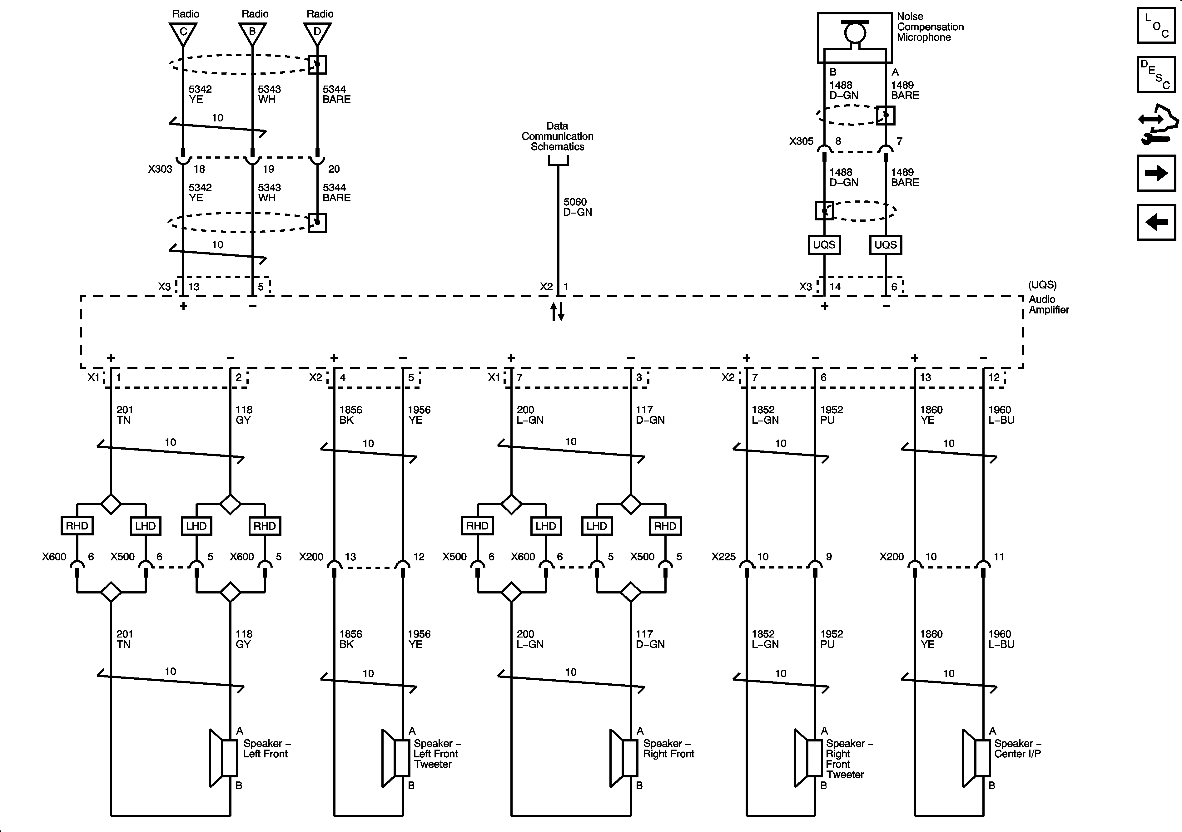
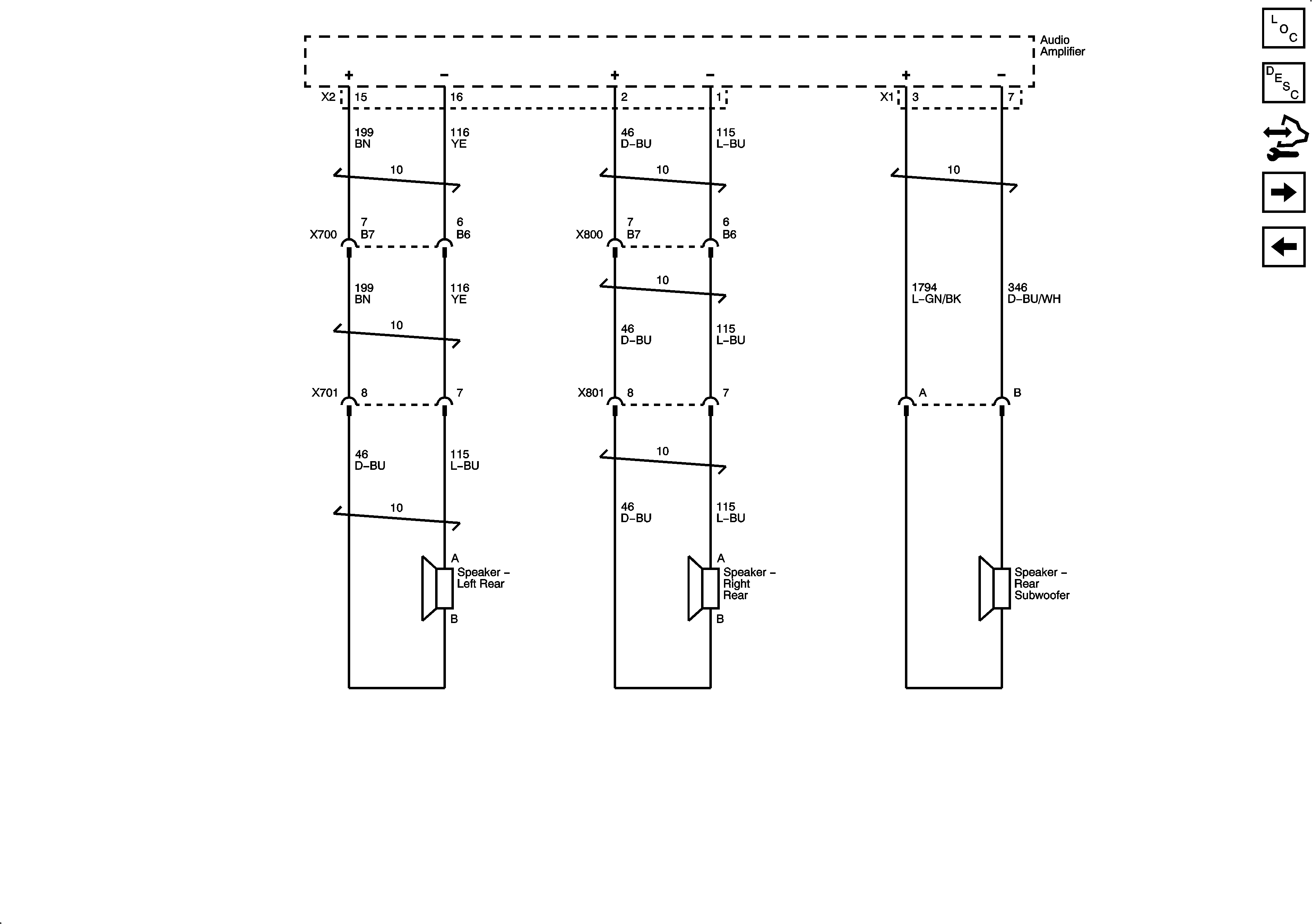
Figure 6:

Rear Speakers (UQA)


Object Number: 2080681  Size: FS
Figure 7:

Noise Compensation Microphone, Navigation Audio Inputs, and Speakers (UQS) 1 of 2


Object Number: 2080683  Size: FS
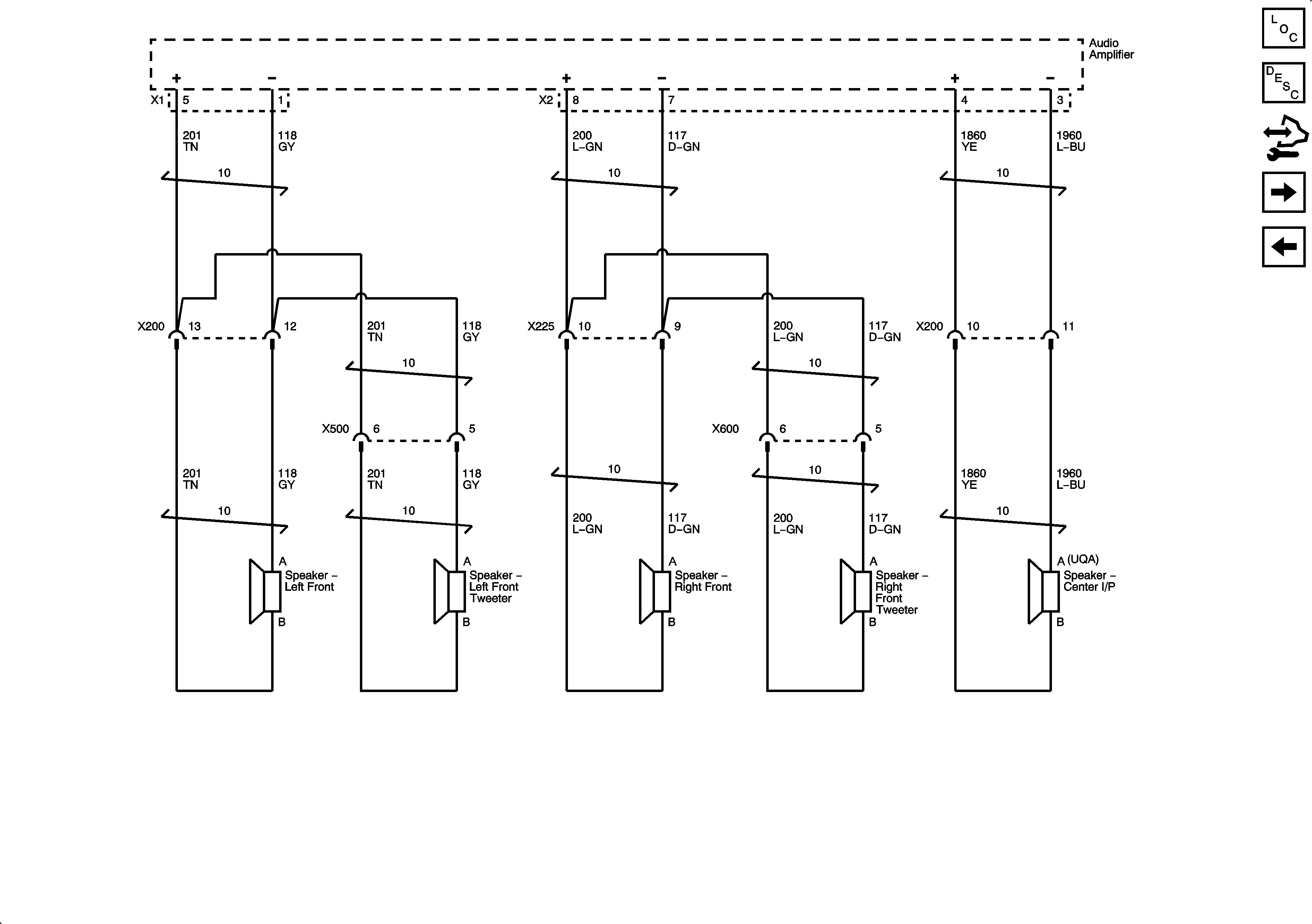
Figure 8:

Speakers (UQS) 2 of 2


Object Number: 2080686  Size: FS
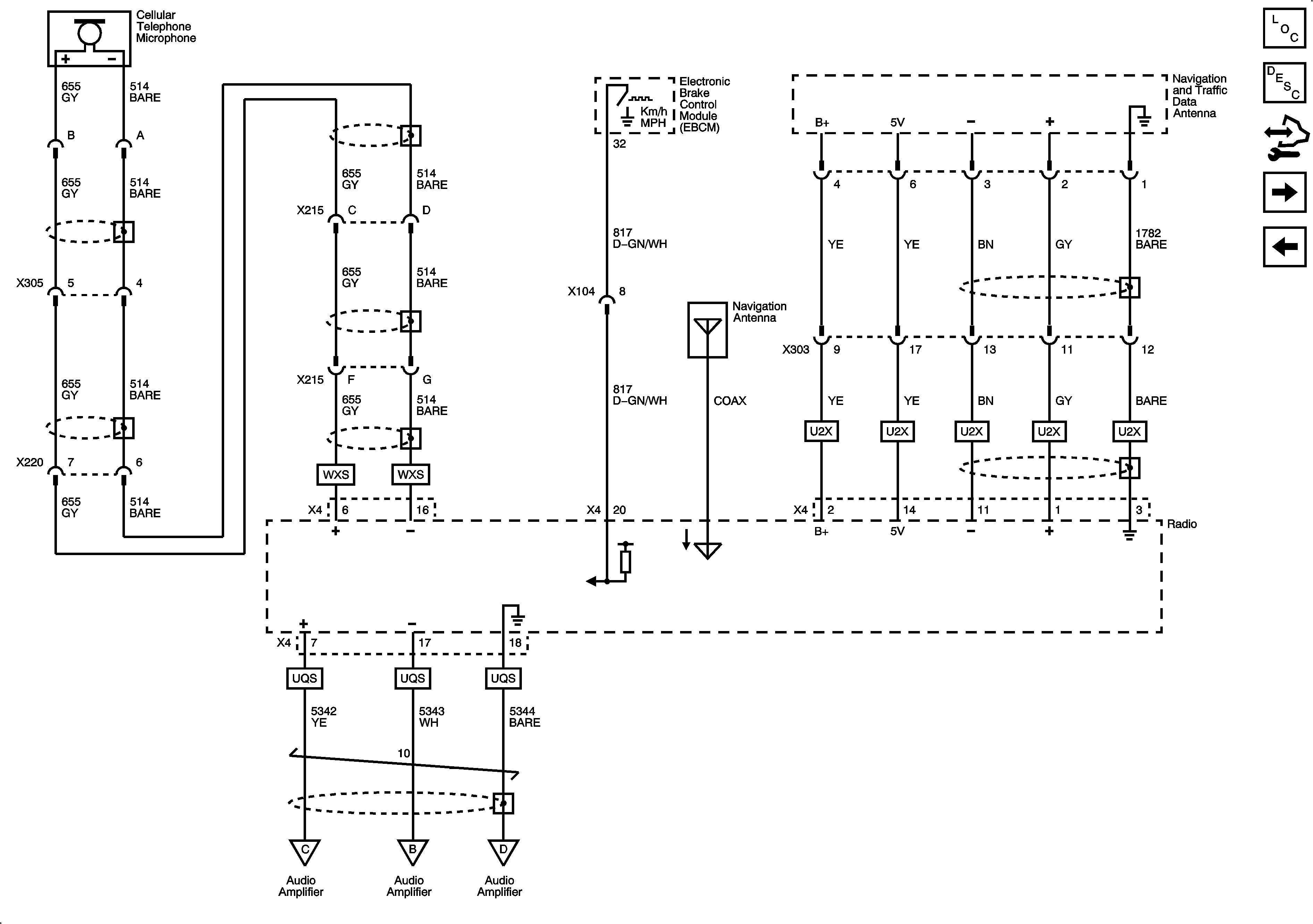
Figure 9:

Cellular/Navigation Microphone, Traffic Receiver (U2X)


Object Number: 2080688  Size: FS
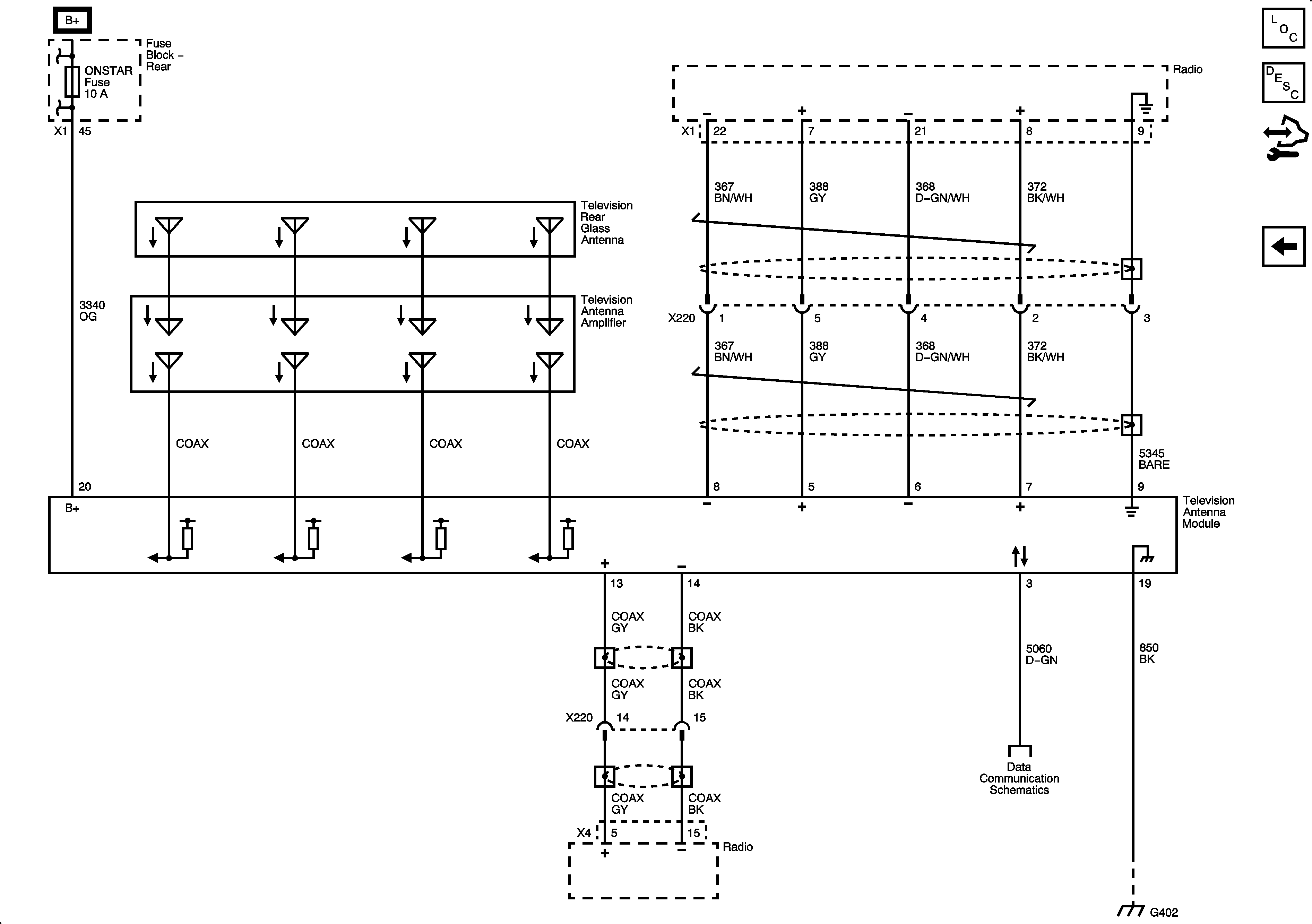
Figure 10:

Antenna Signals


Object Number: 2080692  Size: FS
Figure 11:

Radio/HVAC Display


Object Number: 2080695  Size: FS
Figure 12:

U2X/U2Y


Object Number: 2081287  Size: FS