GM Service Manual Online
For 1990-2009 cars only
Figure 1:

B+ Bus 1 of 2


Object Number: 2081066  Size: FS
Figure 2:

B+ Bus 2 of 2


Object Number: 2081068  Size: FS
Figure 3:

ABS, ABS MTR, BCM 2, BCM 3, BCM 4, BCM 5, BCM 6, BCM 7, DISPLAY, HTD WASH, NAV MTR, and TCM BATT Fuses


Object Number: 2081073  Size: FS
Figure 4:

AFS, AWD, BCM1, BLWR, CIG, PED PRO, PWR MODING, and TRANS PUMP Fuses


Object Number: 2081076  Size: FS
Figure 5:

AIRBAG, AMP, AUX OUTLET, CNSTR/VENT, ECM, MSM, ONSTAR, RDO/SPKR, REAR FOG, REAR/WNDW, RKE/PASS-KEY/MDL, and RVC/SNSR Fuses


Object Number: 2081080  Size: FS
Figure 6:

LT/REAR/WNDW, PDM, RDO, SPARE, THEFT/UGDO, and TRUNK RELSE Fuses, LF/FRT/PWR/SEAT, PWR CLMN and RT/FRT/PWR/SEAT Circuit Breakers


Object Number: 2081084  Size: FS
Figure 7:

DR/LCK, FUEL PUMP, RT/POS/LP, S/ROOF and STOP/LP Fuses, PWR/WNDW Circuit Breaker


Object Number: 2081090  Size: FS
Figure 8:

Ignition Switch


Object Number: 2081094  Size: FS
Figure 9:

ECM/TCM, MISC IGN 1 of 2 and SIR IGN Fuses, IGN I/II and II/III


Object Number: 2081101  Size: FS
Figure 10:

MISC IGN Fuse 2 of 2


Object Number: 2081105  Size: FS
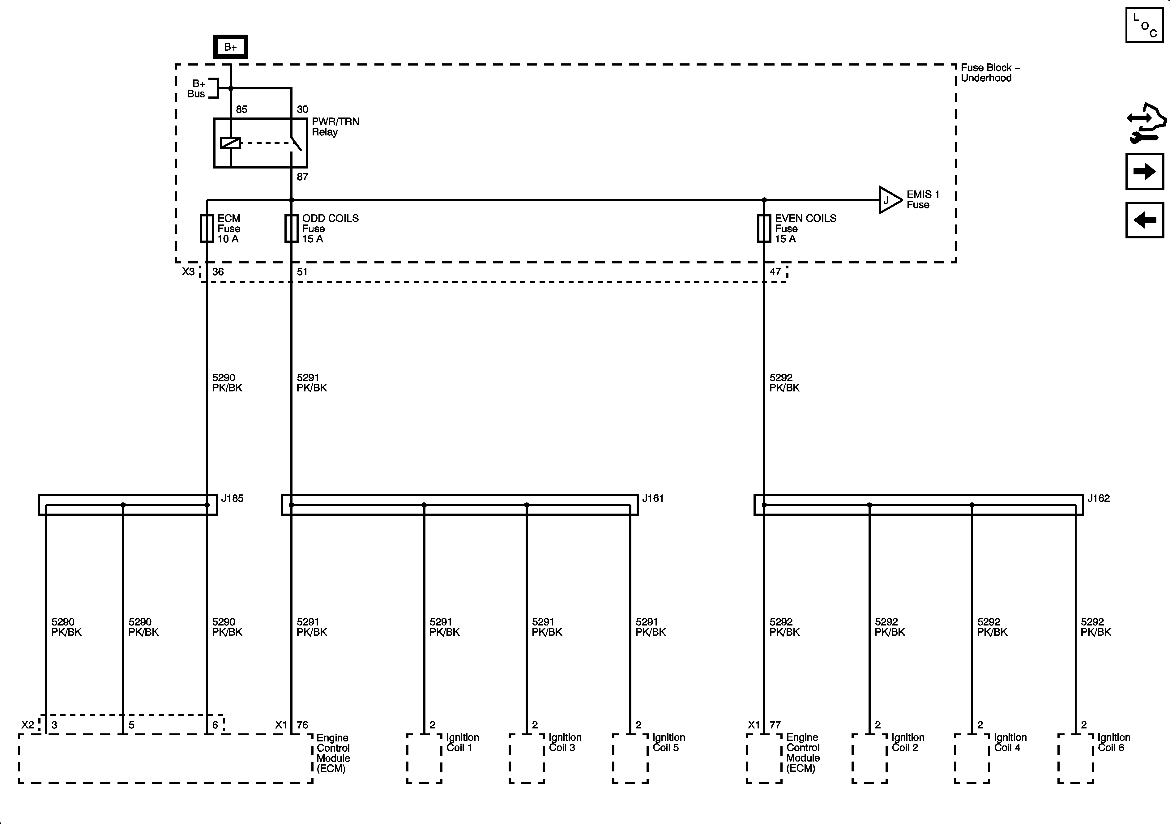
Figure 11:

EVEN COILS, ODD COILS and SPEED SNSR Fuses - LLT


Object Number: 2081109  Size: FS
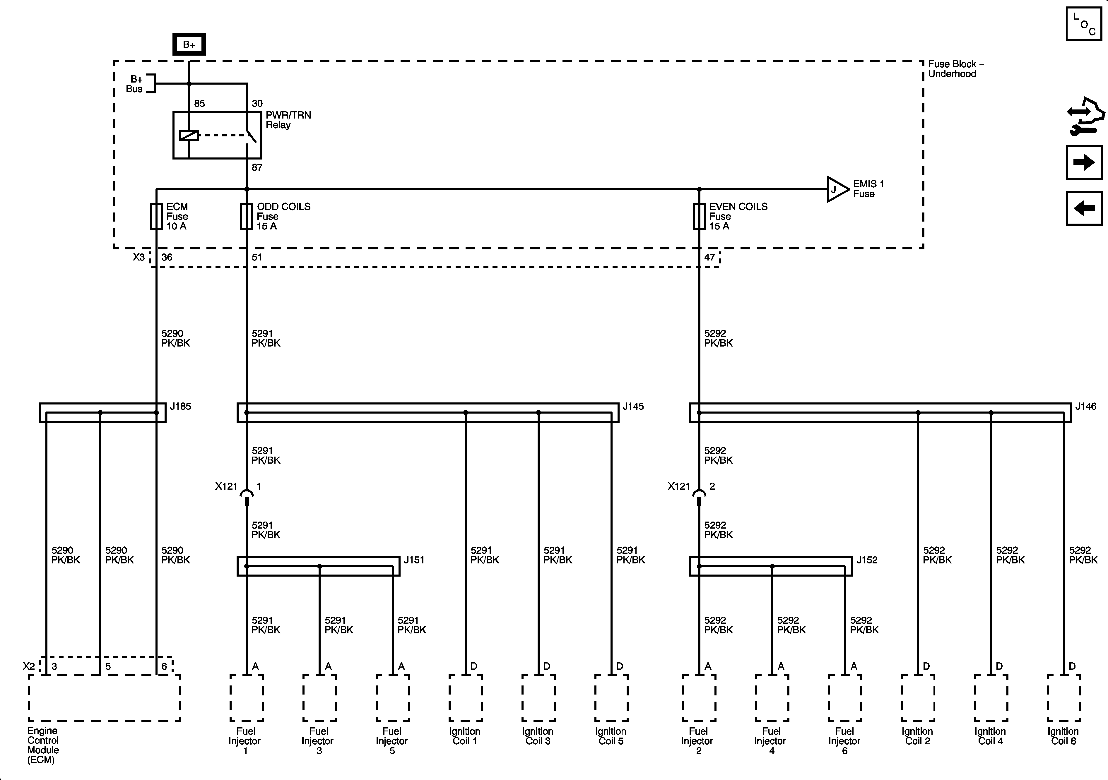
Figure 12:

EVEN COILS, ODD COILS and SPEED SNSR Fuses - LP1/LY7


Object Number: 2081113  Size: FS
Figure 13:

EMISSION 1 and EMISSION 2 Fuses


Object Number: 2081116  Size: FS
Figure 14:

DRL, DRL RT, LO BEAM DRL LH, LT HI BEAM, LT LO BEAM, RT HI BEAM and RT LO Fuses


Object Number: 2081122  Size: FS
Figure 15:

LT/POS/LP and RT/POS/LP Fuses


Object Number: 2081135  Size: FS