GM Service Manual Online
For 1990-2009 cars only
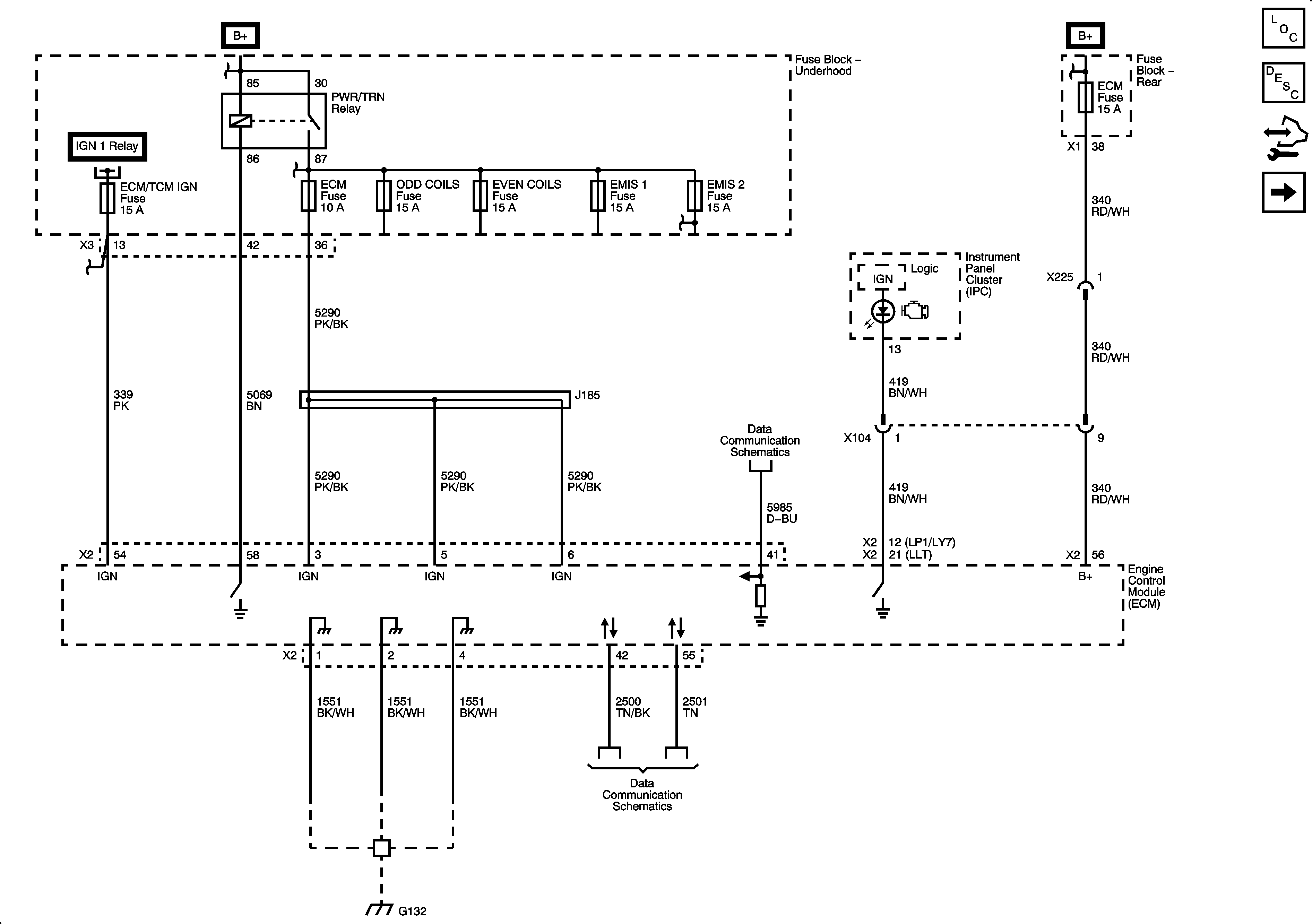
Figure 1:

Module Power, Ground, Serial Data and MIL


Object Number: 2077218  Size: FS
Figure 2:

5-Volt and Low Reference - 1 of 2


Object Number: 2077220  Size: FS
Figure 3:

5-Volt and Low Reference - 2 of 2


Object Number: 2077221  Size: FS
Figure 4:

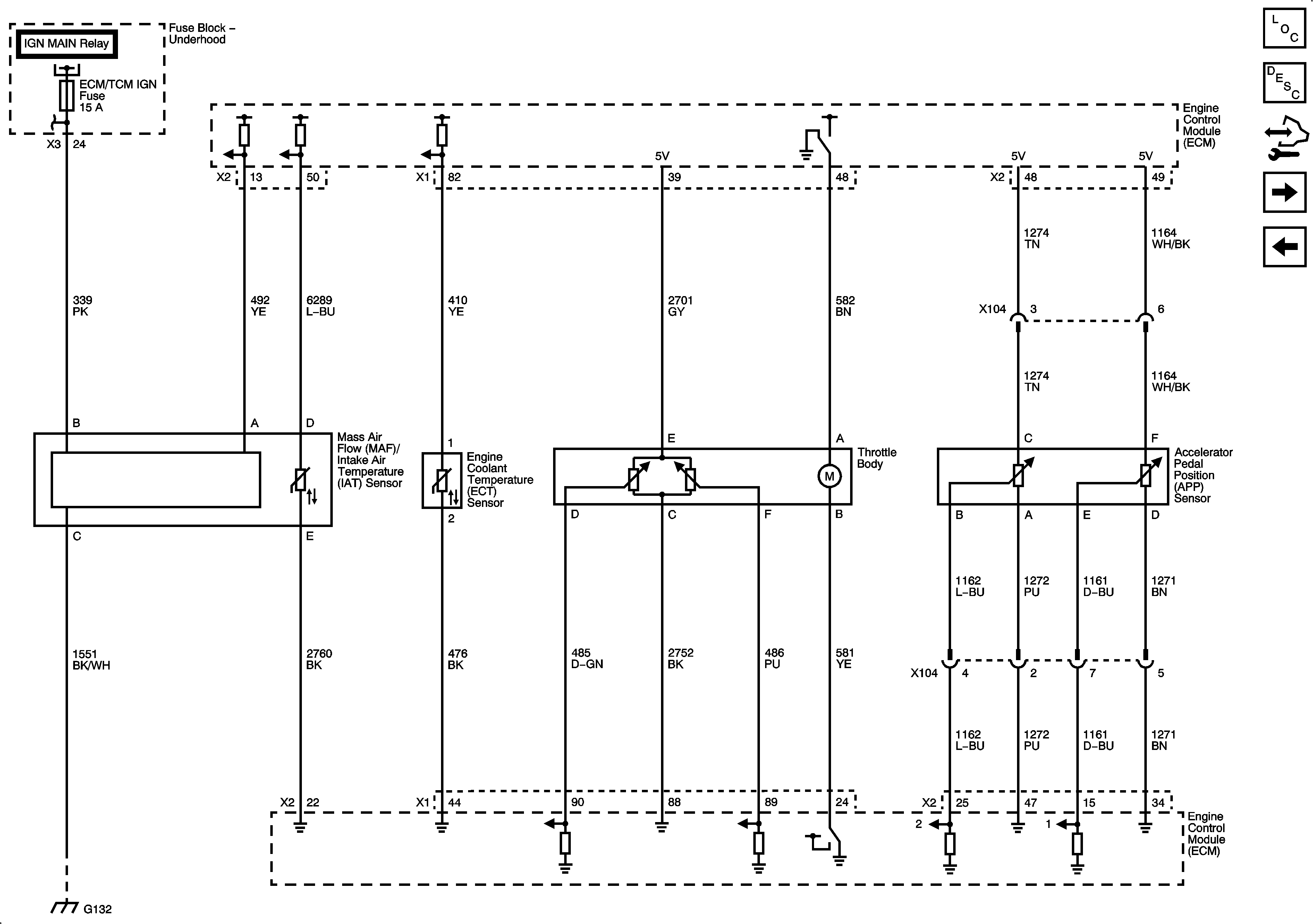
Engine Data Sensors - Pressure, Temperature, and Throttle Controls


Object Number: 2077222  Size: FS
Figure 5:

Engine Data Sensors - HO2S


Object Number: 2077223  Size: FS
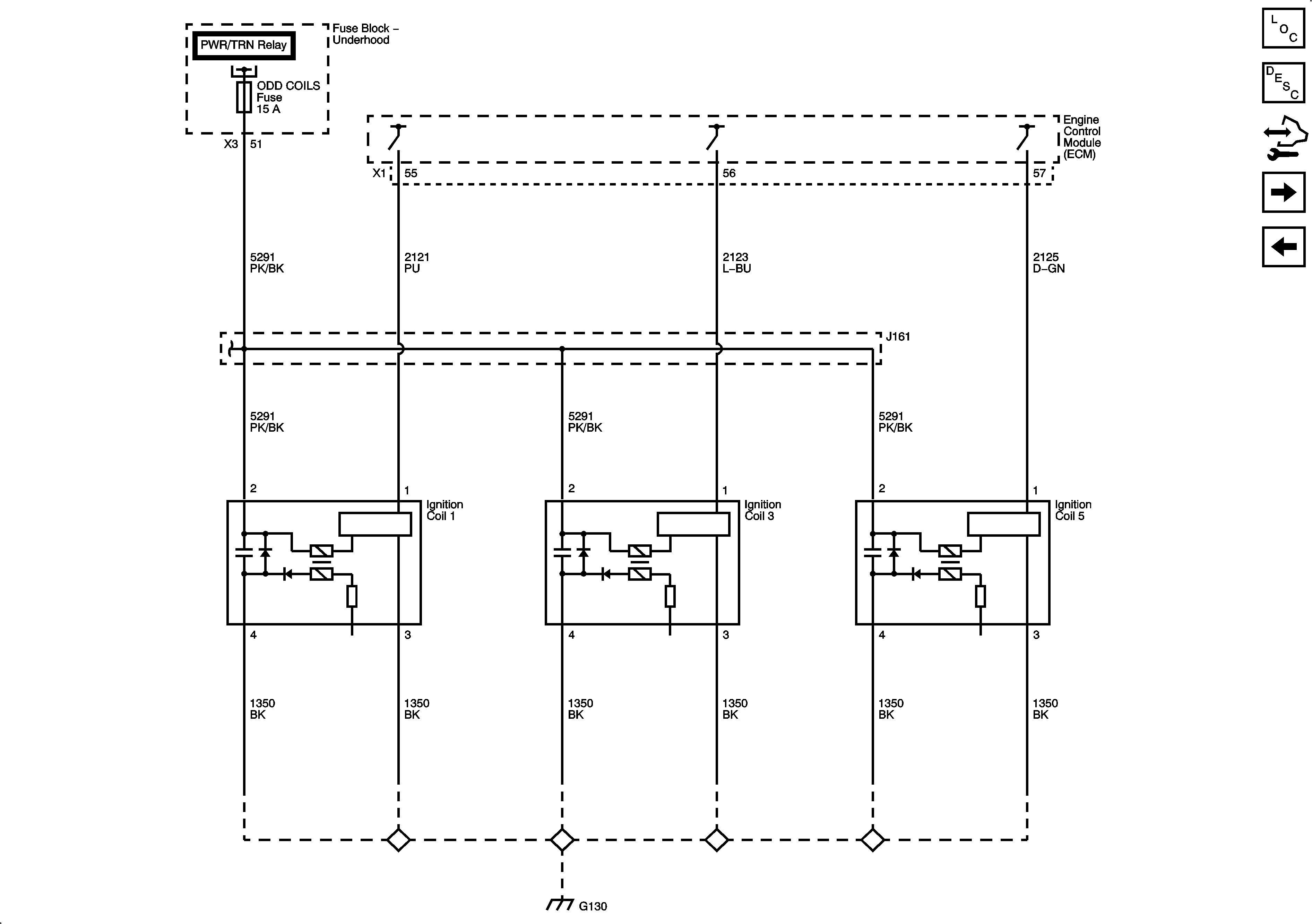
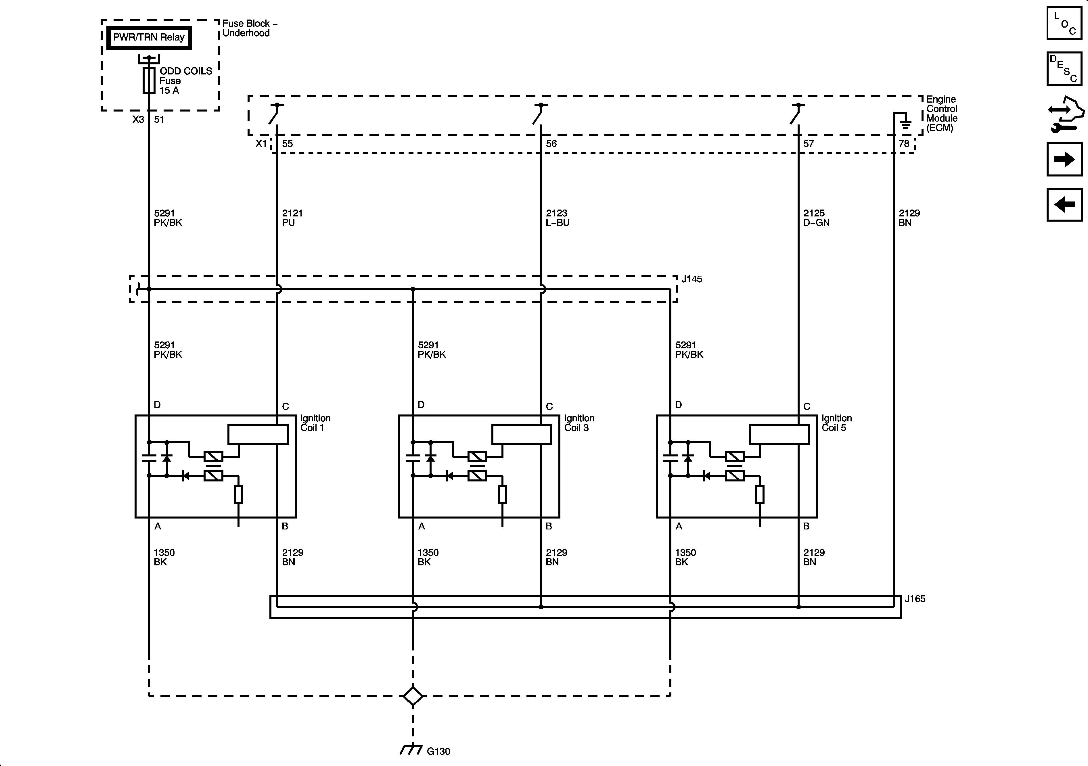
Figure 6:

Ignition Controls - Ignition System Coils 1, 3, and 5 - LLT


Object Number: 2077225  Size: FS
Figure 7:

Ignition Controls - Ignition System Coils 1, 3, and 5 - LP1/LY7


Object Number: 2077226  Size: FS
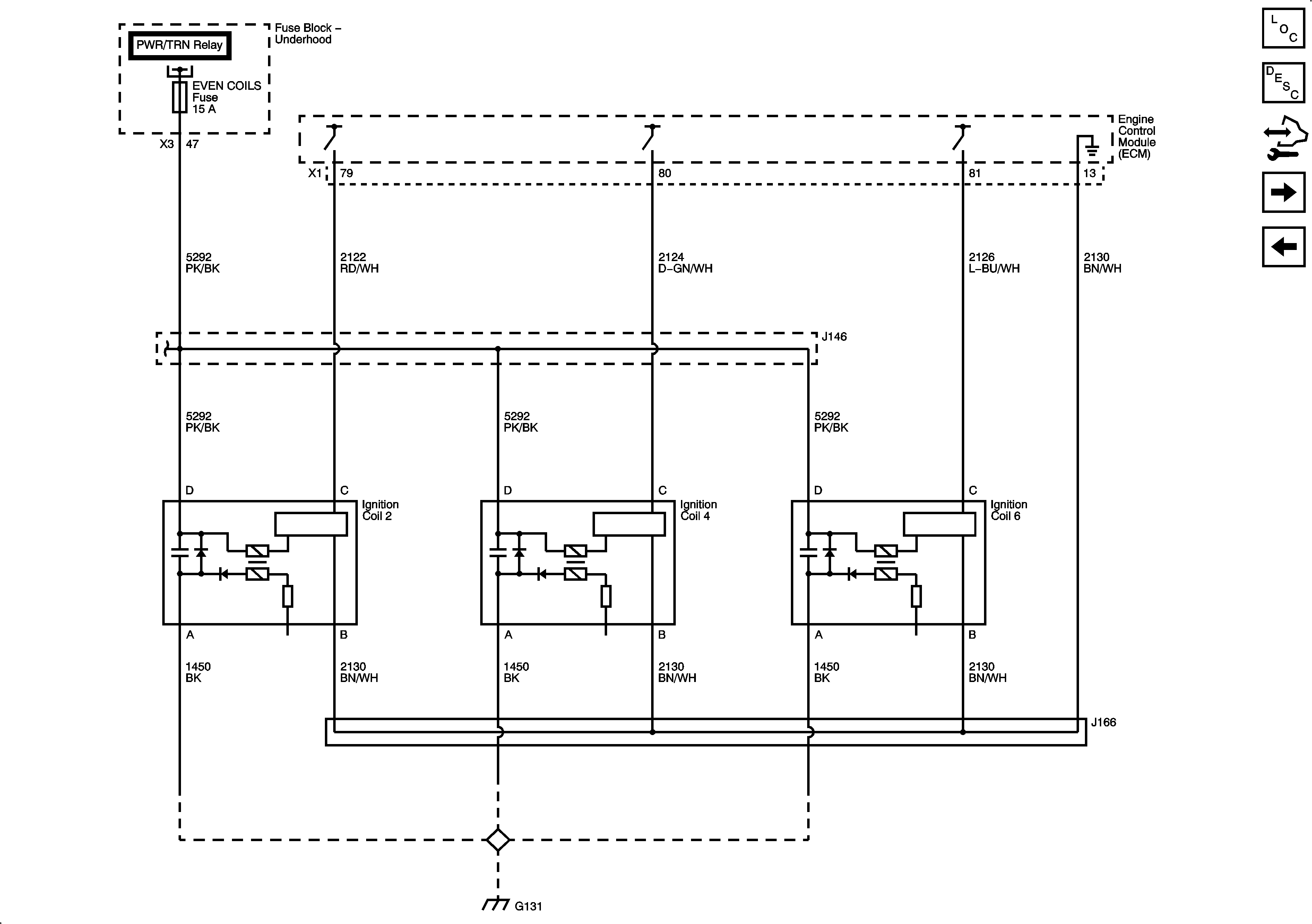
Figure 8:

Ignition Controls - Ignition System Coils 2, 4, and 6 - LLT


Object Number: 2077228  Size: FS
Figure 9:

Ignition Controls - Ignition System Coils 2, 4, and 6 - LP1/LY7


Object Number: 2077229  Size: FS
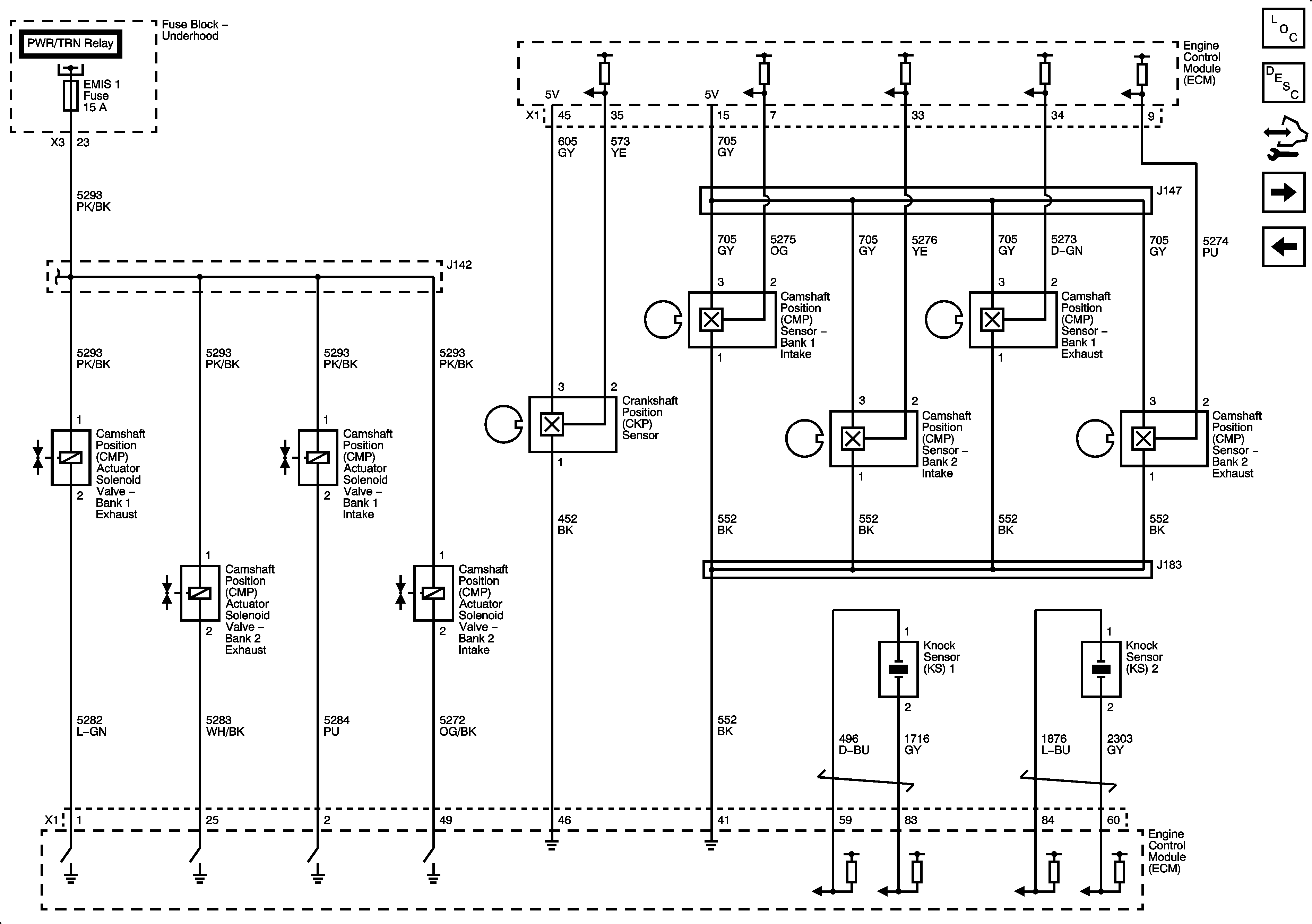
Figure 10:

Ignition Controls - Sensors


Object Number: 2077230  Size: FS
Figure 11:

Fuel Controls - Fuel Injectors, Pressure and Fuel Pump Controls - LLT


Object Number: 2077231  Size: FS
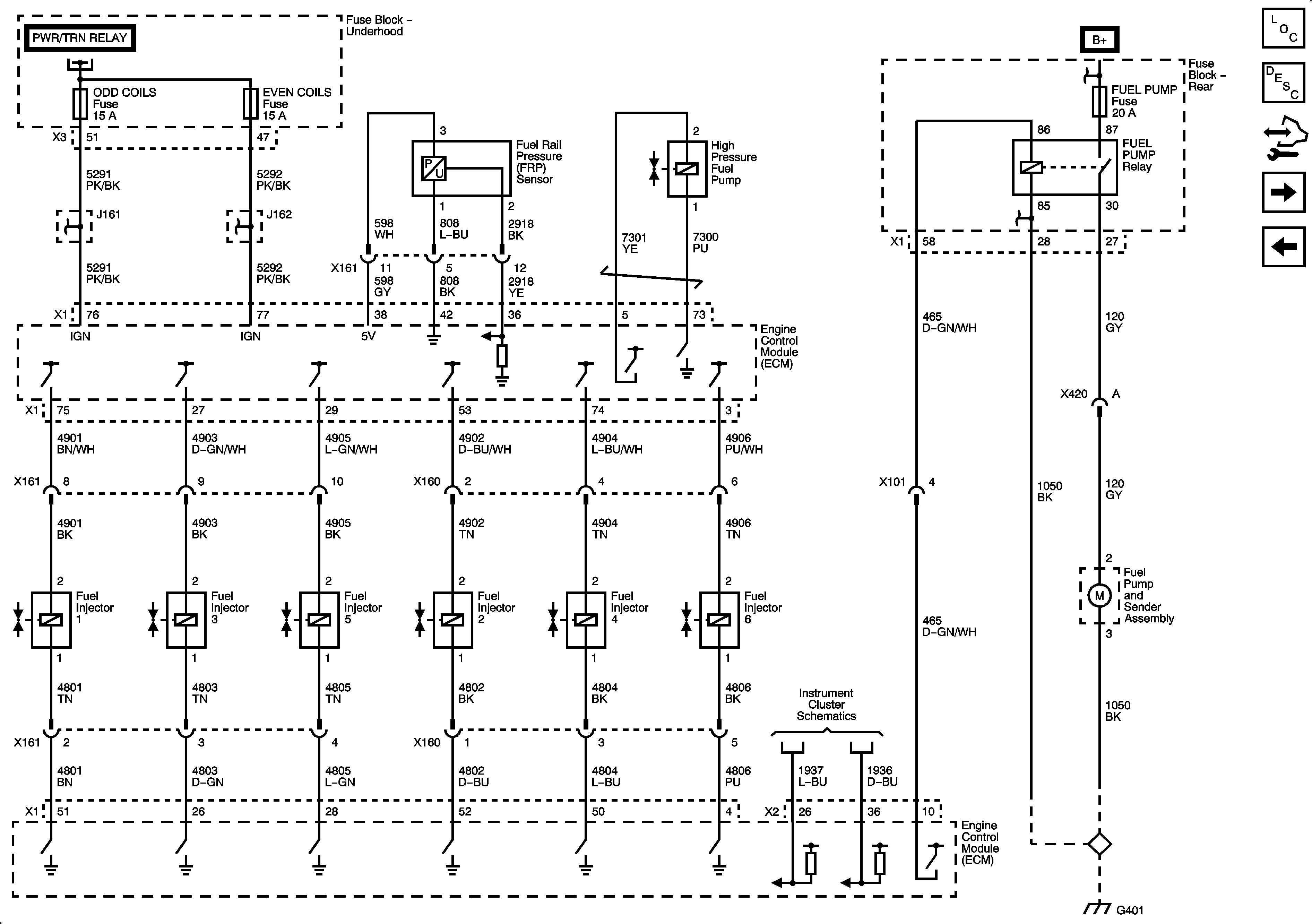
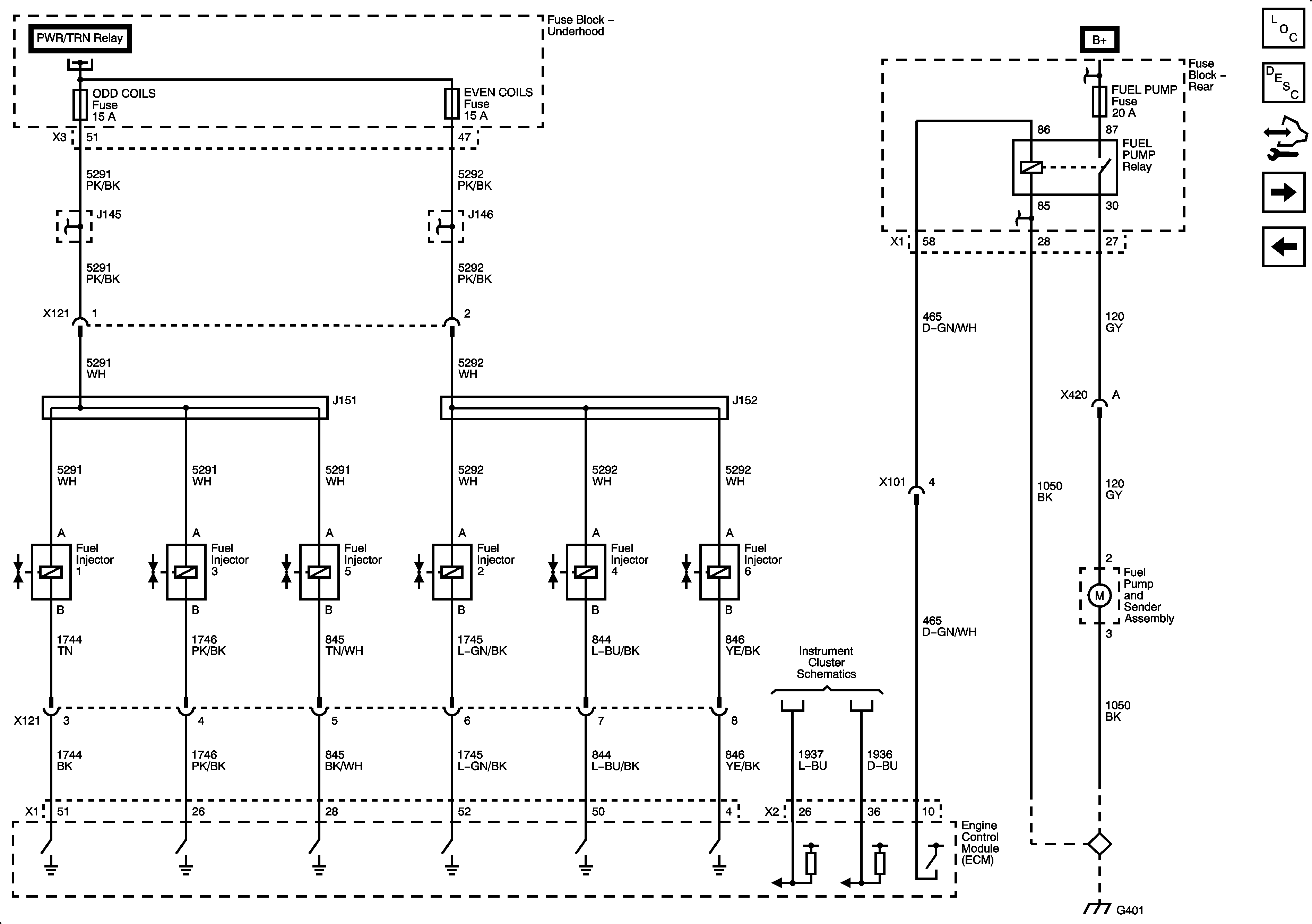
Figure 12:

Fuel Controls - Fuel Injectors and Fuel Pump Controls - LP1/LY7


Object Number: 2077232  Size: FS
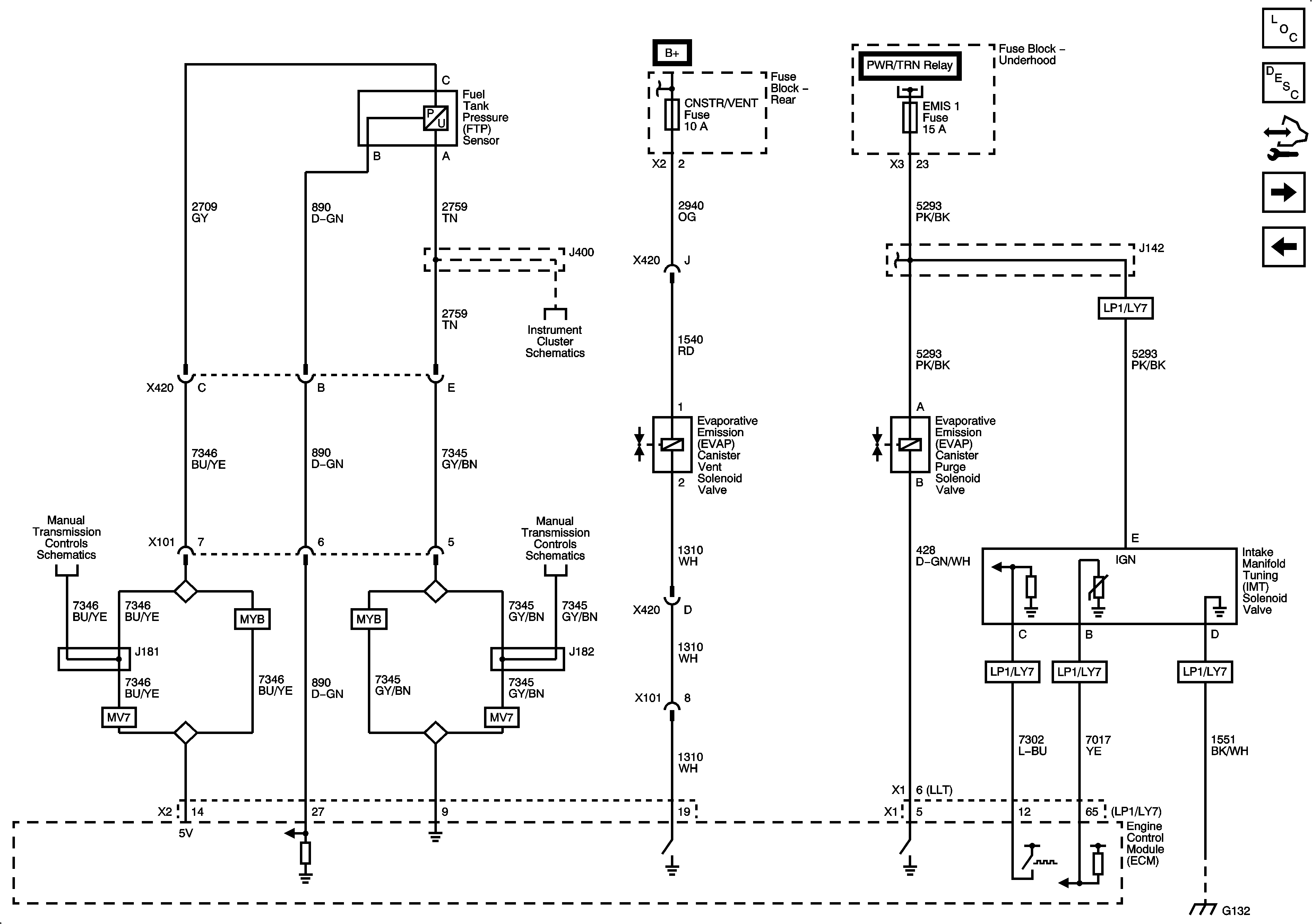
Figure 13:

Fuel Controls - EVAP Controls and Manifold Tuning


Object Number: 2077233  Size: FS
Figure 14:

Monitored/Controlled Subsystem References


Object Number: 2077234  Size: FS