GM Service Manual Online
For 1990-2009 cars only

Removal Procedure

  1. Raise and support the vehicle. Refer to Lifting and Jacking the Vehicle.
  2. Remove the rear differential cooler assembly. Refer to Differential Oil Cooler Replacement.

  3. Object Number: 2183275  Size: SH
  4. Disconnect the electrical connector (3) for the pump (4).
  5. Remove the hose (1) from differential cooler (2) and the pump (4).

  6. Object Number: 2183371  Size: SH
  7. Disconnect the electrical connector (3) for the differential cooler (4).
  8. Remove the inlet hose (2) from the pump (1).

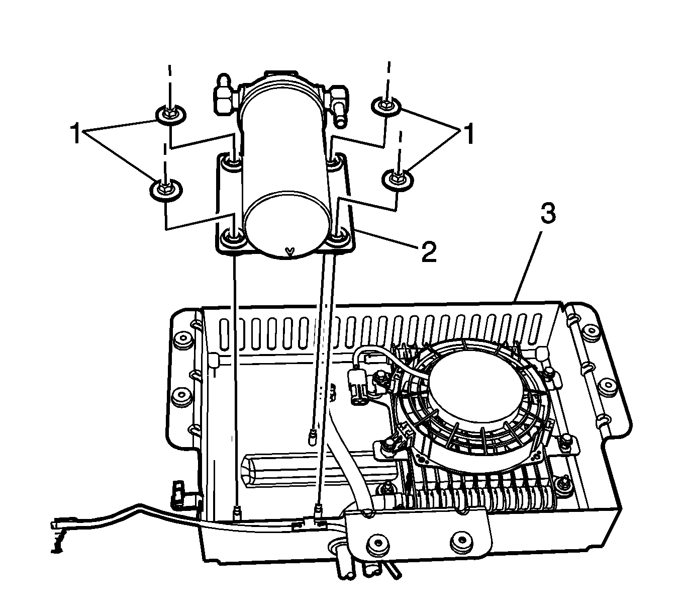
  9. Object Number: 2183333  Size: SH
  10. Remove the mounting nuts (1) for the pump (2).
  11. Remove the pump (2) from the differential cooler housing (3).

Installation Procedure


    Object Number: 2183333  Size: SH
  1. Install the pump (2) in the differential cooler housing (3).
  2. Caution: Refer to Fastener Caution in the Preface section.

  3. Install the mounting nuts (1) and tighten to 9 N·m (80 lb in).

  4. Object Number: 2183371  Size: SH
  5. Install the inlet hose (2) to the pump (1) and tighten the clamp to 2.0 N·m (20 lb in).

  6. Object Number: 2183275  Size: SH
  7. Reconnect the electrical connector (3) for the differential cooler (4).
  8. Install the hose (1)  from the differential cooler (2)  to the pump (4) and tighten the clamp to 9 N·m (80 lb in).
  9. Install the rear differential cooler assembly. Refer to Differential Oil Cooler Replacement.
  10. Refill the rear differential to the proper fluid level. Refer to Axle Lubricant Change.
  11. Remove the supports and lower the vehicle.