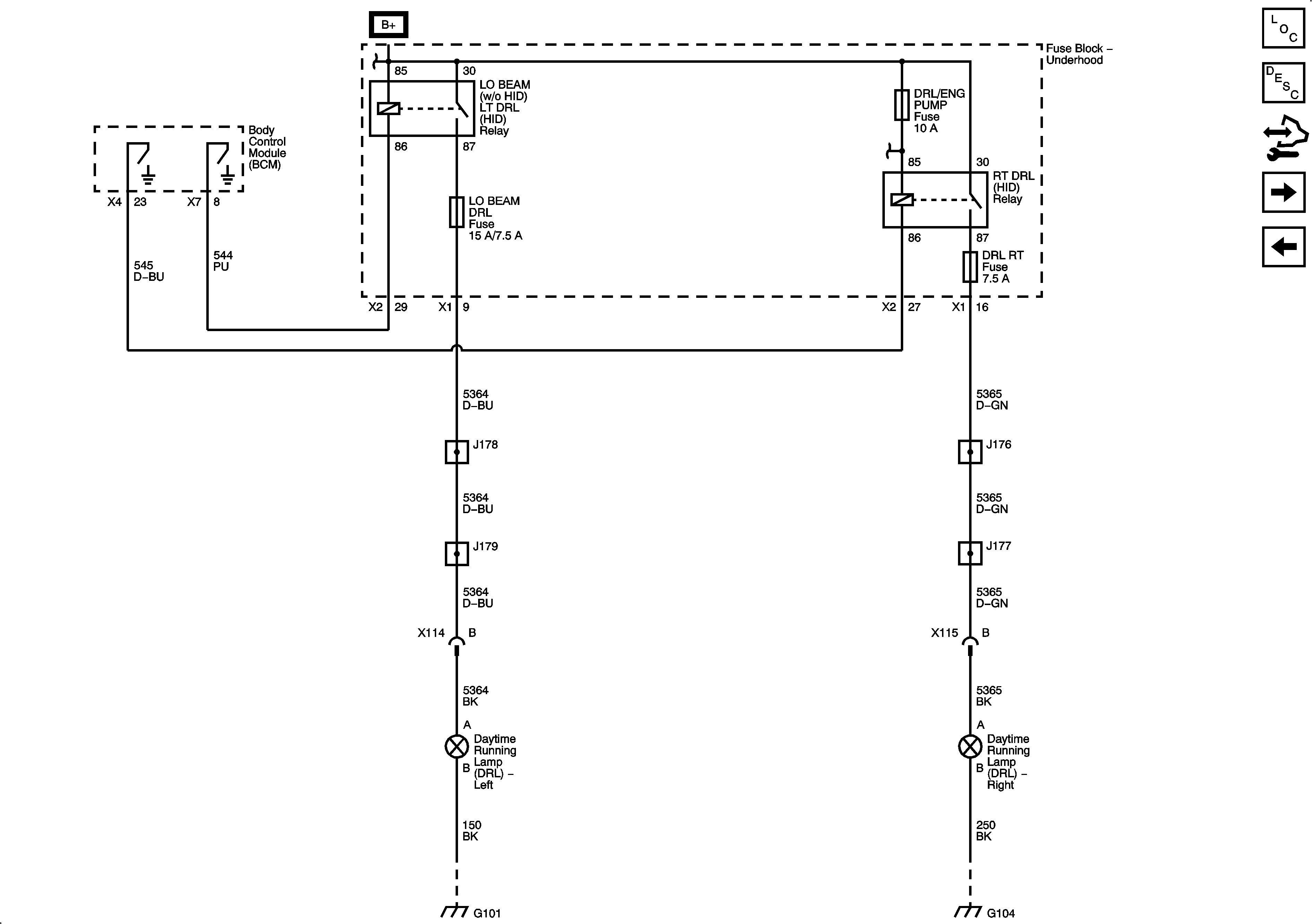
| Figure 1: |
Low Beams +TT6/TT7/TT8 (1 of 5)
|
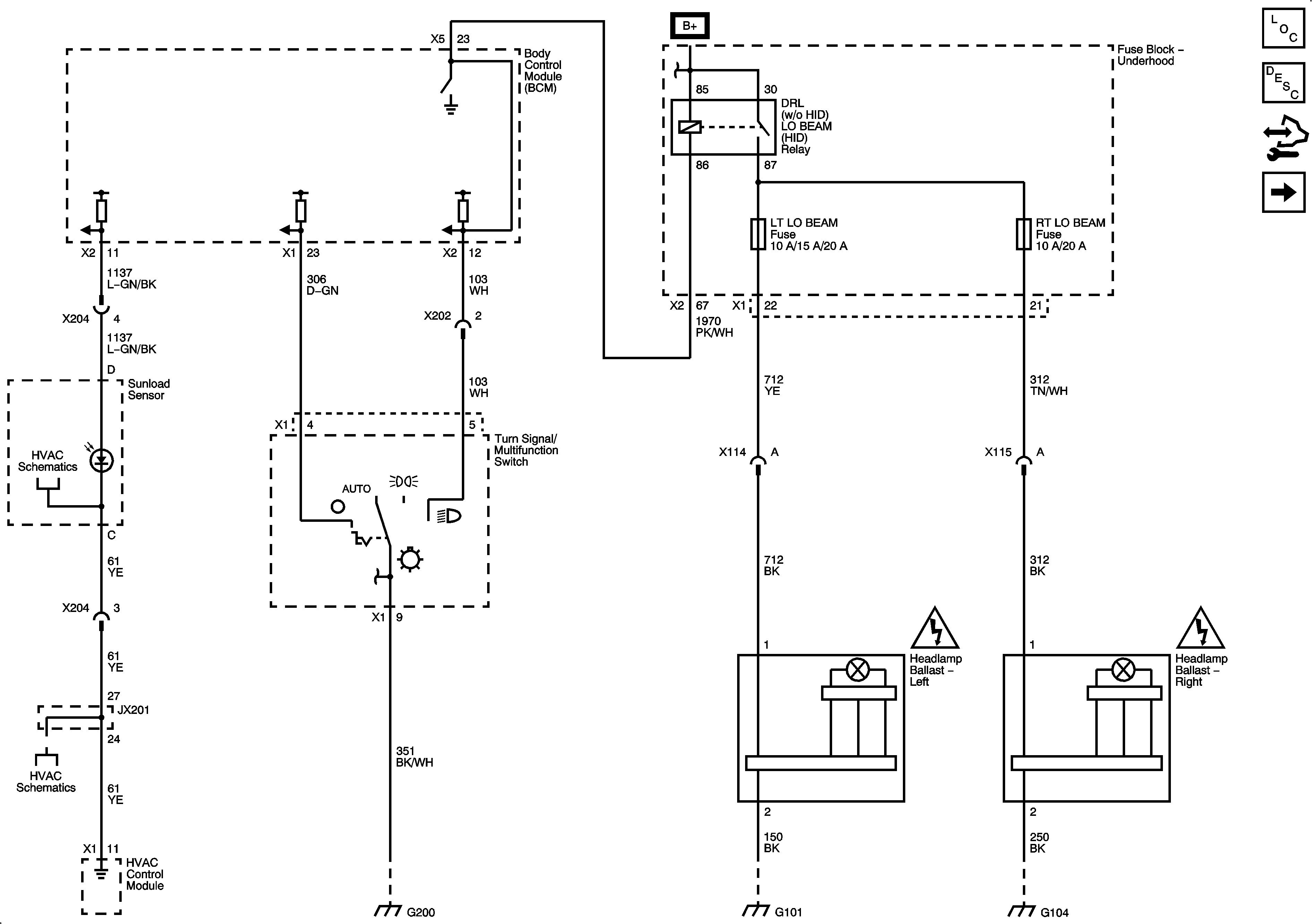
| Figure 2: |
Low Beams -TT6/TT7/TT8 (2 of 5)
|
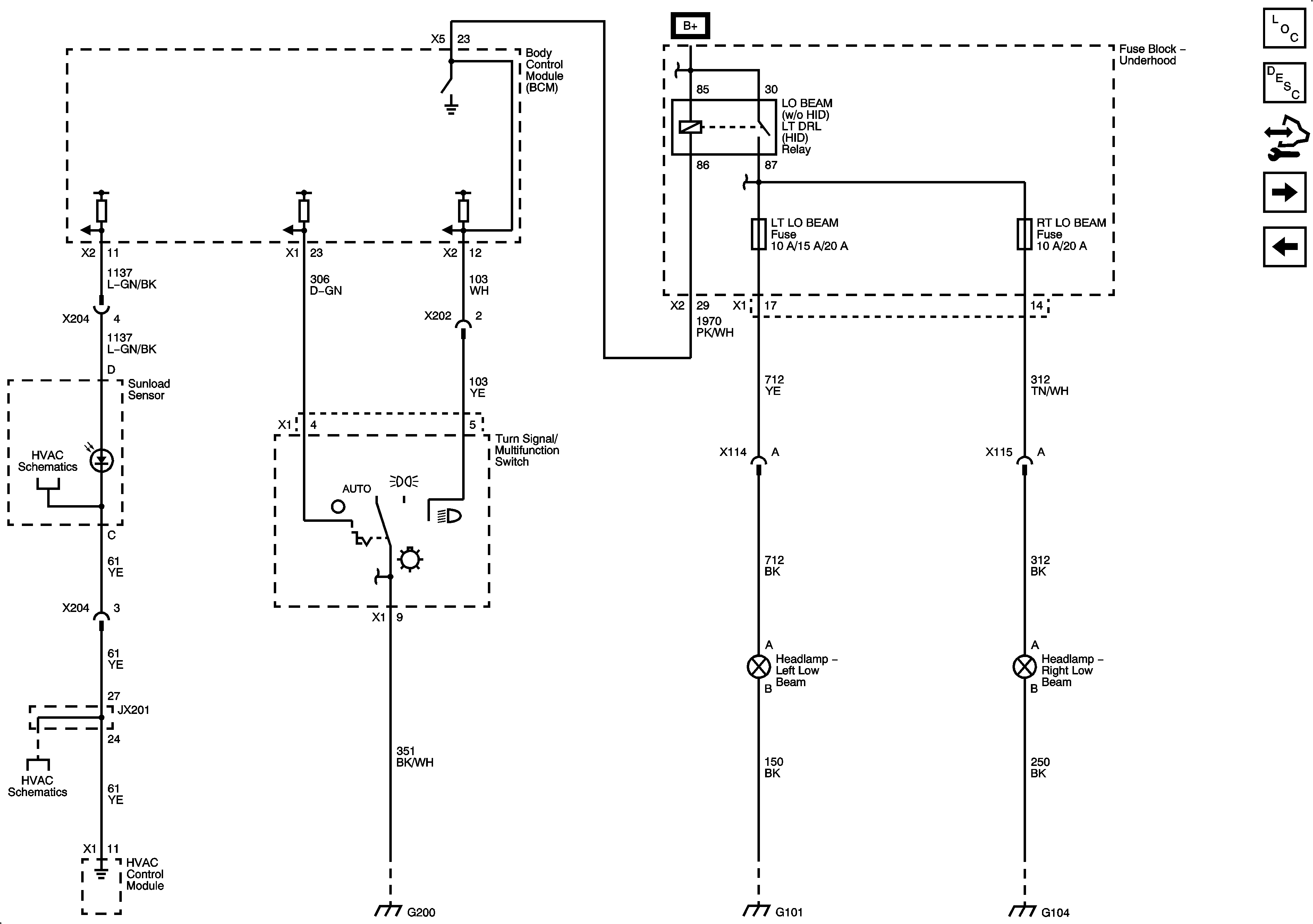
| Figure 3: |
High Beams (3 of 5)
|
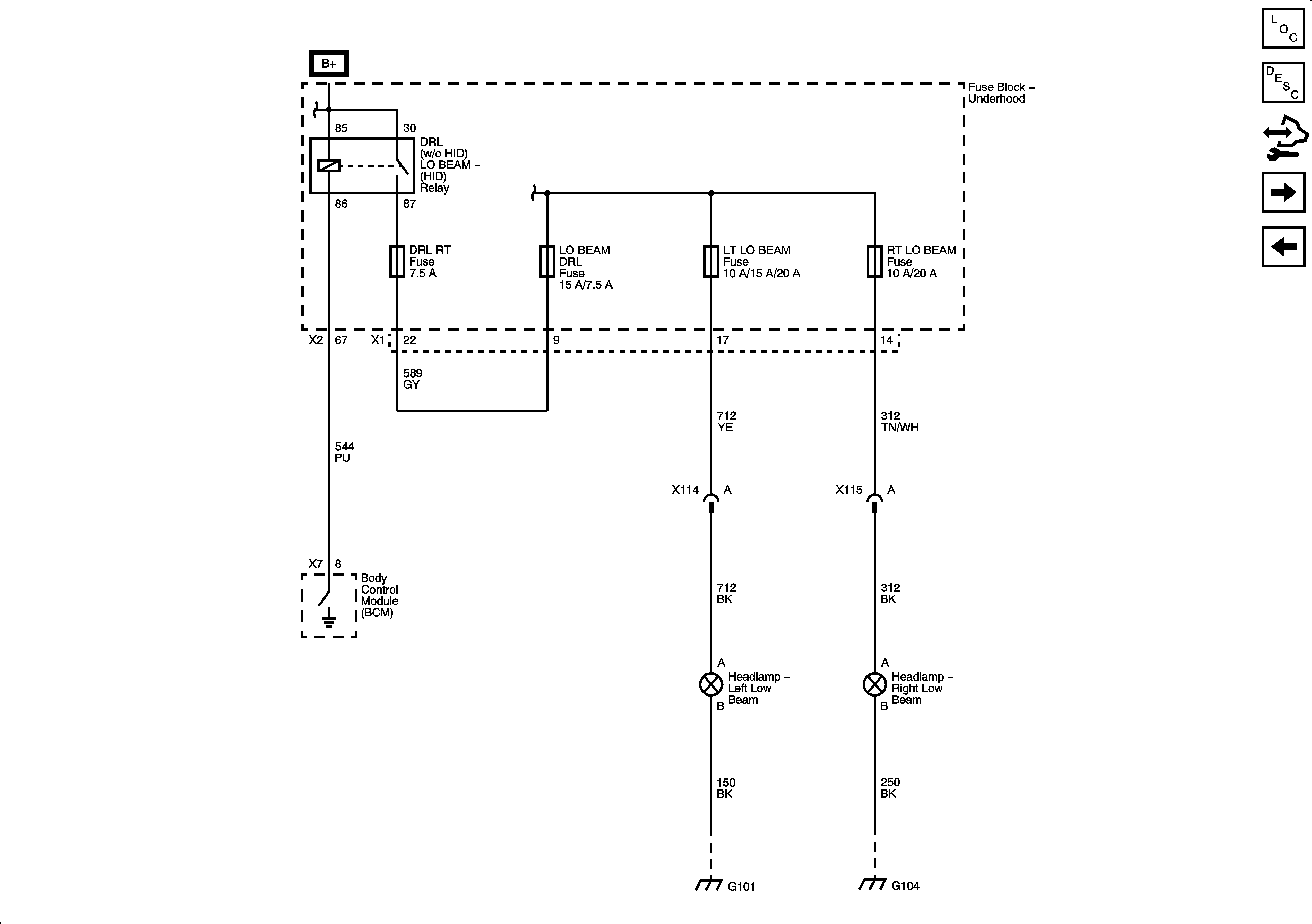
| Figure 4: |
-TT6/TT7/TT8 (4 of 5)
|
| Figure 5: |
+TT6/TT7/TT8 (5 of 5)
|
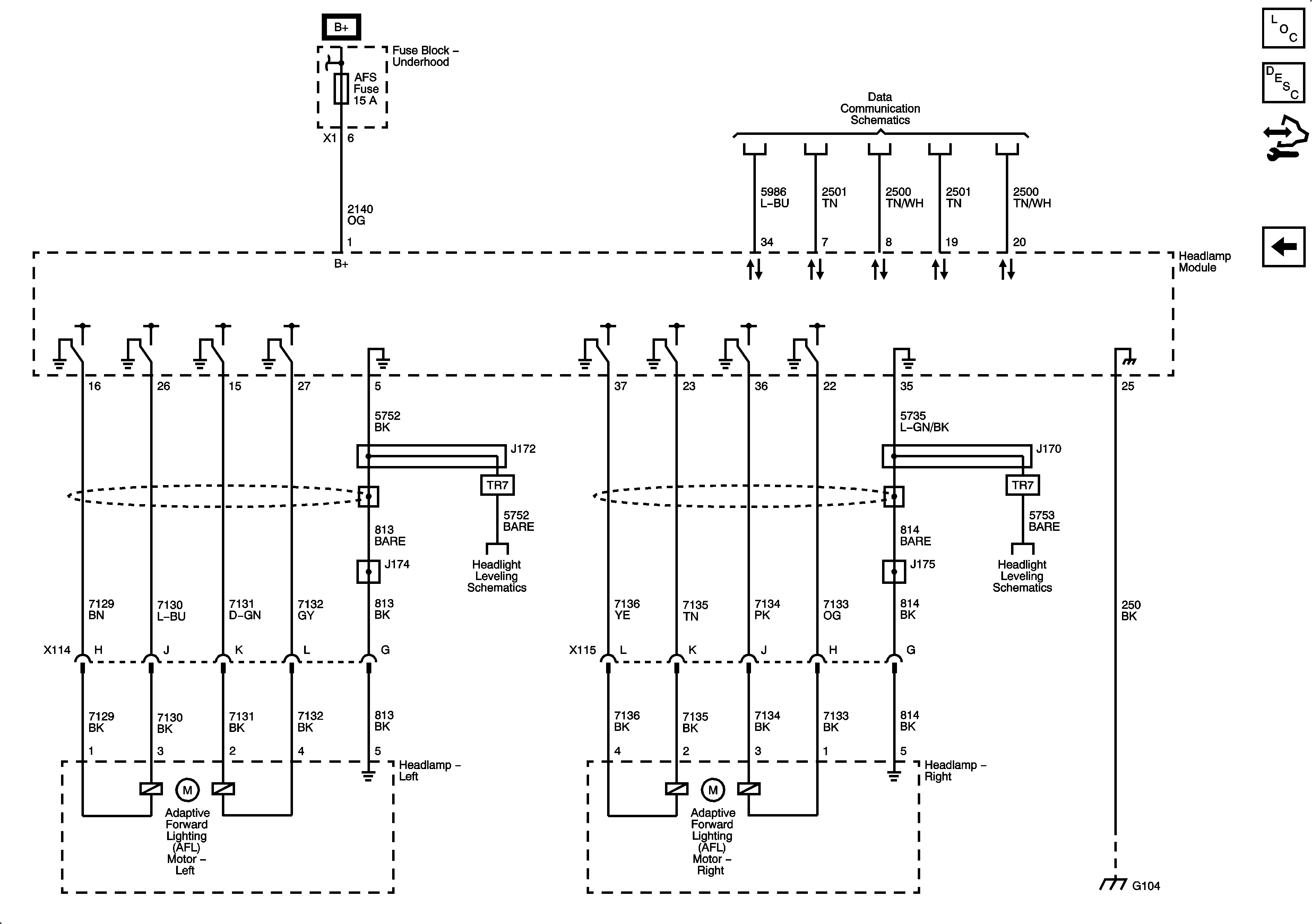
| Figure 6: |
Adaptive Forward Lighting
|