GM Service Manual Online
For 1990-2009 cars only
Makes
🢒
Cadillac
🢒
2009
🢒
CTS
🢒
Body Systems
🢒
Lighting
🢒 Interior Lights Schematics
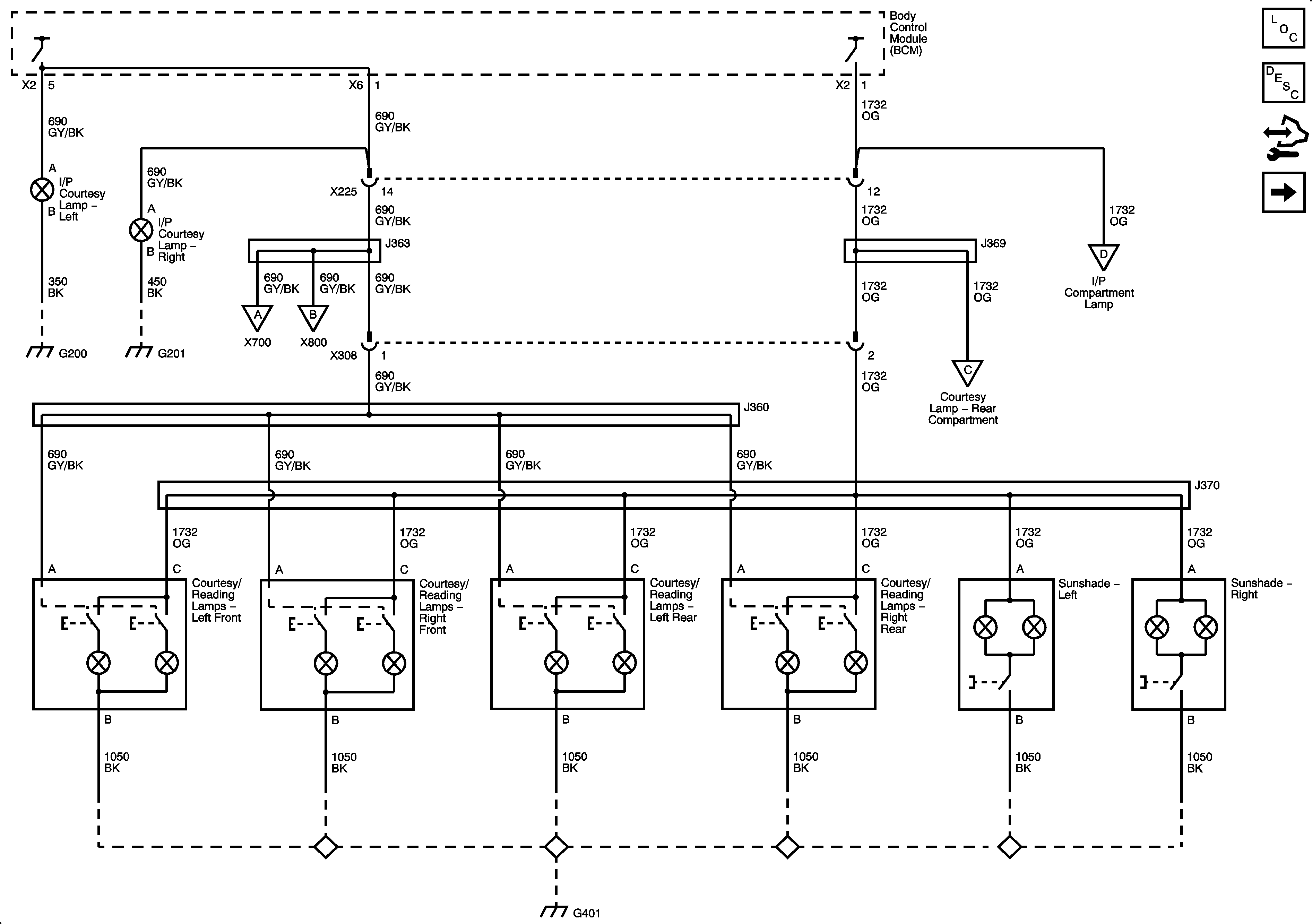
Figure
1:
Courtesy/Reading and Sunshade Lamps 1 of 2
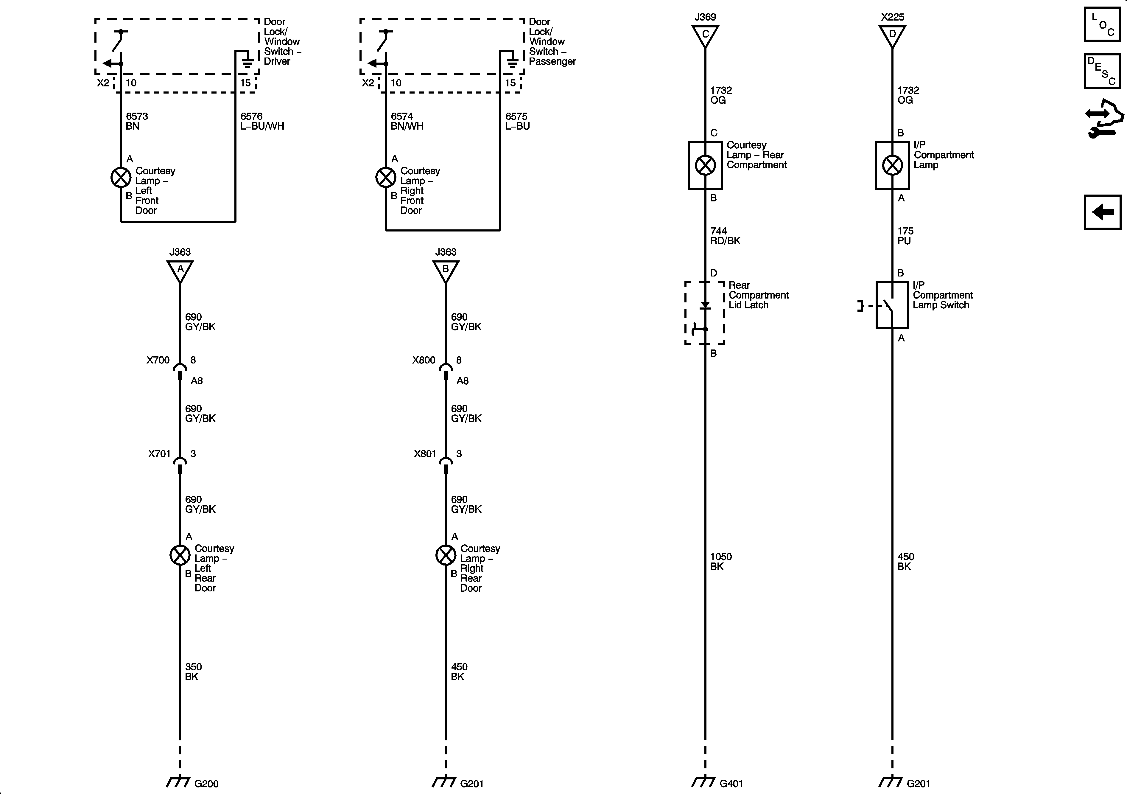
Figure
2:
Courtesy Lamps 2 of 2