GM Service Manual Online
For 1990-2009 cars only
Makes
🢒
Cadillac
🢒
2009
🢒
CTS
🢒
Body Systems
🢒
Lighting
🢒 Interior Lights Dimming Schematics
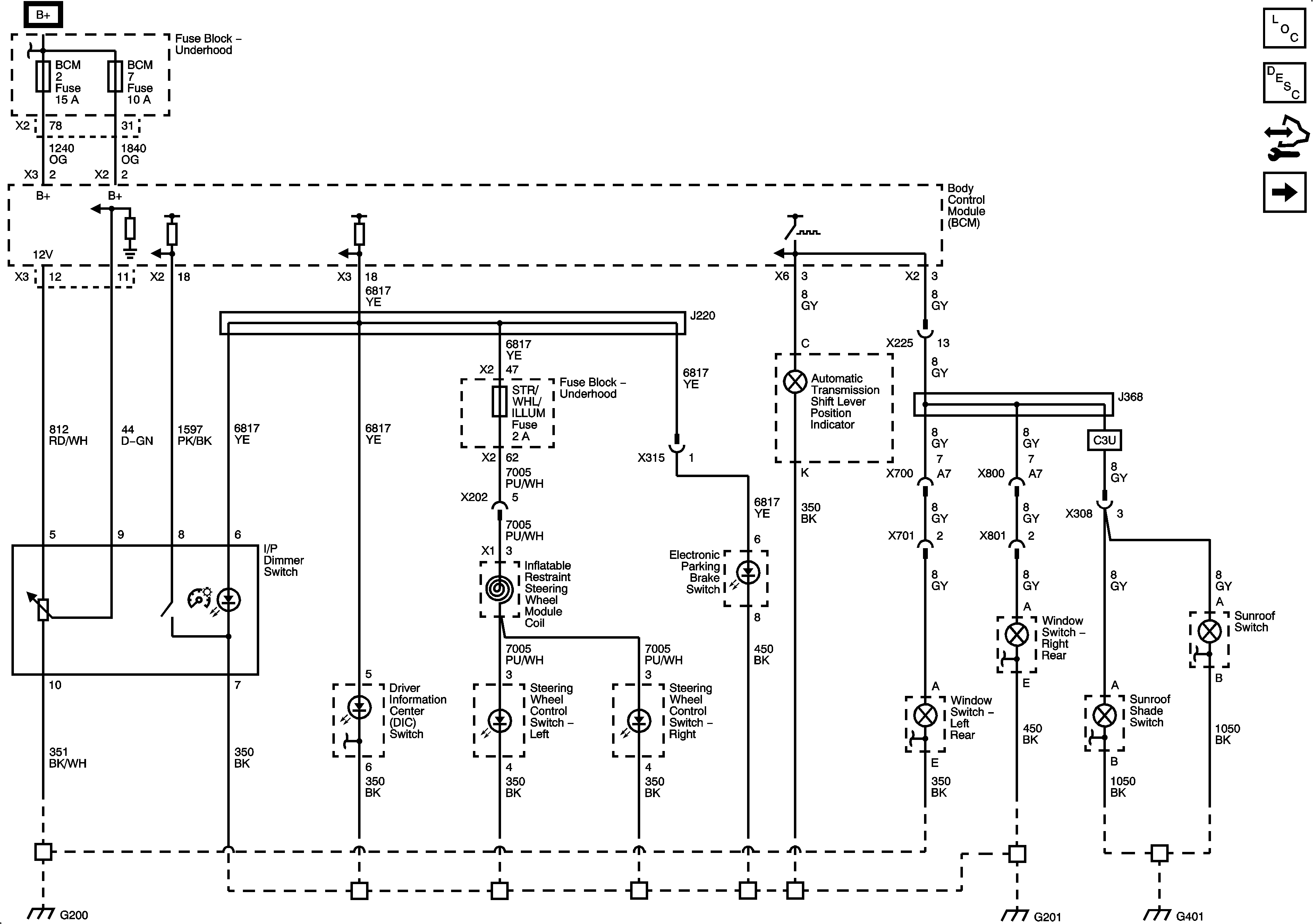
Figure
1:
Controls, Steering Wheel, DIC, and Park Brake LED's, Shift Lever, Rear Window Switches, and Sunroof Switch Bulbs (Left Hand Drive)
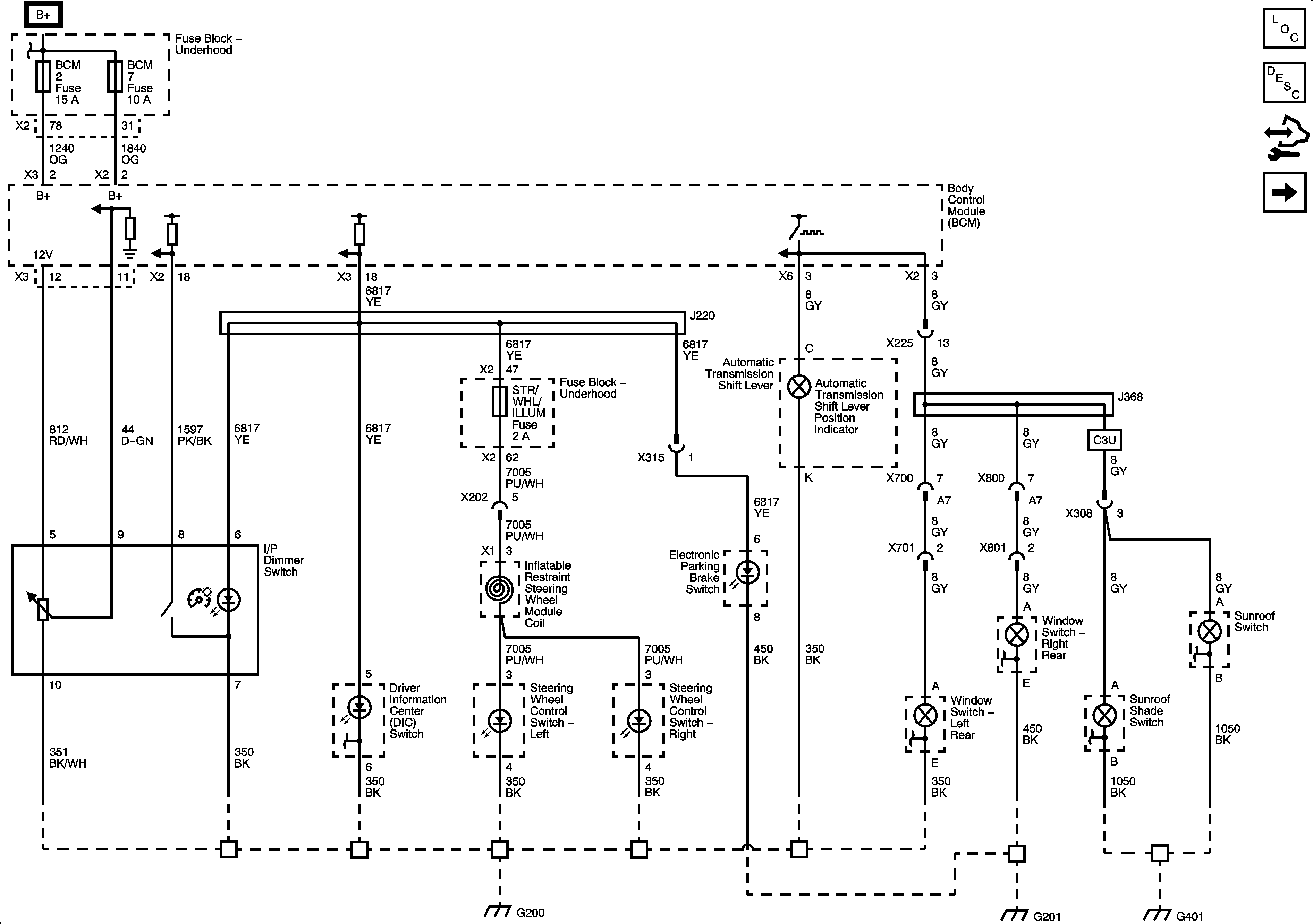
Figure
2:
Controls, Steering Wheel, DIC, and Park Brake LED's, Shift Lever, Rear Window Switches, and Sunroof Switch Bulbs (Right Hand Drive)
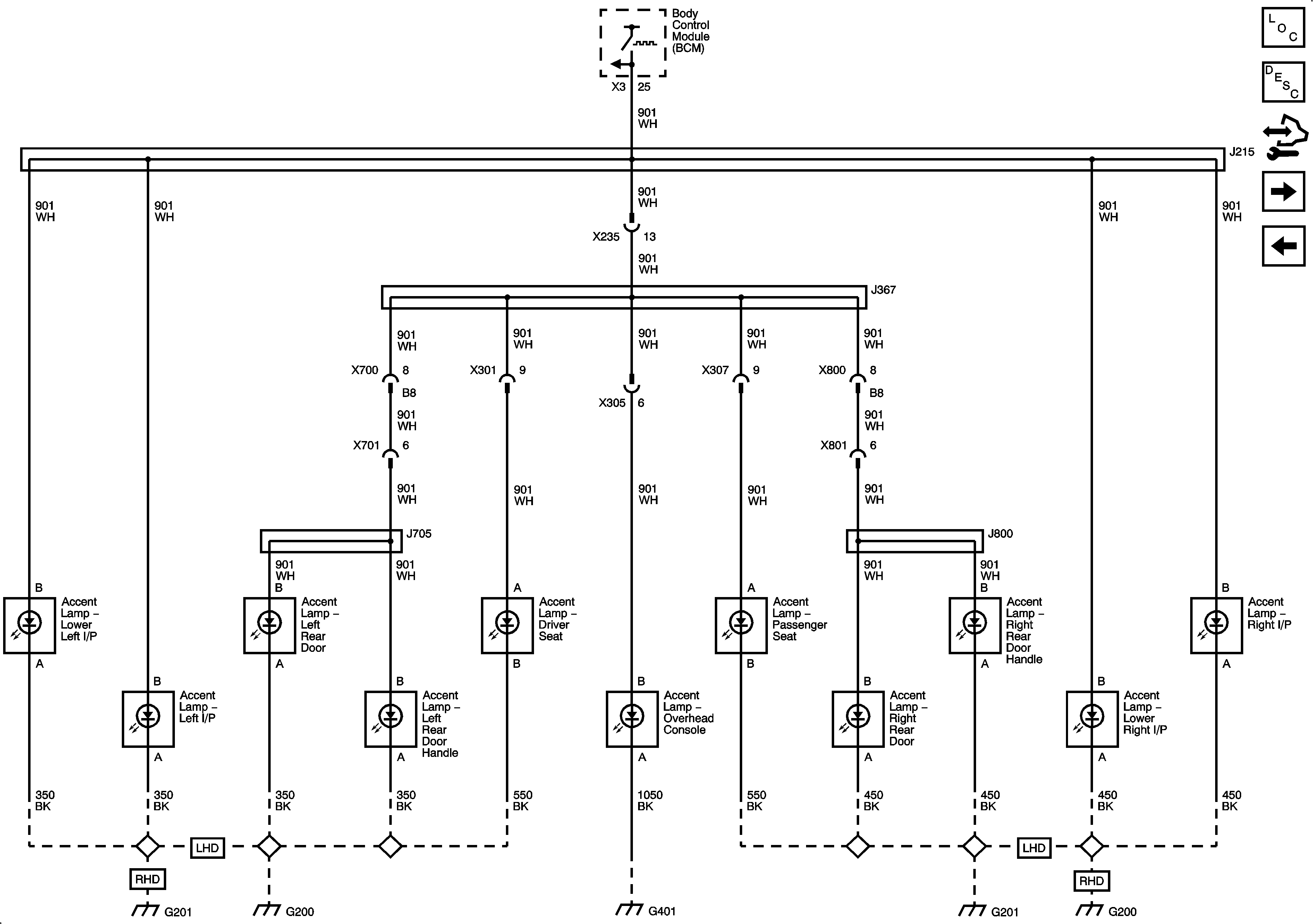
Figure
3:
Accent Lamps 1 of 2
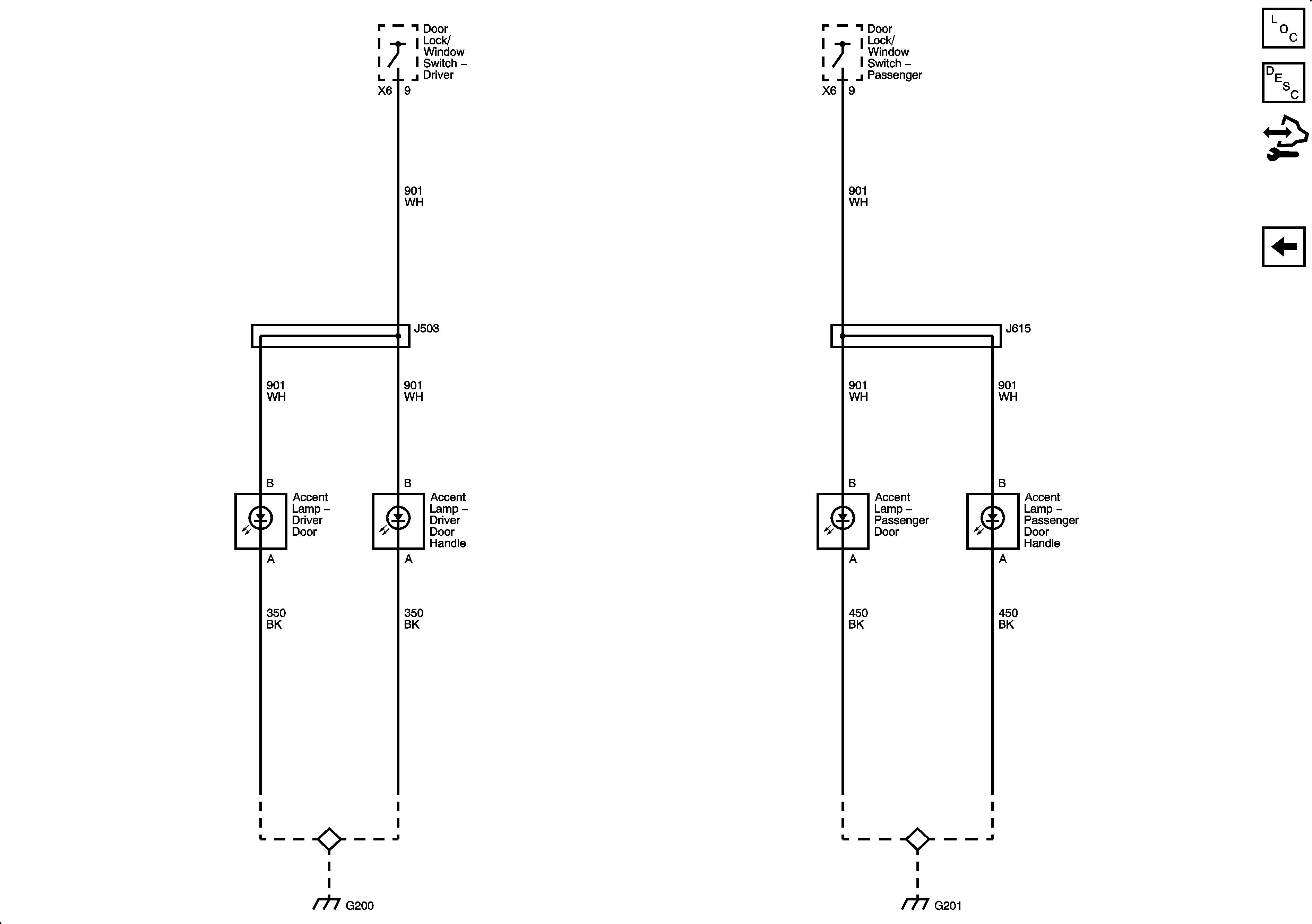
Figure
4:
Accent Lamps 2 of 2