GM Service Manual Online
For 1990-2009 cars only
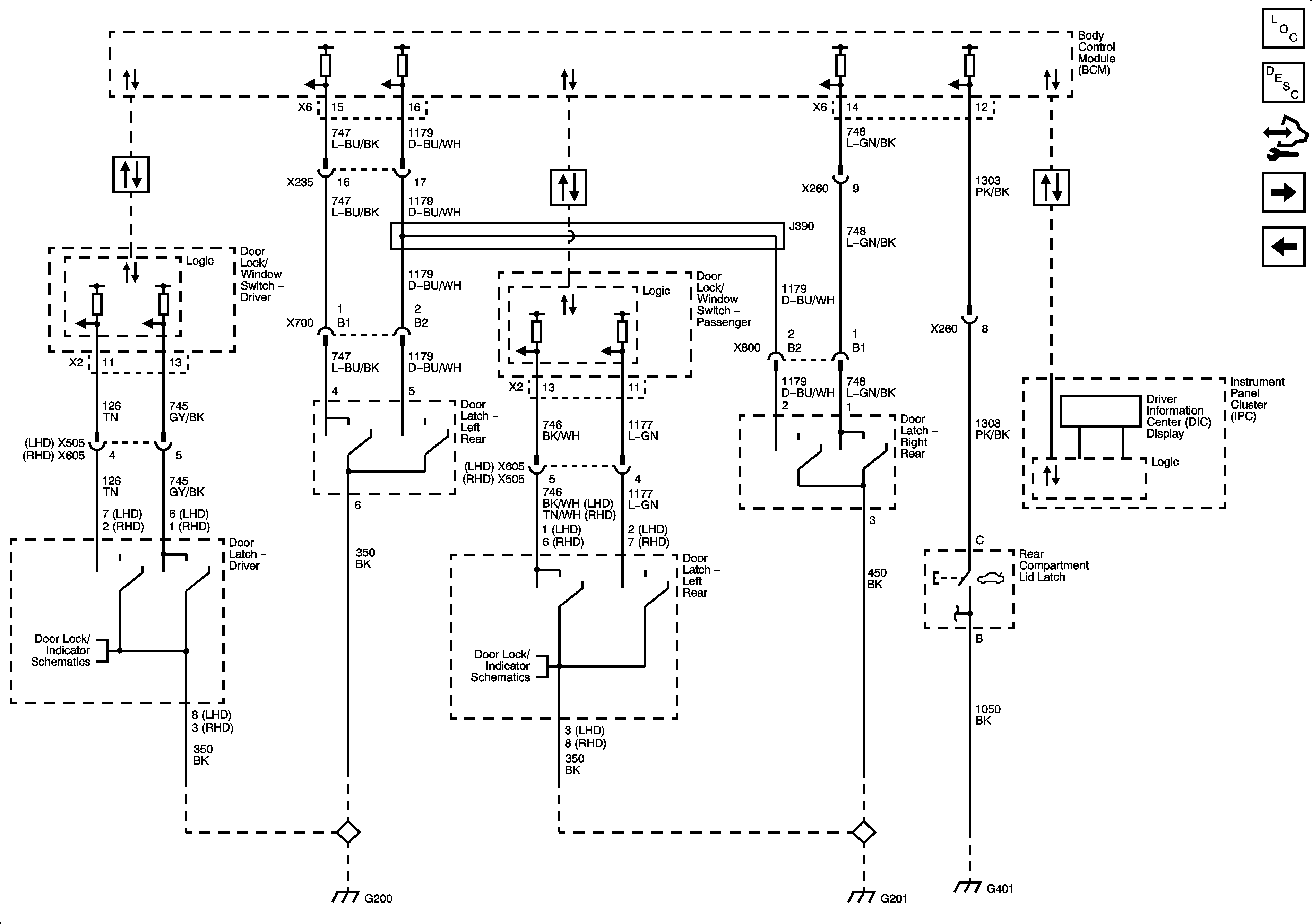
Figure 1:

Front Doors


Object Number: 2077277  Size: FS
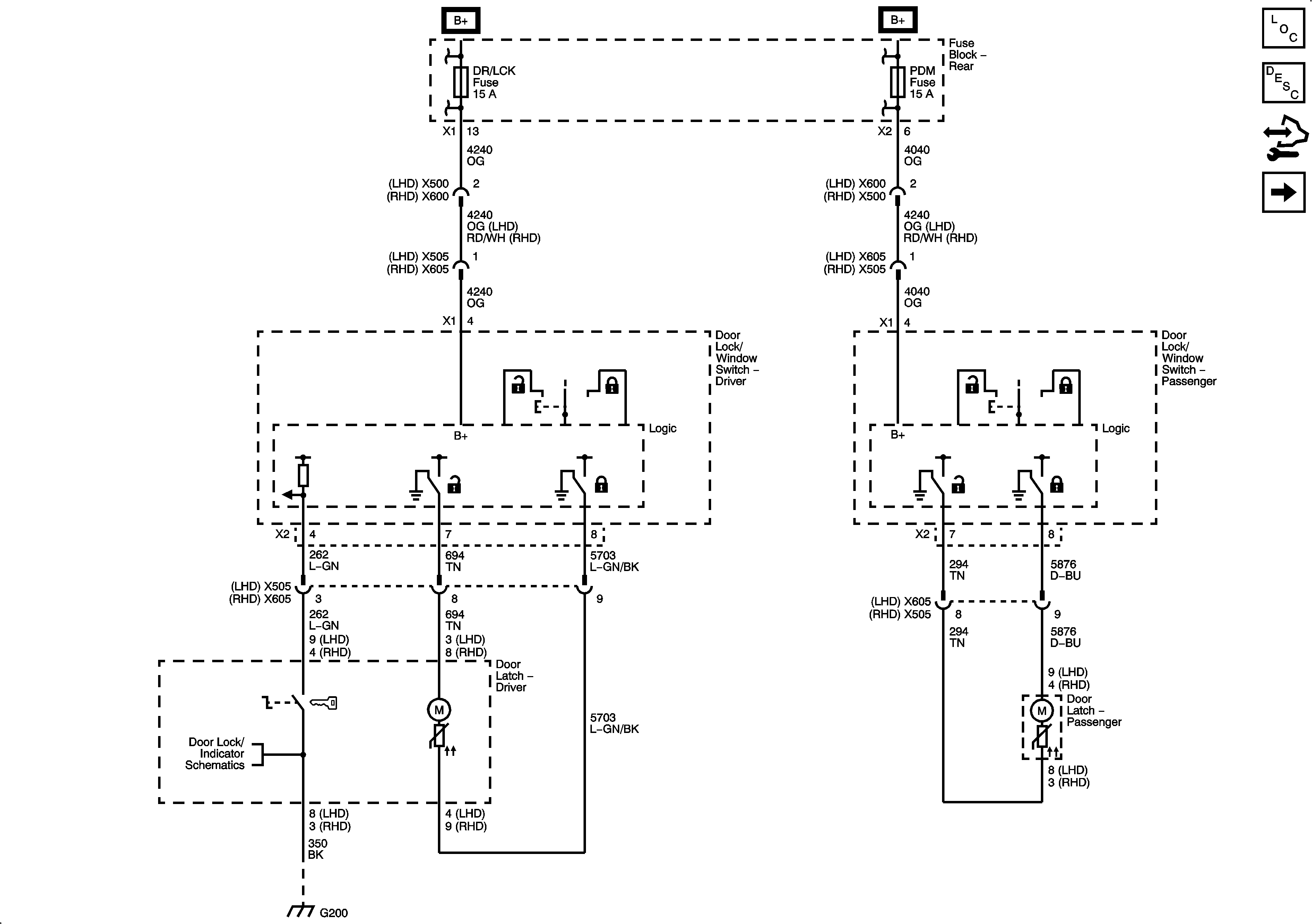
Figure 2:

Rear Doors Without UA2


Object Number: 2077278  Size: FS
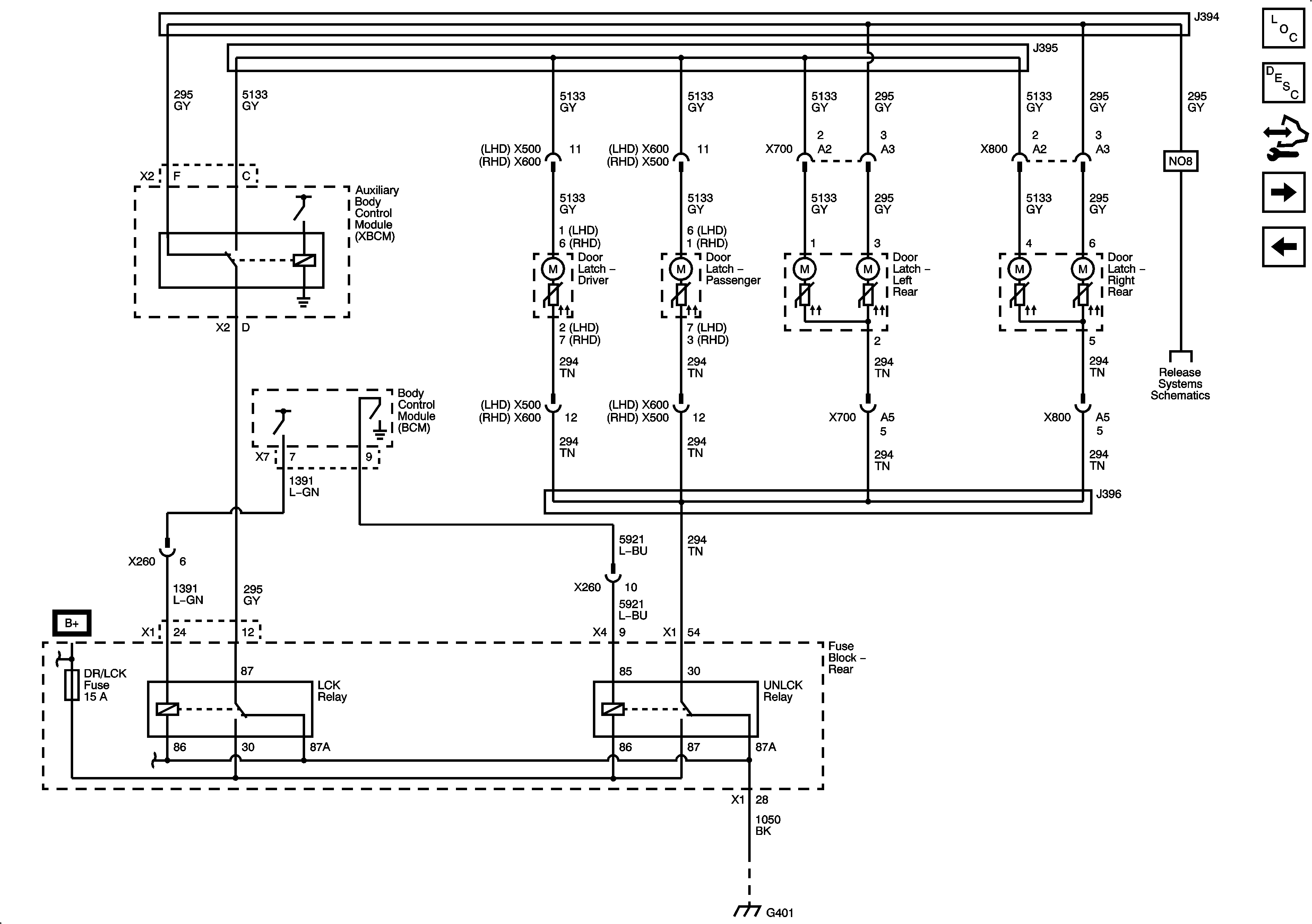
Figure 3:

Rear Doors (UA2)


Object Number: 2077279  Size: FS
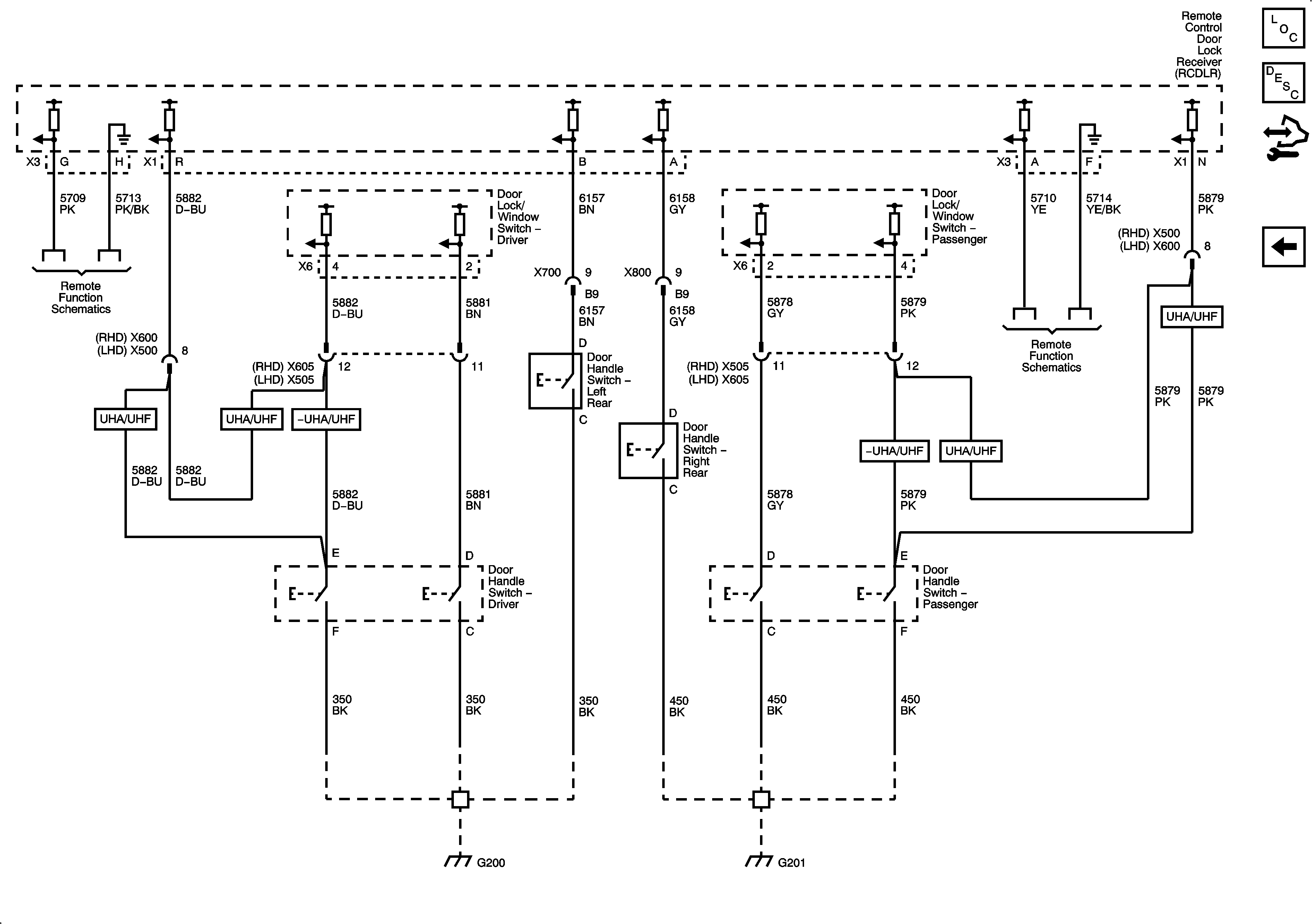
Figure 4:

Ajar Switches


Object Number: 2077280  Size: FS
Figure 5:

Door Handle Switches


Object Number: 2081296  Size: FS