GM Service Manual Online
For 1990-2009 cars only
Makes
🢒
Cadillac
🢒
2009
🢒
CTS
🢒
Body Systems
🢒
Vehicle Access
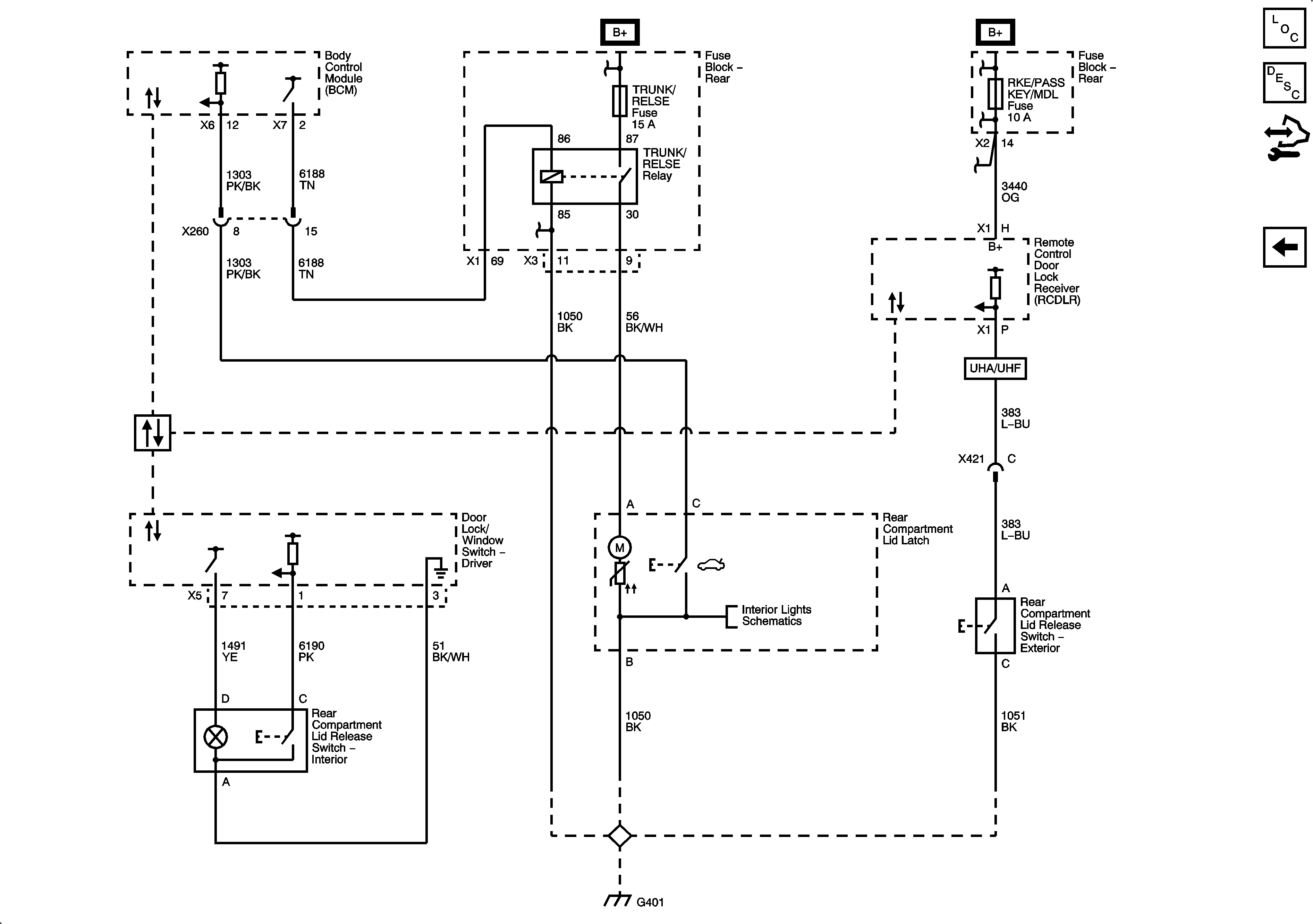
🢒 Release Systems Schematics
Figure
1:
Release Systems Schematics 1 of 2
Figure
2:
Release Systems Schematics 2 of 2