GM Service Manual Online
For 1990-2009 cars only
Figure 1:

Front Washers


Object Number: 2077287  Size: FS
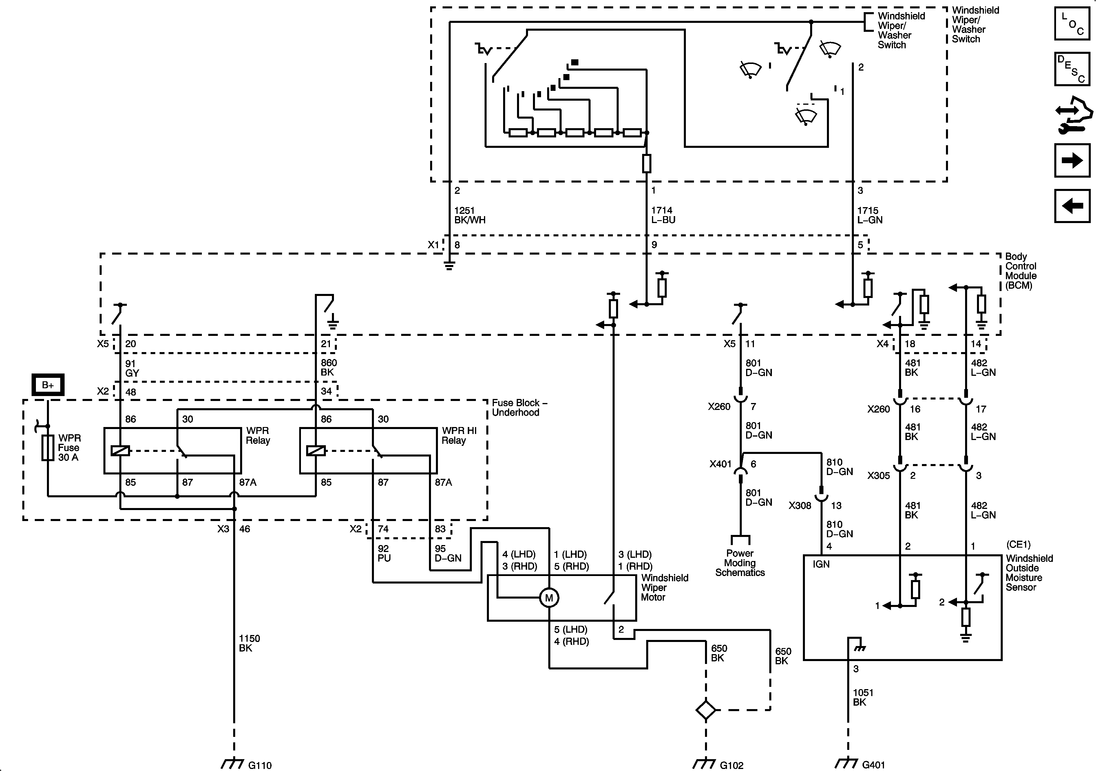
Figure 2:

Front Wipers


Object Number: 2077288  Size: FS
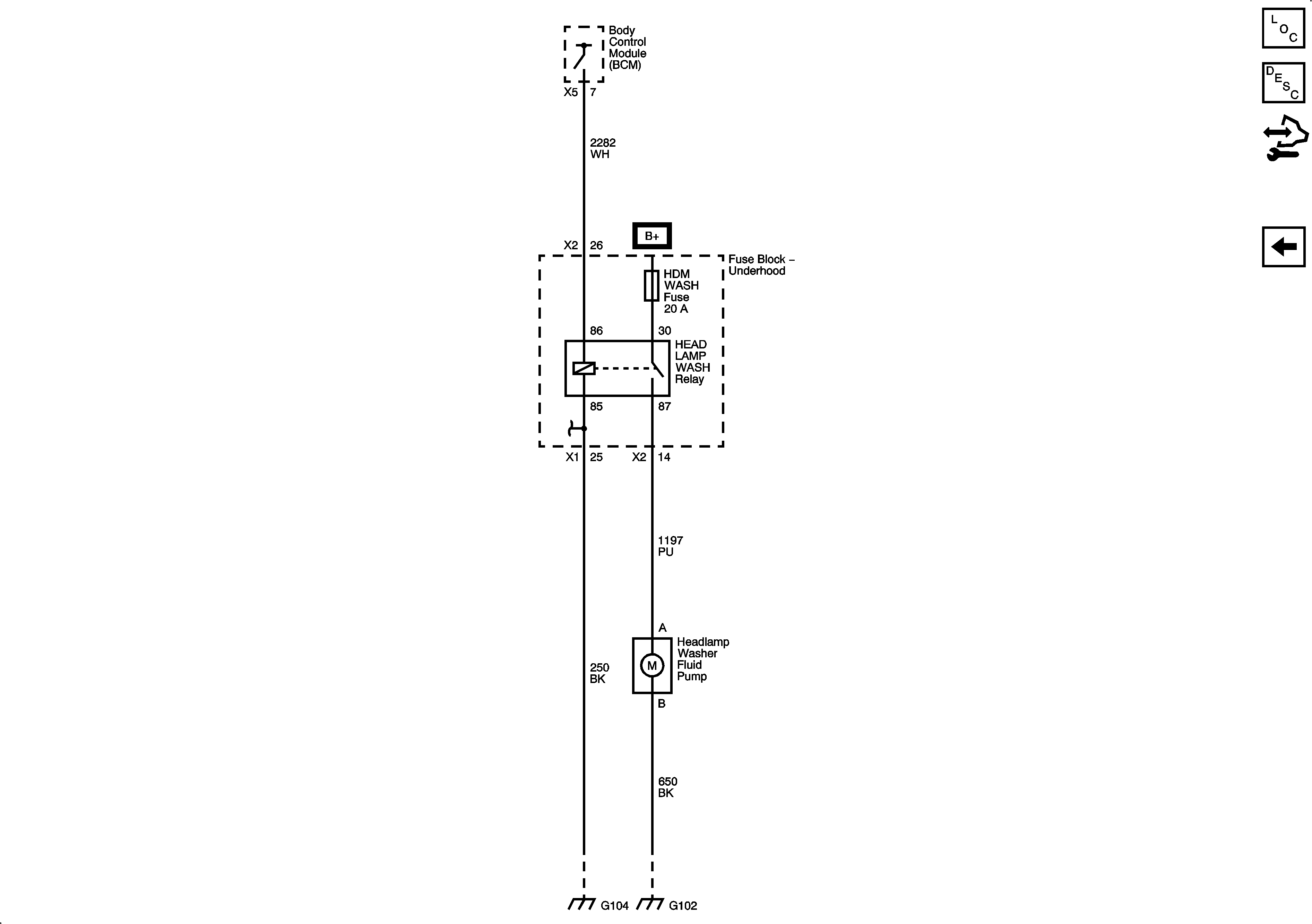
Figure 3:

Headlamp Washers (CE4)


Object Number: 2077289  Size: FS