GM Service Manual Online
For 1990-2009 cars only
Makes
🢒
Cadillac
🢒
2009
🢒
CTS
🢒
Transmission
🢒
Automatic Transmission - 6L50/6L80/6L90
🢒 Automatic Transmission Controls Schematics
Figure
1:
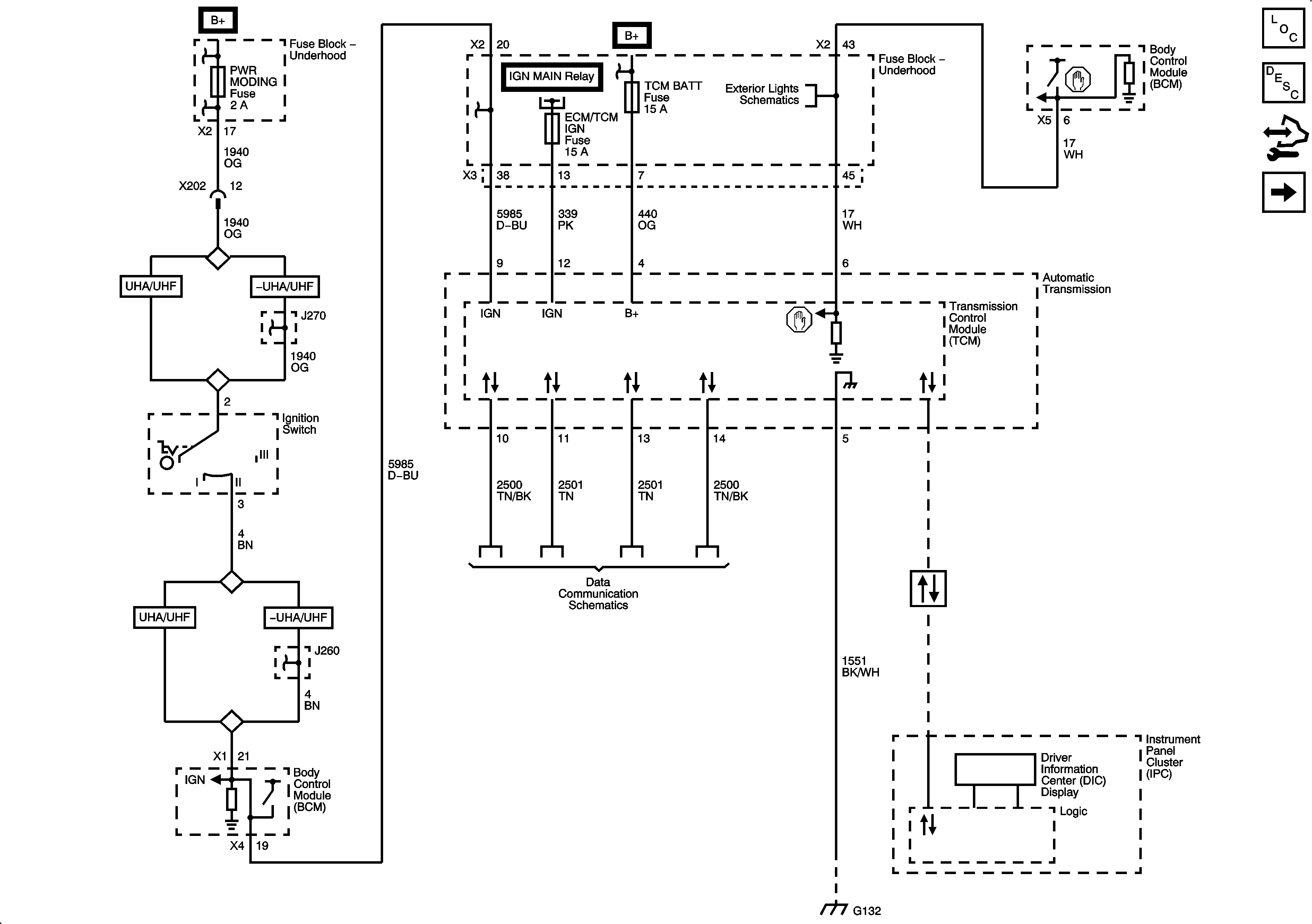
Module Power, Ground, Data Communications, MIL and Brake Applied Signal
Figure
2:
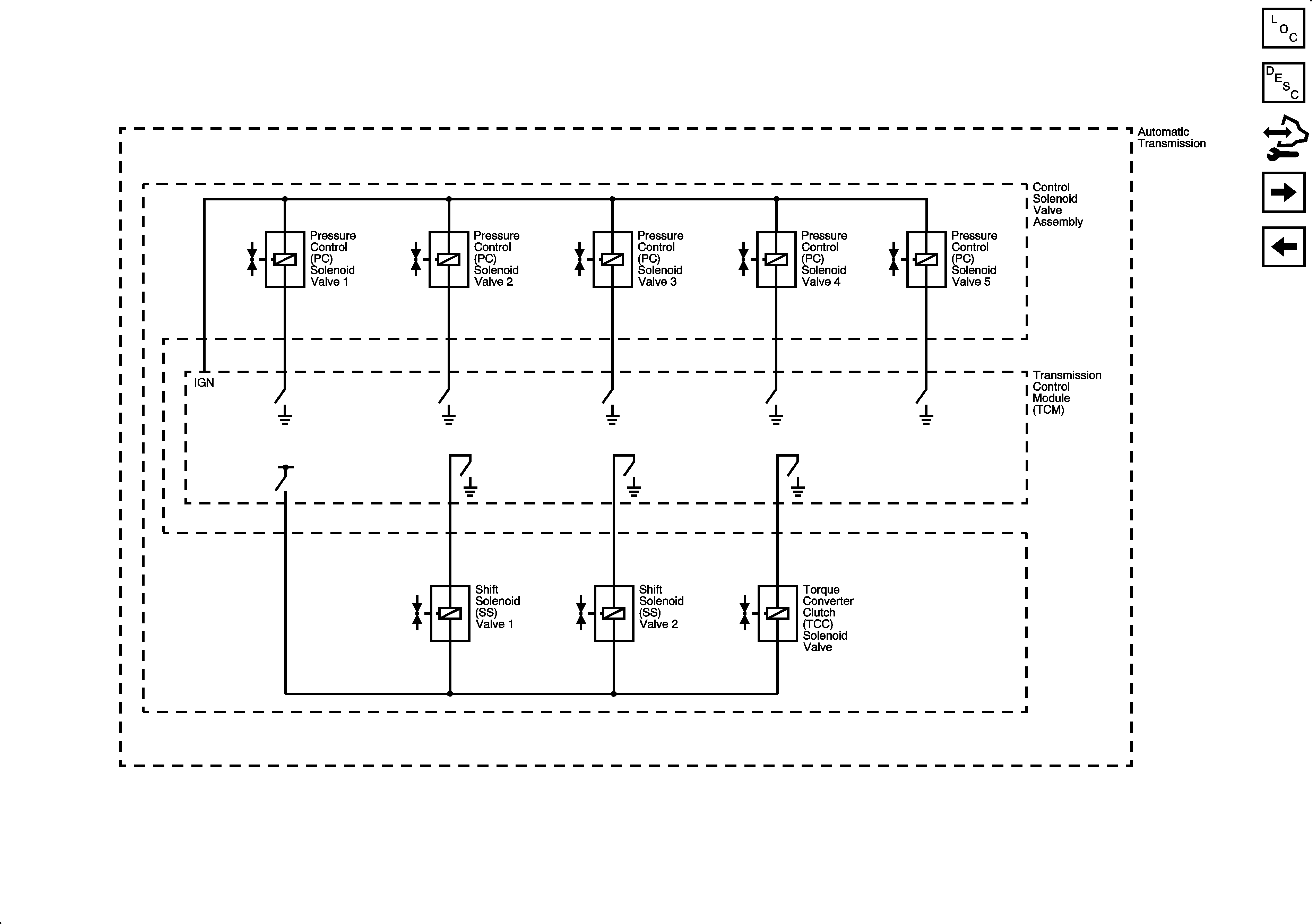
Pressure Controls and Shift Controls
Figure
3:
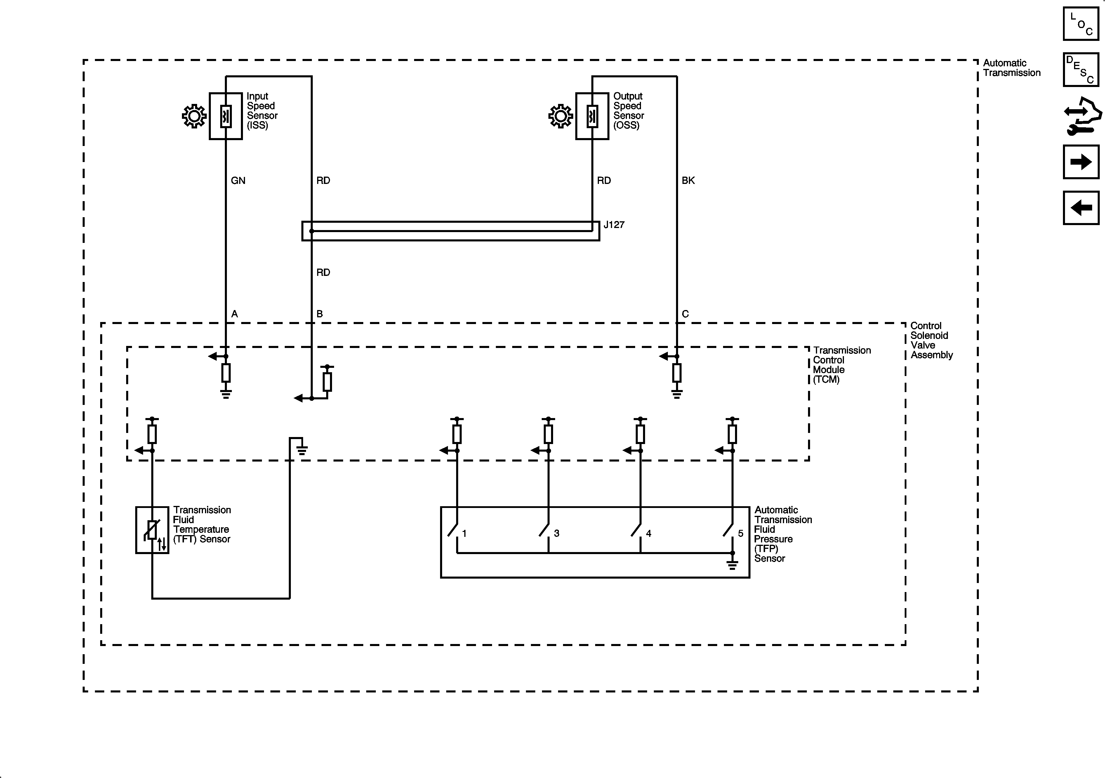
ISS, OSS, TFP and TFT
Figure
4:
IMS Tap Up/TapDown