GM Service Manual Online
For 1990-2009 cars only

Special Tools

    • DT 49216 Bushing Remover
    • J 8092 Drive Handle
    • J 36190 Driver Handle
    • J 39439-2 Bushing Remover
    • J 39790-A Mainshaft Bearing Race Remover
    • J 44384 Shift Fork Bearing Installer
    • J 45124 Removal Bridge

For equivalent regional tools, refer to Special Tools.

Guide Plate Removal


    Object Number: 2102249  Size: SH
  1. Remove the detent guide plate attaching bolts.
  2. Remove the detent guide plate.

Transmission Case


    Object Number: 2102250  Size: SH
  1. Remove the cooler line return fitting (1).
  2. Remove the transmission case fill plug (2).
  3. Remove the coolant temperature sensor (3).

  4. Object Number: 2102251  Size: SH
  5. Remove the backup lamp switch connector harness bolt (2).
  6. Remove the backup lamp switch connector harness (1).
  7. Remove the backup lamp switch (3).

  8. Object Number: 2102252  Size: SH
  9. Remove the dowel pins (1).

  10. Object Number: 2102253  Size: SH

    Note: Do not replace the bearing race unless inspection shows bearing race damage.

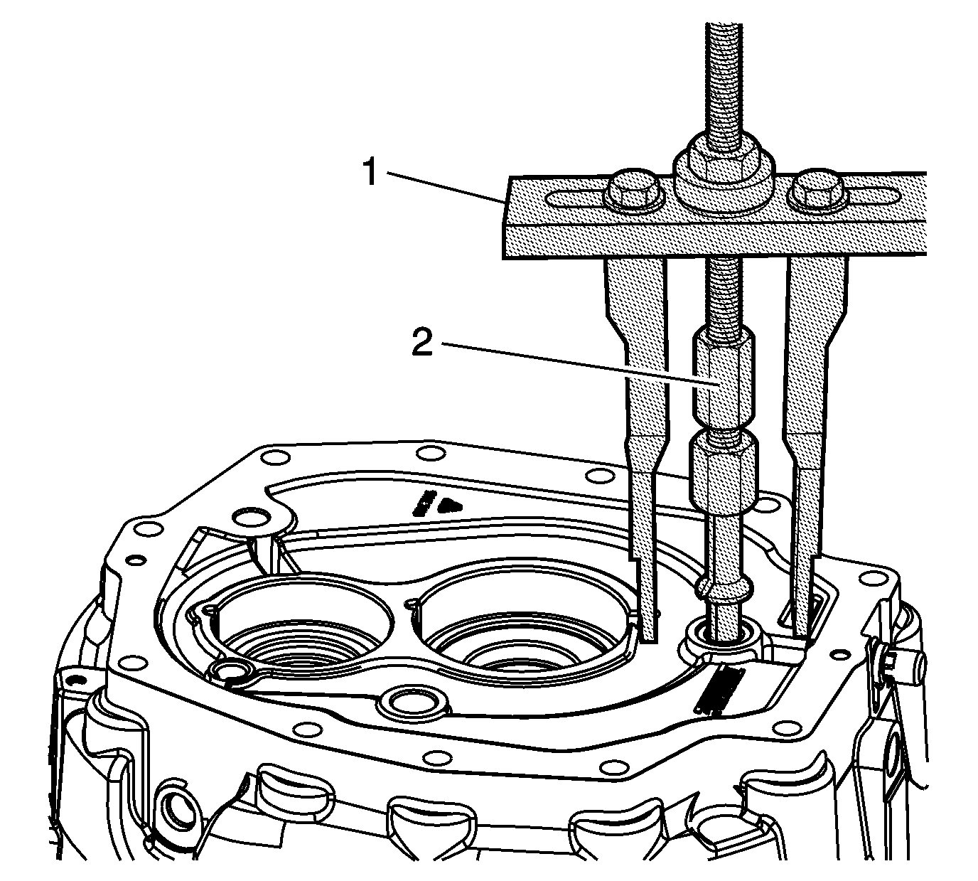
  11. Remove the countershaft bearing race (3), using the J 8092 drive handle  (1) and the J 39790-A race remover  (2).

  12. Object Number: 2102254  Size: SH

    Note: Do not replace the bearing race unless inspection shows bearing race damage.

  13. Remove the mainshaft bearing race (3), using the J 8092 drive handle  (1) and the J 39790-A race remover  (2).

  14. Object Number: 2102255  Size: SH
  15. Remove the Ist/2nd and the 3rd/4th shift shaft bearing (3), using the J 36190 driver handle  (1) and the J 44384 remover  (2).

Clutch Housing


    Object Number: 2102257  Size: SH
  1. Remove the vent assembly (1).
  2. Remove the pump outlet cooler fitting with o-ring (2).
  3. Remove the transmission fluid pump outlet pipe fitting (3).

  4. Object Number: 2102258  Size: SH

    Note: There may be one or more shims.

  5. Remove the input shaft bearing race (1) and one or more shims (2).

  6. Object Number: 2102259  Size: SH
  7. Remove the countershaft bearing race (1) and one or more the shims (2).

  8. Object Number: 2102260  Size: SH
  9. Remove and discard the input shaft seal (1).

  10. Object Number: 2102262  Size: SH
  11. Remove the 1st/2nd shift shaft bearing, using the J 45124 removal bridge  (1) with the DT 49216 bushing remover  (2) and a wrench.

  12. Object Number: 2102263  Size: SH
  13. Remove the 3rd/4th shift shaft bushing, using the J 23907-1 slide hammer  (1) with the J 39439-2 bushing remover  (2).

  14. Object Number: 2102265  Size: SH
  15. Remove the dowel pins (1).

  16. Object Number: 1938423  Size: SH
  17. Remove the retainer ring (1).
  18. Remove the oil pump cover assembly (2).
  19. Remove the oil pump (3).

  20. Object Number: 1938426  Size: SH
  21. Remove the transmission fluid pump spring retaining plug (1).
  22. Remove the transmission fluid pump spring (2).
  23. Remove the transmission fluid pump check ball (3).