GM Service Manual Online
For 1990-2009 cars only

Fluid Cooler Outlet Hose Replacement V8


Object Number: 2170421  Size: MF

Callout

Component Name

Preliminary Procedure

  1. Remove the front intake manifold cover. Refer to Intake Manifold Cover Replacement - Front.
  2. Siphon the fluid from the power steering fluid reservoir.
  3. Remove the front bumper fascia. Refer to Front Bumper Fascia Replacement.
  4. Place a drain pan below the vehicle.

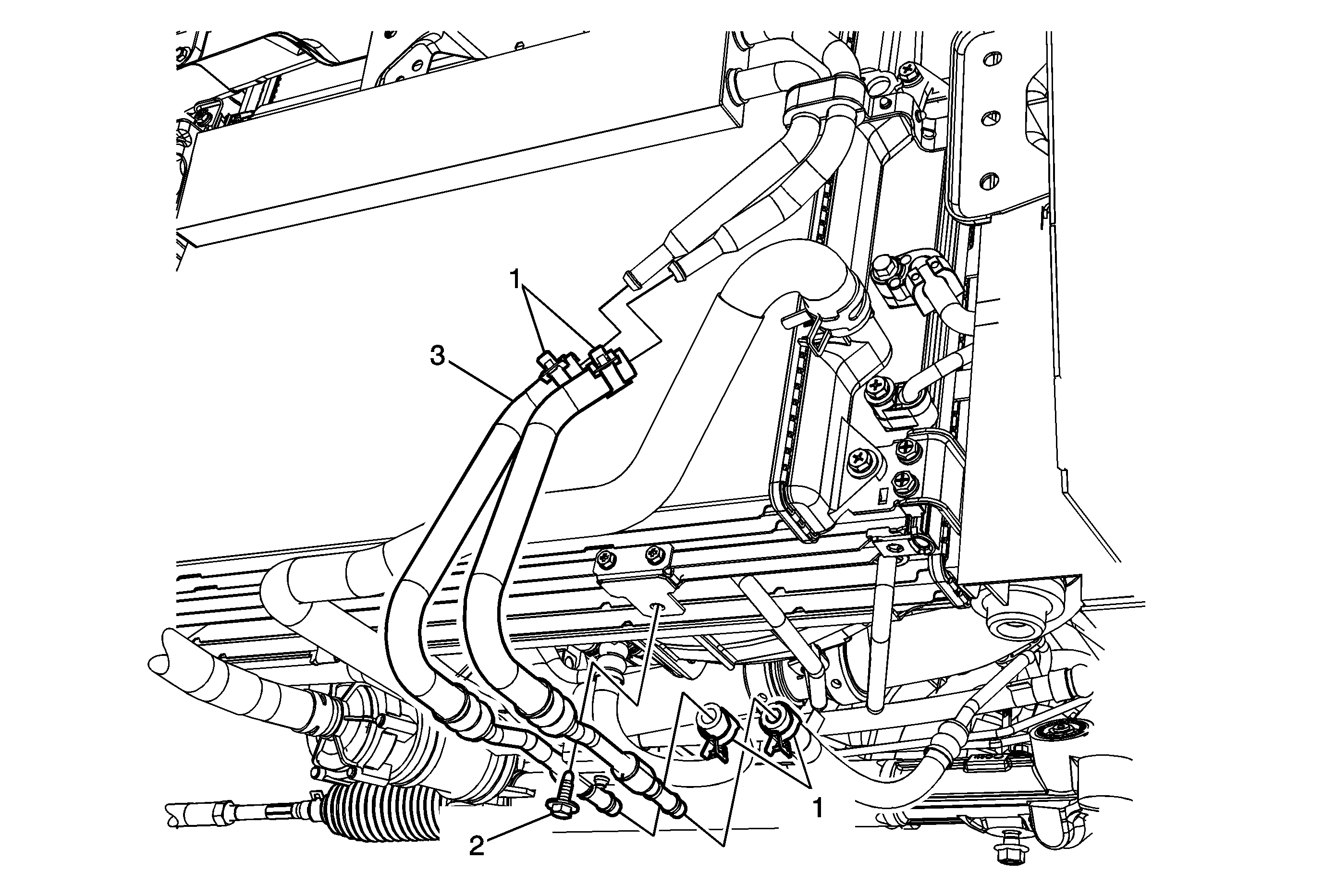
1

Clamp (Qty: 4)

2

Bolt, Power Steering Fluid Cooler Bracket

Caution: Refer to Fastener Caution in the Preface section.

Tighten
9 N·m (80 lb in)

3

Hose, Power Steering Fluid Cooler Outlet

Procedure

Fill and Bleed the power steering system. Refer to Power Steering System Bleeding.