GM Service Manual Online
For 1990-2009 cars only
Makes
🢒
Cadillac
🢒
2009
🢒
CTS
🢒
Power and Signal Distribution
🢒
Data Communications
🢒 OnStar Schematics
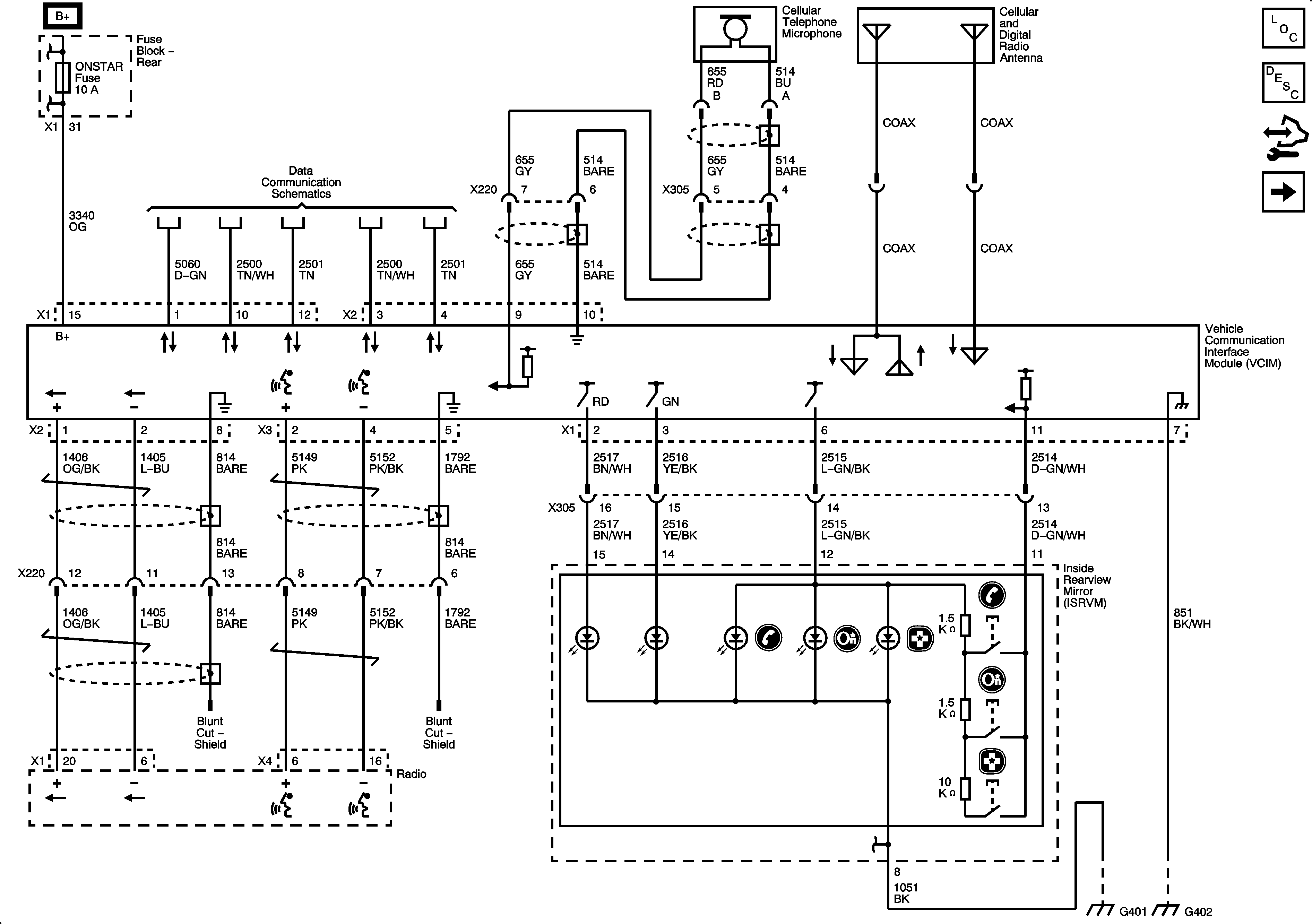
Figure
1:
OnStar
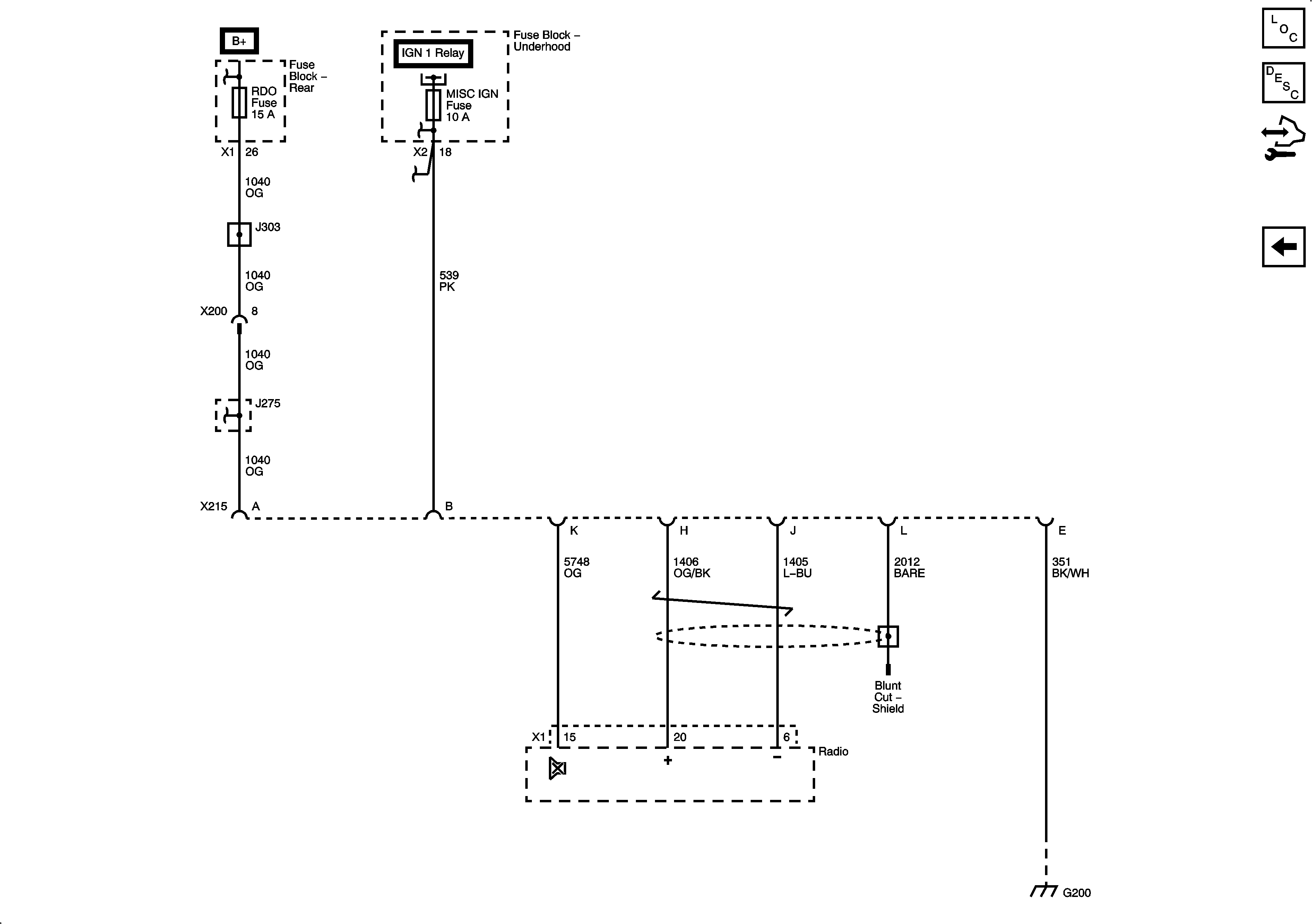
Figure
2:
Hands Free Phone Accommodation (WXS)