GM Service Manual Online
For 1990-2009 cars only
Makes
🢒
Cadillac
🢒
2009
🢒
CTS
🢒
Power and Signal Distribution
🢒
Data Communications
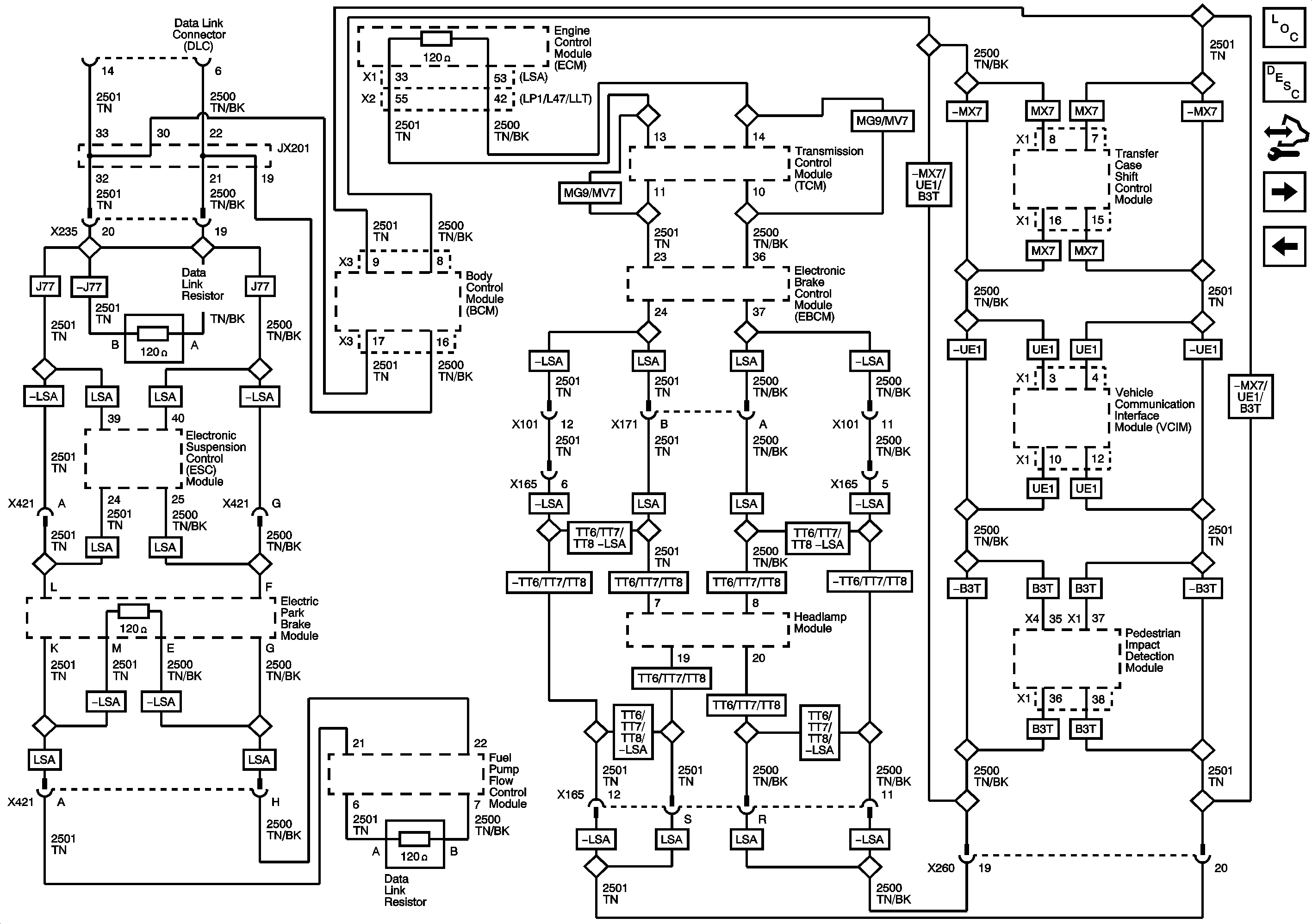
🢒 Data Communication Schematics
Figure
1:
Low Speed GMLAN
Figure
2:
High Speed GMLAN
Figure
3:
Communications Enable