GM Service Manual Online
For 1990-2009 cars only
Makes
🢒
Cadillac
🢒
2009
🢒
CTS
🢒
Power and Signal Distribution
🢒
Data Communications
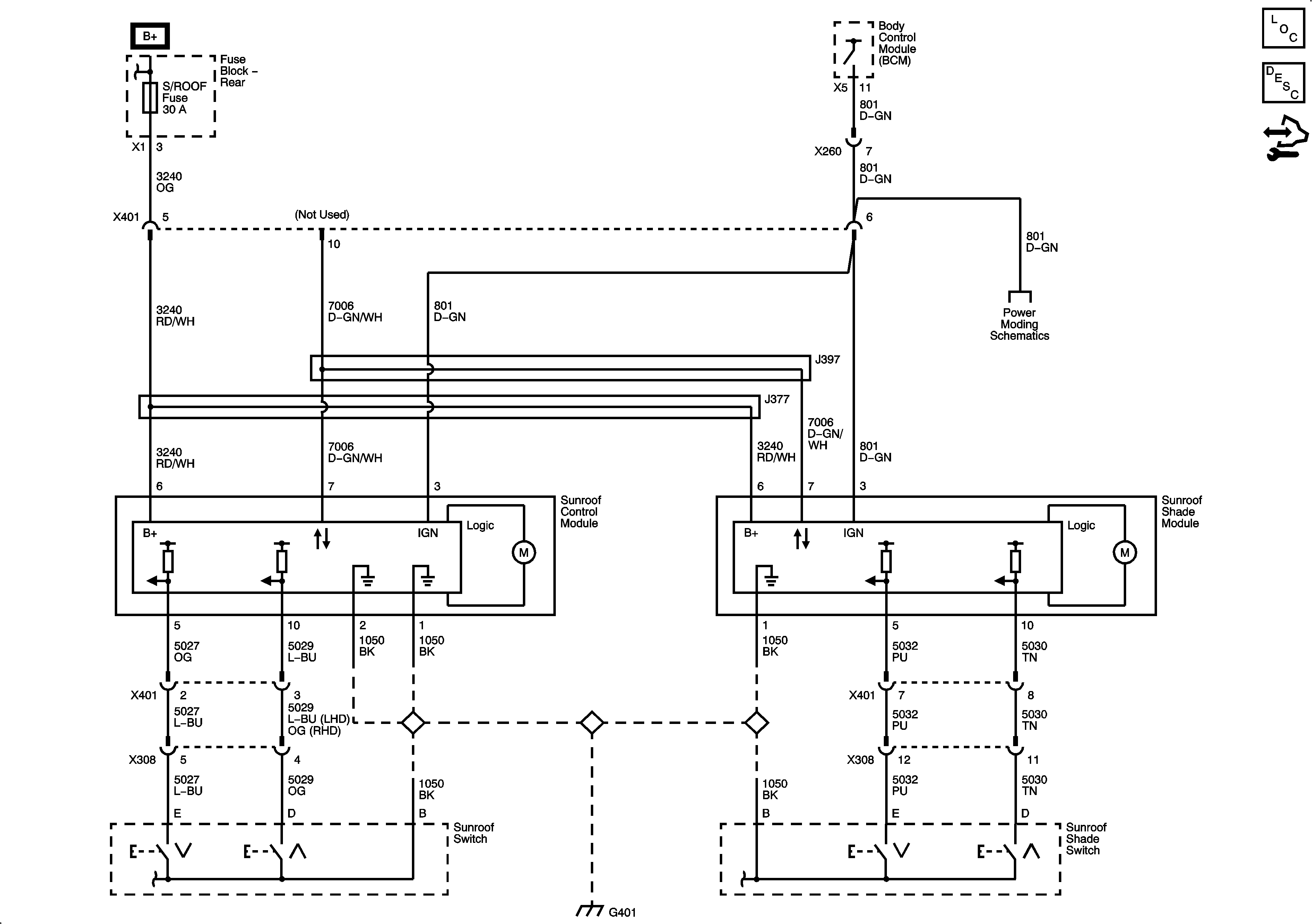
🢒 Sunroof Schematics
Sunroof