GM Service Manual Online
For 1990-2009 cars only
Makes
🢒
Cadillac
🢒
2009
🢒
CTS
🢒
Seats
🢒
Power Seats
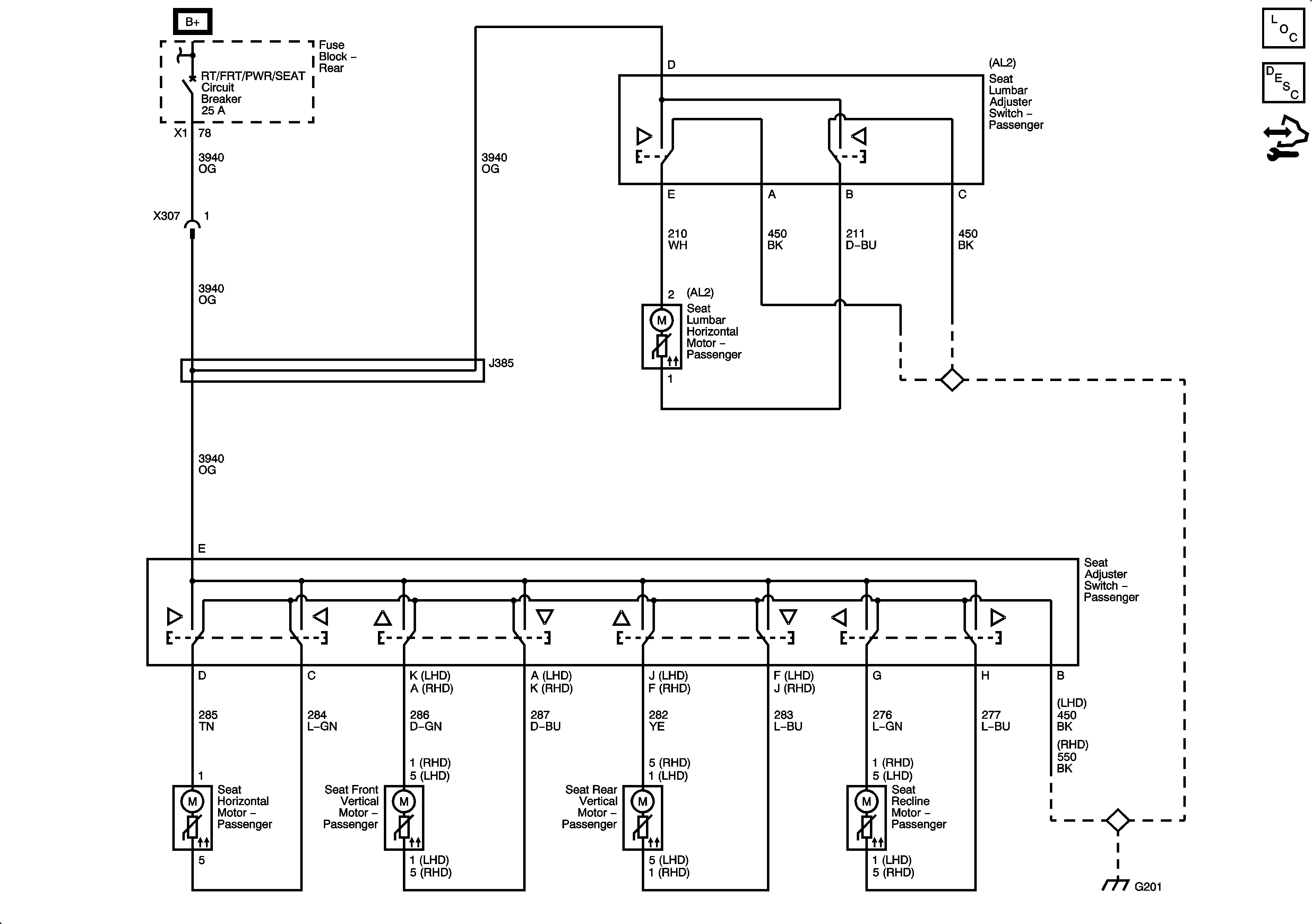
🢒 Passenger Seat Schematics
LHD +AH8/AL2