GM Service Manual Online
For 1990-2009 cars only

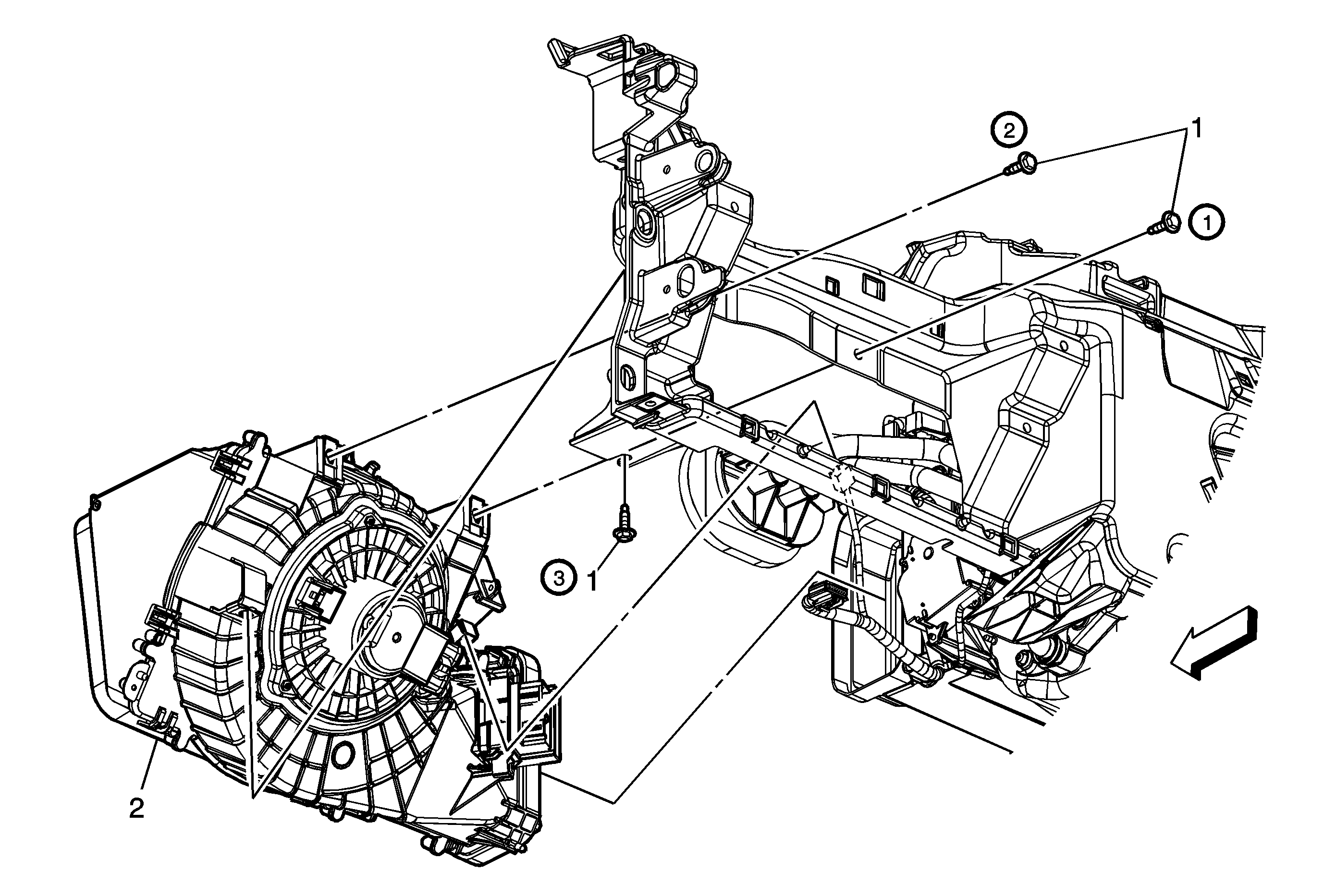
Air Inlet Assembly Replacement Right Hand Drive


Object Number: 2098252  Size: MF

Callout

Component Name

Preliminary Procedure

  1. Remove the I/P lower trim panel. Refer to Instrument Panel Lower Trim Panel Replacement.
  2. Remove the blower motor. Refer to Blower Motor Replacement.
  3. Remove the blower motor control module. Refer to Blower Motor Control Module Replacement.
  4. Disconnect any electrical connectors from the I/P or air inlet assembly.

1

Air Inlet Assembly Screw (Qty: 3)

Caution: Refer to Fastener Caution in the Preface section.

Tighten
9 N·m (80 lb in)

2

Air Inlet Assembly.

Procedure

  1. Disconnect any wiring harness from the instrument panel carrier assembly and position out of the way.
  2. Note the routing of wiring harness for proper installation.
  3. Mandatory tightening sequence required of air inlet assembly screws per illustration.

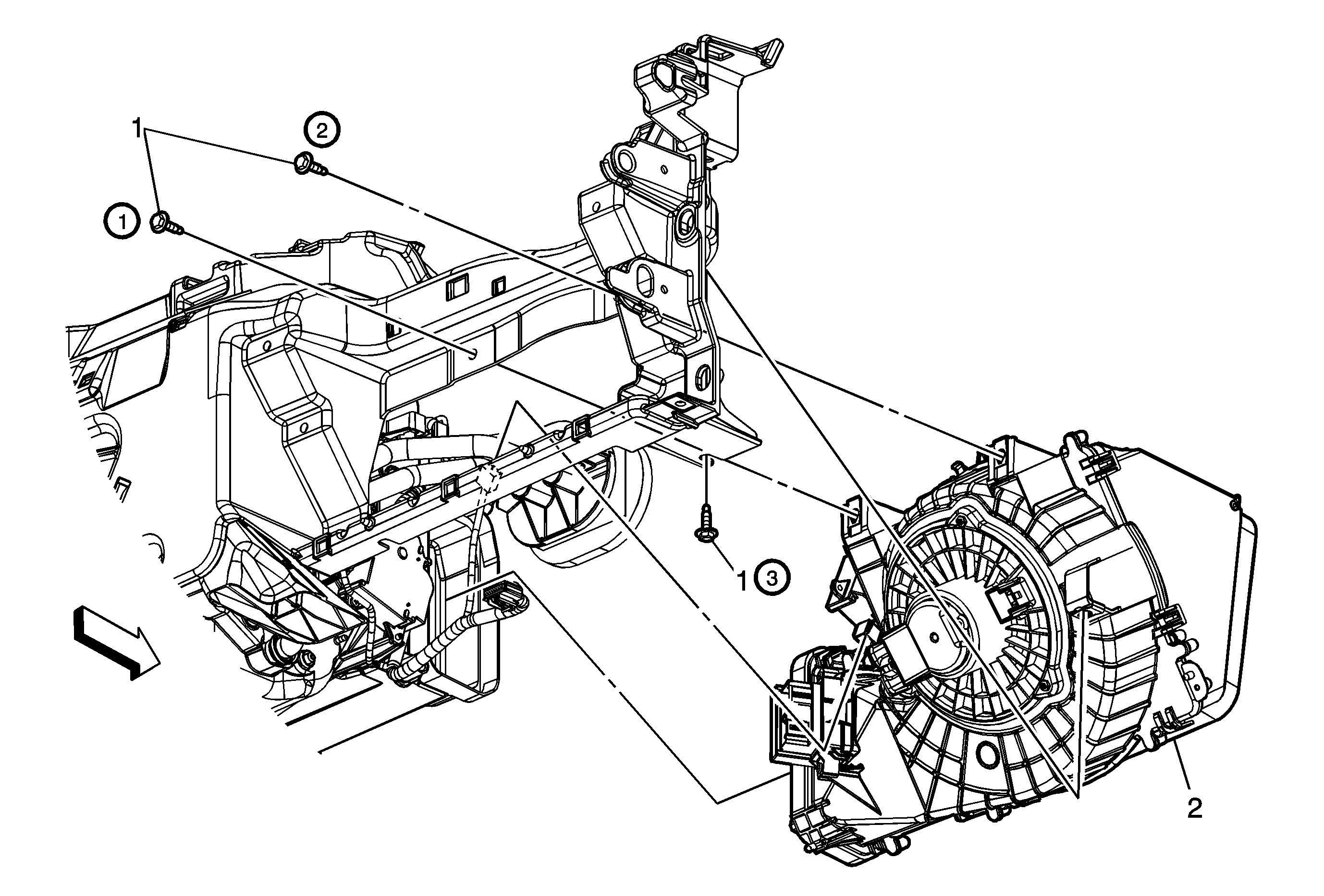
Air Inlet Assembly Replacement Left Hand Drive


Object Number: 1997085  Size: MF

Callout

Component Name

Preliminary Procedure

  1. Remove the I/P lower trim panel. Refer to Instrument Panel Lower Trim Panel Replacement.
  2. Remove the blower motor. Refer to Blower Motor Replacement.
  3. Remove the blower motor control module. Refer to Blower Motor Control Module Replacement.
  4. Disconnect any electrical connectors from the I/P or air inlet assembly.

1

Air Inlet Assembly Screw (Qty: 3).

Caution: Refer to Fastener Caution in the Preface section.

Tighten
Tighten the bolt to 9 N·m (80 lb in)

2

Air Inlet Assembly.

Procedure

  1. Disconnect any wiring harness from the instrument panel carrier assembly and position out of the way.
  2. Note the routing of wiring harness for proper installation.
  3. Mandatory tightening sequence required of air inlet assembly screws per illustration.