GM Service Manual Online
For 1990-2009 cars only

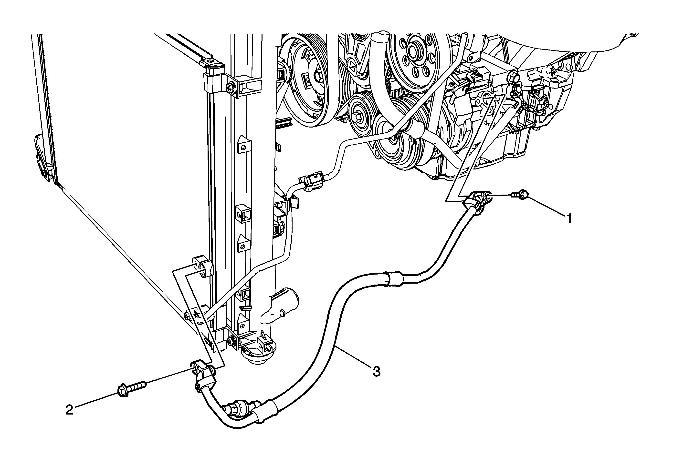
Discharge Hose Replacement LY7, LLT


Object Number: 2097663  Size: MF

Callout

Component Name

Preliminary Procedures

  1. Recover the refrigerant. Refer to Refrigerant Recovery and Recharging
  2. Remove the air deflector. Refer to Front Air Deflector Replacement
  3. Remove the air conditioning A/C pressure sensor. Refer to Air Conditioning (A/C) Refrigerant Pressure Sensor Replacement

1

Compressor Discharge Hose Bolt

Caution: Refer to Fastener Caution in the Preface section.

Tighten
9.8 N·m (87 lb in)

2

Condenser Discharge Hose Bolt

Tighten
5.4 N·m (48 lb in)

3

Discharge Hose

Procedure

Remove and discard sealing washer. Refer to O-Ring Replacement

Discharge Hose Replacement LSA

Removal Procedure

  1. Recover the refrigerant. Refer to Refrigerant Recovery and Recharging.
  2. Raise and support the vehicle. Refer to Lifting and Jacking the Vehicle
  3. Remove the front air deflector. Refer to Front Air Deflector Replacement
  4. Remove the front compartment lower noise shield. Refer to Front Compartment Lower Noise Shield Replacement

  5. Object Number: 2177641  Size: SH
  6. Remove the discharge hose bolt (1) at the compressor.
  7. Remove the discharge hose (2) from the compressor.

  8. Object Number: 2177640  Size: SH
  9. Remove the discharge hose bracket bolt (1) from the engine.

  10. Object Number: 2177639  Size: SH
  11. Remove the discharge hose bolt (1) from the condenser.
  12. Remove the discharge hose (2) from the vehicle.

Installation Procedure


    Object Number: 2177639  Size: SH
  1. Install the suction hose (2) to the condenser.
  2. Caution: Refer to Fastener Caution in the Preface section.

  3. Install the discharge hose bolt (1) to the condenser and tighten to 10 N·m (89 lb in).

  4. Object Number: 2177640  Size: SH
  5. Install thedischarge hose bracket bolt (1) to the engine and tighten to 10 N·m (89 lb in).

  6. Object Number: 2177641  Size: SH
  7. Install the discharge hose (2) to the compressor.
  8. Install the discharge hose bolt (1) to the compressor and tighten to 9 N·m (80 lb in).
  9. Install the front compartment lower noise shield. Refer to Front Compartment Lower Noise Shield Replacement
  10. Install the front air deflector. Refer to Front Air Deflector Replacement
  11. Lower the vehicle. Refer to Lifting and Jacking the Vehicle
  12. Evacuate and recharge the system. Refer to Refrigerant Recovery and Recharging.