GM Service Manual Online
For 1990-2009 cars only
Makes
🢒
Cadillac
🢒
2009
🢒
CTS
🢒
Safety and Security
🢒
Remote Functions
🢒 Remote Function Schematics
Figure
1:
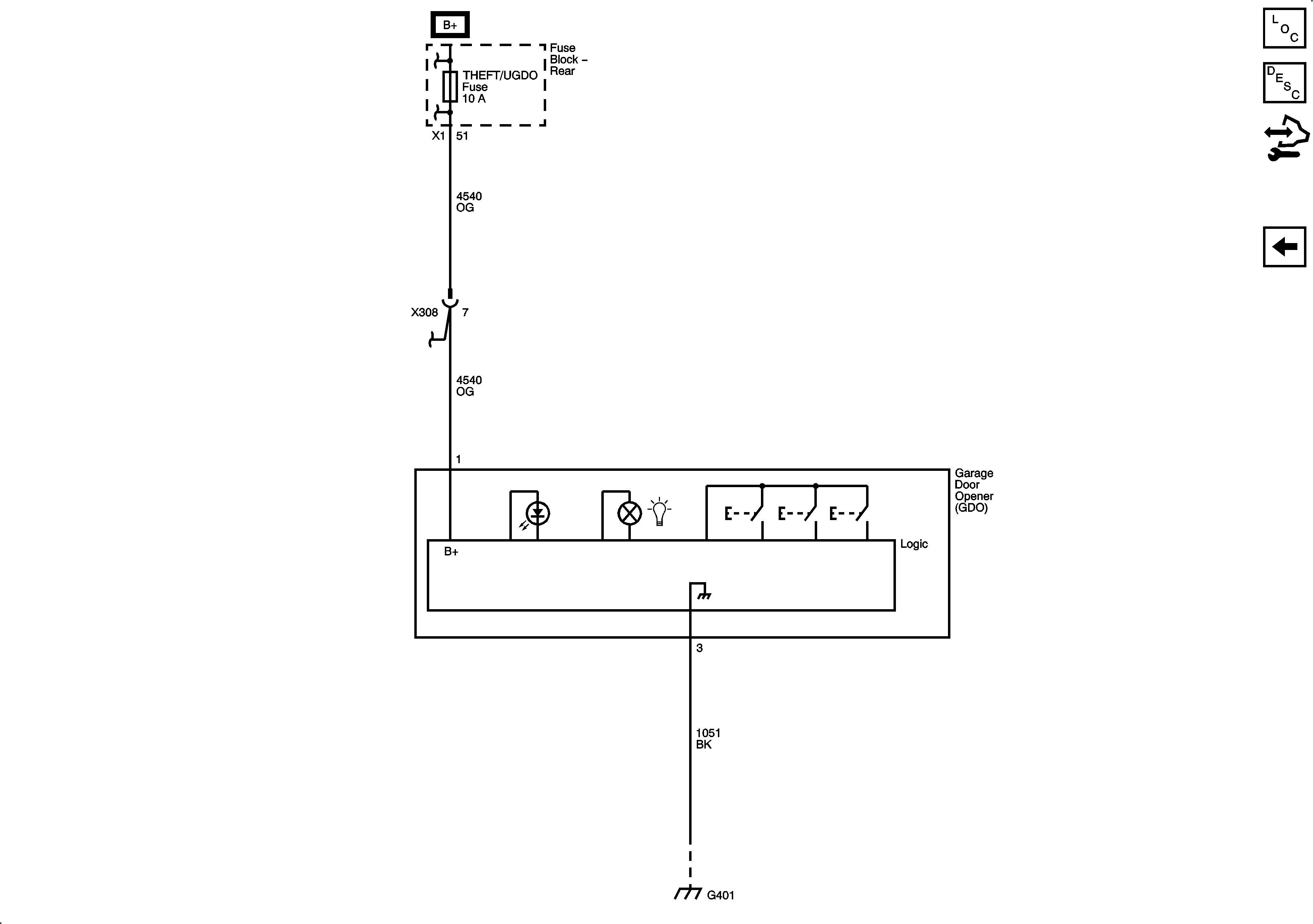
Garage Door Opener - UG1
Figure
2:
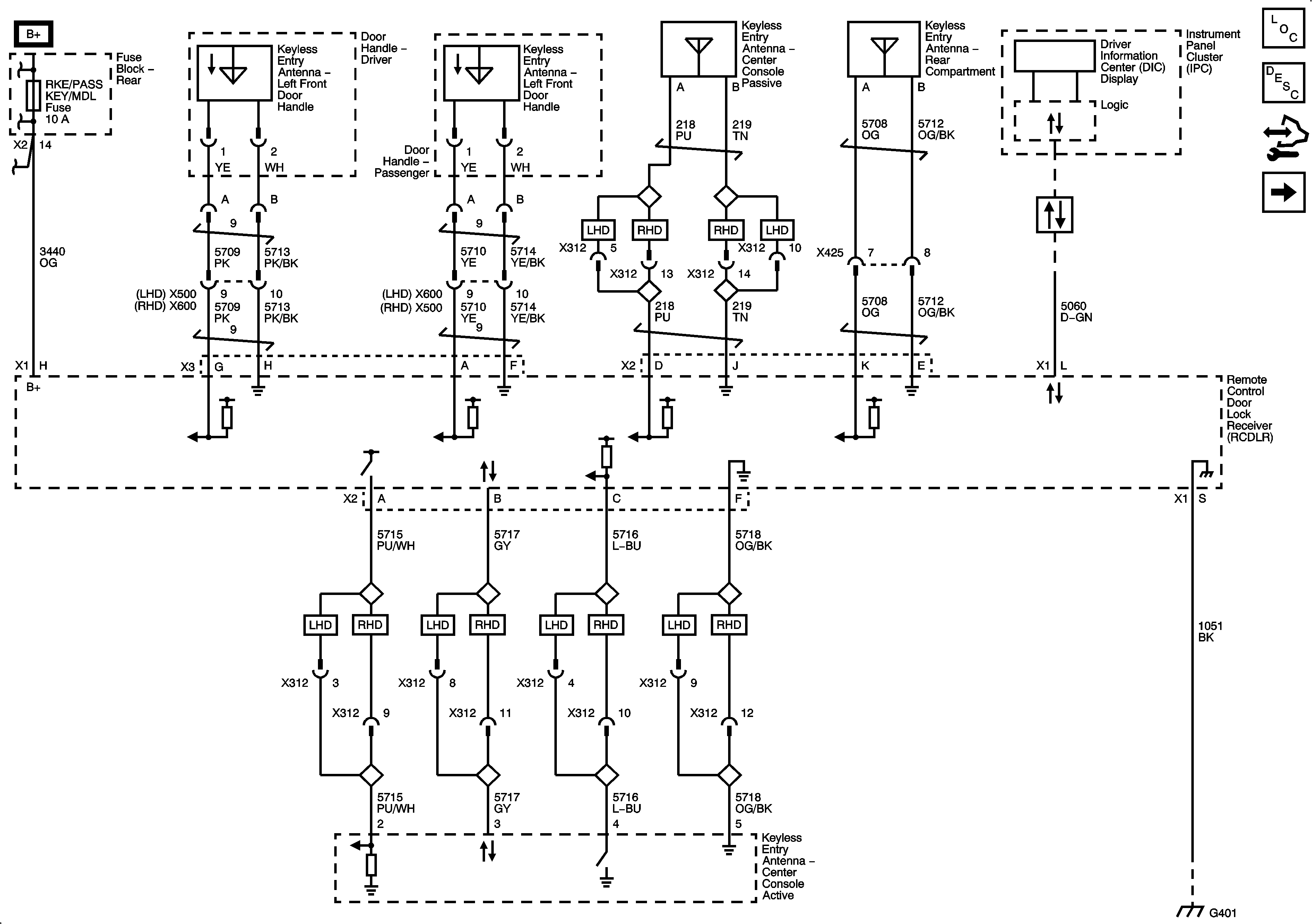
Power, Grounds, Antennas, Indicator and Release Switch