GM Service Manual Online
For 1990-2009 cars only
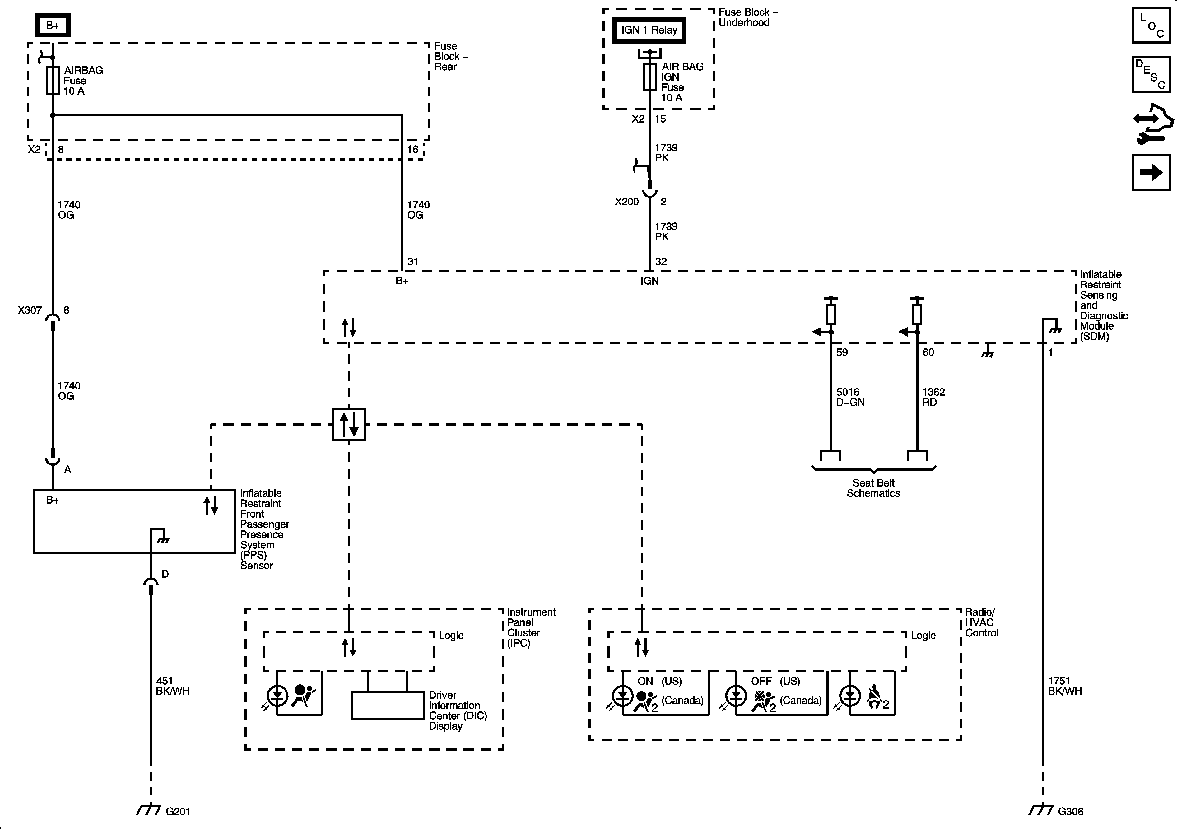
Figure 1:

Power, Ground, Indicators and Passenger Presence Sensor


Object Number: 2077297  Size: FS
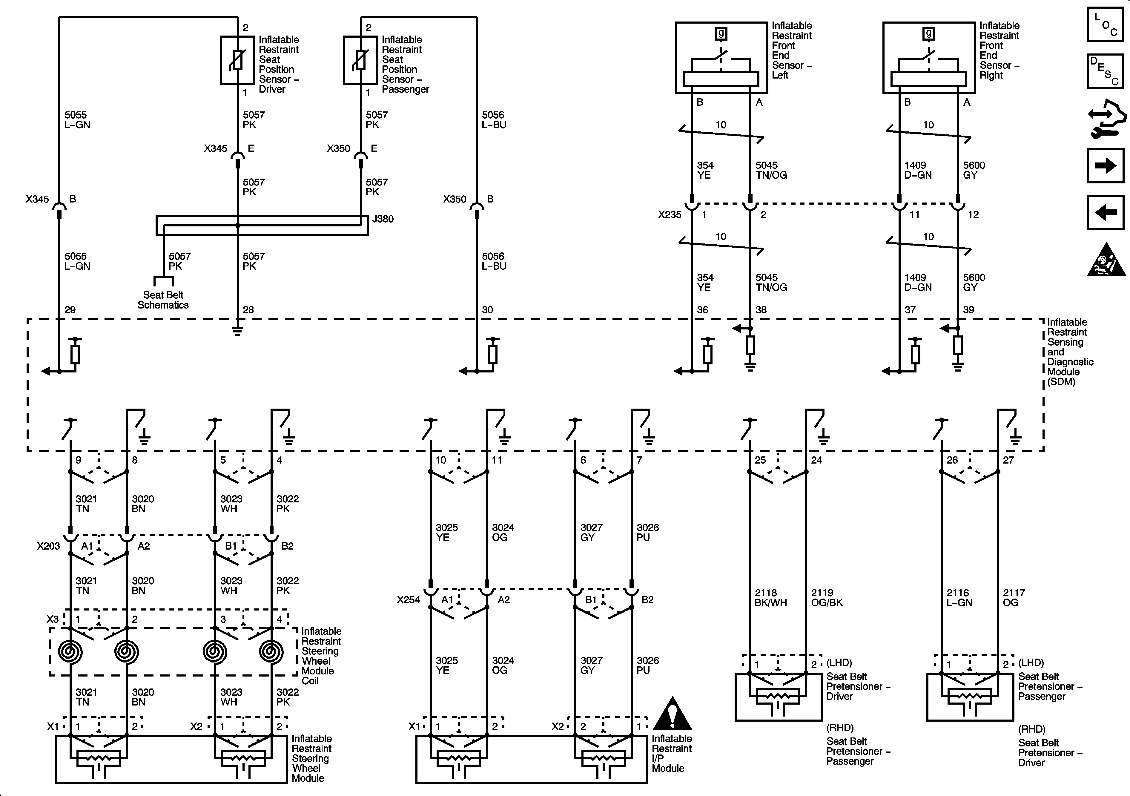
Figure 2:

Front Air Bags Front End Sensors, Seat Belt Pretensioners and Seat Position Sensor


Object Number: 2077298  Size: FS
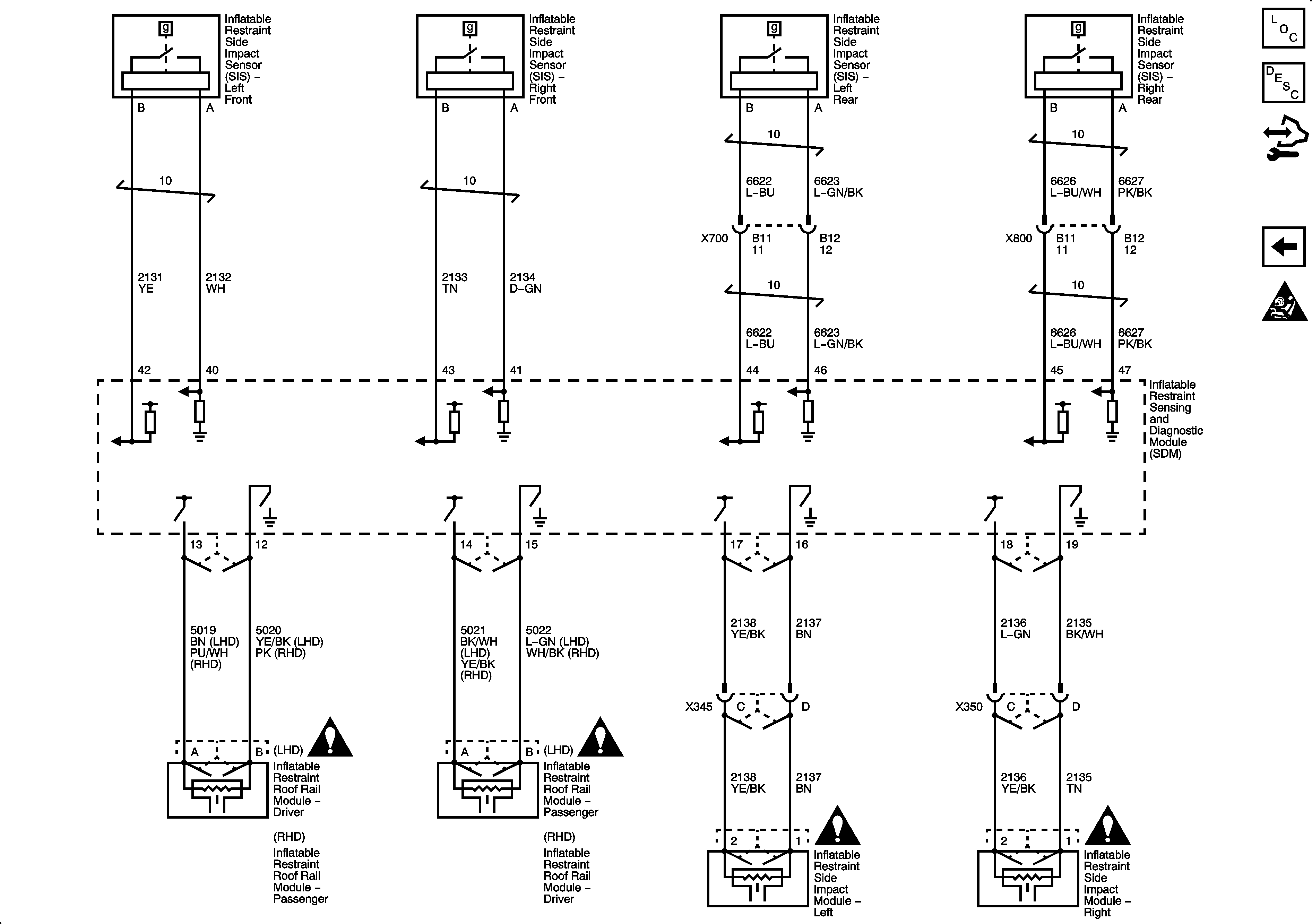
Figure 3:

Roof Rail Modules, Side Impact Air Bags and Side Impact Sensors


Object Number: 2081571  Size: FS