GM Service Manual Online
For 1990-2009 cars only

Fuse Block Schematics Schematics

Figure 1:

Cell 11 Front Door Window Switches and Stop Lamp Switch


Object Number: 260402  Size: FS
Power and Grounding Components
Cell 11 TCM and Radio Speaker Amplifier
Figure 2:

Cell 11 TCM and Radio Speaker Amplifier


Object Number: 260405  Size: FS
Power and Grounding Components
Cell 11 CD Changer, Wiper Relay and Wiper Motor
Cell 11 Front Door Window Switches and Stop Lamp Switch
Figure 3:

Cell 11 CD Changer, Wiper Relay and Wiper Motor


Object Number: 260406  Size: FS
Power and Grounding Components
Cell 11 BCM, Coolant Fan Test Connector, and A/C Load Switch
Cell 11 TCM and Radio Speaker Amplifier
Figure 4:

Cell 11 BCM, Coolant Fan Test Connector, and A/C Load Switch


Object Number: 260407  Size: FS
Power and Grounding Components
Cell 11 Heater and A/C Control, Gauge and Instrument Cluster
Cell 11 CD Changer, Wiper Relay and Wiper Motor
Figure 5:

Cell 11 Heater and A/C Control, Gauge and Instrument Cluster


Object Number: 260408  Size: FS
Power and Grounding Components
Cell 11 Cigar Lighters, WSW Nozzles, and Cellular Telephone
Cell 11 BCM, Coolant Fan Test Connector, and A/C Load Switch
Figure 6:

Cell 11 Cigar Lighters, WSW Nozzles, and Cellular Telephone


Object Number: 260409  Size: FS
Power and Grounding Components
Cell 11 Headlamp Switch, Cruise Control Module and Cruise Control Switch
Cell 11 Heater and A/C Control, Gauge and Instrument Cluster
Figure 7:

Cell 11 Headlamp Switch, Cruise Control Module and Cruise Control Switch


Object Number: 260410  Size: FS
Power and Grounding Components
Cell 11 Sun Roof Actuator, BCM, and Inside Rear View Mirror
Cell 11 Cigar Lighters, WSW Nozzles, and Cellular Telephone
Figure 8:

Cell 11 Sun Roof Actuator, BCM, and Inside Rear View Mirror


Object Number: 260411  Size: FS
Power and Grounding Components
Cell 11 Horns, Fuel Pump, EBTCM and DRL Relay K133
Cell 11 Headlamp Switch, Cruise Control Module and Cruise Control Switch
Figure 9:

Cell 11 Horns, Fuel Pump, EBTCM and DRL Relay K133


Object Number: 260412  Size: FS
Power and Grounding Components
Cell 11 Lifting Magnet, LH Exterior Lamps, and BCM
Cell 11 Sun Roof Actuator, BCM, and Inside Rear View Mirror
Figure 10:

Cell 11 Lifting Magnet, LH Exterior Lamps, and BCM


Object Number: 260413  Size: FS
Power and Grounding Components
Cell 11 Headlamp Switch, RH Exterior Lamps, Radio, and Heater and A/C CoNtrol
Cell 11 Horns, Fuel Pump, EBTCM and DRL Relay K133
Figure 11:

Cell 11 Headlamp Switch, RH Exterior Lamps, Radio, and Heater and A/C Control


Object Number: 260415  Size: FS
Power and Grounding Components
Cell 11 ALC Sensor, Door Lock Relay K135, and Multifunction Relay K134
Cell 11 Lifting Magnet, LH Exterior Lamps, and BCM
Figure 12:

Cell 11 ALC Sensor, Door Lock Relay K135, and Multifunction Relay K134


Object Number: 260416  Size: FS
Power and Grounding Components
Cell 11 Turn Signal Switch, A/C Compressor Relay K60 and Blower Controller
Cell 11 Headlamp Switch, RH Exterior Lamps, Radio, and Heater and A/C CoNtrol
Figure 13:

Cell 11 Turn Signal Switch, A/C Compressor Relay K60 and Blower Controller


Object Number: 260418  Size: FS
Power and Grounding Components
Cell 11 ECM Housing, Electric Cooling Fan, and Engine Coolant Fan Resistor
Cell 11 ALC Sensor, Door Lock Relay K135, and Multifunction Relay K134
Figure 14:

Cell 11 ECM Housing, Electric Cooling Fan, and Engine Coolant Fan Resistor


Object Number: 260420  Size: FS
Power and Grounding Components
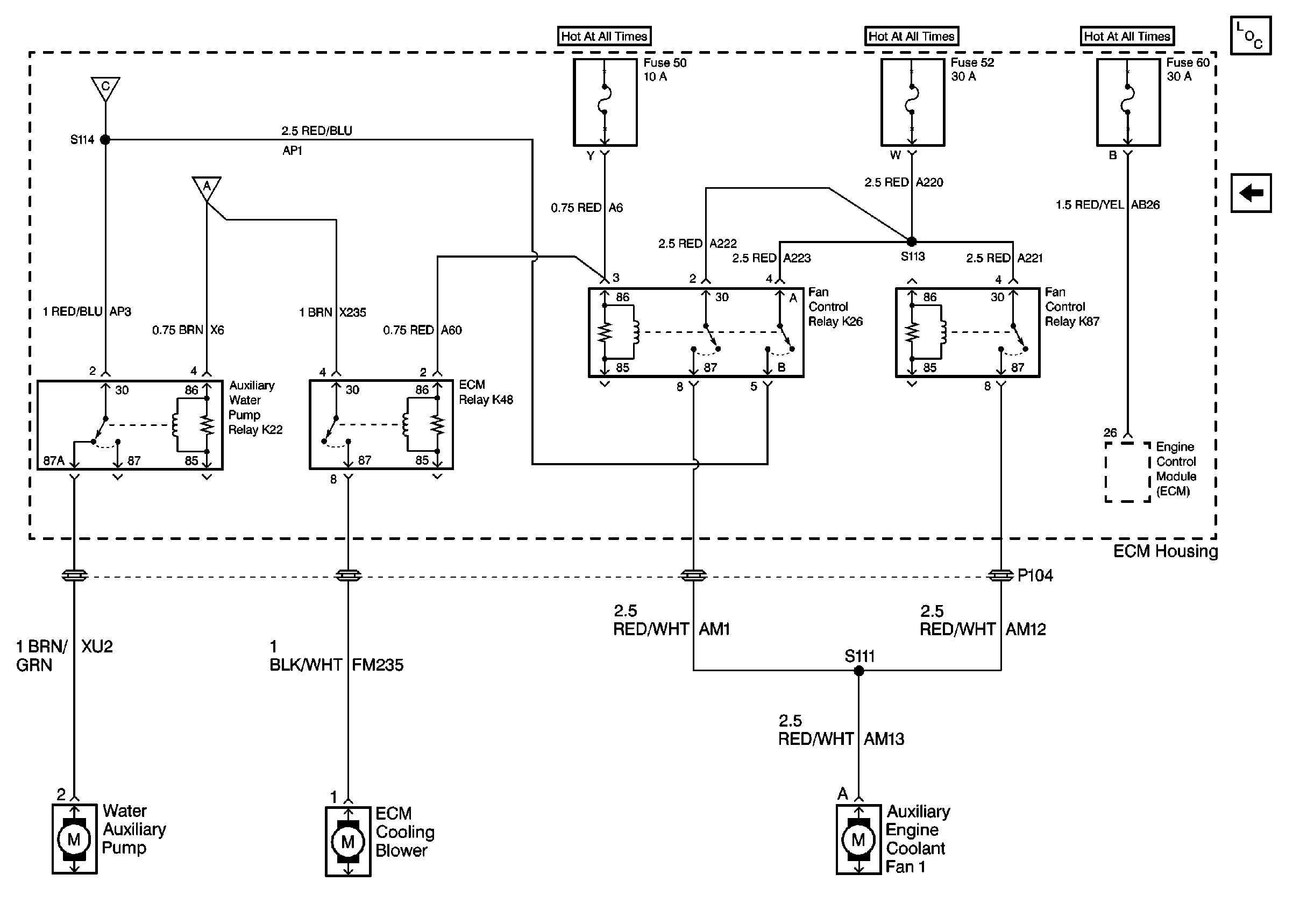
Cell 11 ECM Housing, Water Auxiliary Pump, and ECM Cooling Blower
Cell 11 Turn Signal Switch, A/C Compressor Relay K60 and Blower Controller
Figure 15:

Cell 11 ECM Housing, Water Auxiliary Pump, and ECM Cooling Blower


Object Number: 260422  Size: FS
Power and Grounding Components
Cell 11 ECM Housing, Electric Cooling Fan, and Engine Coolant Fan Resistor

Fuse Block Schematics Fuse Block (Front and Rear)

Front and Rear View of Fuse Block


Object Number: 237330  Size: LF
(1)Fuse Input
(2)Fuse Output
(3)Fuse Input
(4)Fuse Output

Fuse Block Schematics ECM Housing


Object Number: 237345  Size: LF
(1)Engine Control Module
(2)Fuse #43
(3)ECM Wiring Harness
(4)Fuse #60
(5)Coolant Fan Test Connector
(6)ECM Relay K48
(7)Fuse #50
(8)Fuel Pump Relay K44
(9)Engine Controls Power Relay K43
(10)Fuse #49
(11)Fuse #42
(12)Fan Control Relay K28
(13)Fan Control Relay K26
(14)Fan Control Relay K52
(15)Fan Control Relay K87
(16)Inline Connector C110
(17)A/C Compressor Relay K60
(18)Windshield Wiper Motor Relay K8
(19)Auxiliary Water Pump Relay K22
(20)Fan Control Relay K60
(21)Secondary Air Injection Pump Relay K12
(22)A/C Control Wiring Harness
(23)Fuse #40
(24)Fuse #52

Fuse Block Schematics Front View of Relay Box

Front View of Relay Box


Object Number: 237348  Size: LF
(1)I Daytime Running Lamp Relay K133
(2)II Rear Suspension Leveling Air Compressor Relay K19
(3)VII Park Lamp Relay K130
(4)VIII Low Beam Relay K131
(5)IX Not Used
(6)X Not Used
(7)XI LH High Beam Headlamp Relay K73
(8)VI Horn Relay K63
(9)V RH High Beam Headlamp Relay K132
(10)IV Turn Signal Lamp Flasher K10
(11)III Heated Outside Rear View Mirror and Rear Window Defogger Relay K35