GM Service Manual Online
For 1990-2009 cars only
Figure 1:

Cell 51: BCM Power, Ground and DLC


Object Number: 217592  Size: FS
Body Control System Component Views
Body Control System Operation
Cell 51: Exterior Lamp Power and All Door Jamb Switch
Power Distribution Schematics
Fuse Block Schematics Schematics
Data Link Connector Schematics
Ground Distribution Schematics
Figure 2:

Cell 51: Exterior Lamp Power and All Door Jamb Switch


Object Number: 220217  Size: FS
Body Control Module Components
Body Control System Operation
Cell 51: Fast Wiper Input, Interior and Stop Lamps Switch Input
Interior Lights Dimming Schematics
Power Distribution Schematics
Headlights/Daytime Running Lights (DRL) Schematics
Power Distribution Schematics
Figure 3:

Cell 51: DRL and High Beam Relays


Object Number: 220231  Size: FS
Body Control Module Components
Body Control System Operation
Cell 51: Exterior Lamp Power and All Door Jamb Switch
Release Systems Schematics
Release Systems Schematics
Horn Schematics
Fuse Block Schematics Schematics
Headlights/Daytime Running Lights (DRL) Schematics
Figure 4:

Cell 51: Multifunction Relay


Object Number: 220223  Size: FS
Body Control Module Components
Body Control System Operation
Cell 51: Headlamp Switch and Wiper Inputs
Cell 51: DRL and High Beam Relays
Power Distribution Schematics
Radio/Audio System Schematics
Interior Lights Dimming Schematics
Ground Distribution Schematics
Figure 5:

Cell 51: Headlamp Switch and Wiper Inputs


Object Number: 217593  Size: FS
Body Control Module Components
Body Control System Operation
Cell 51: Fast Wiper Input, Interior and Stop Lamps Switch Input
Cell 51: Multifunction Relay
Wiper/Washer System (Pulse) Schematics
Headlights/Daytime Running Lights (DRL) Schematics
Interior Lights Dimming Schematics
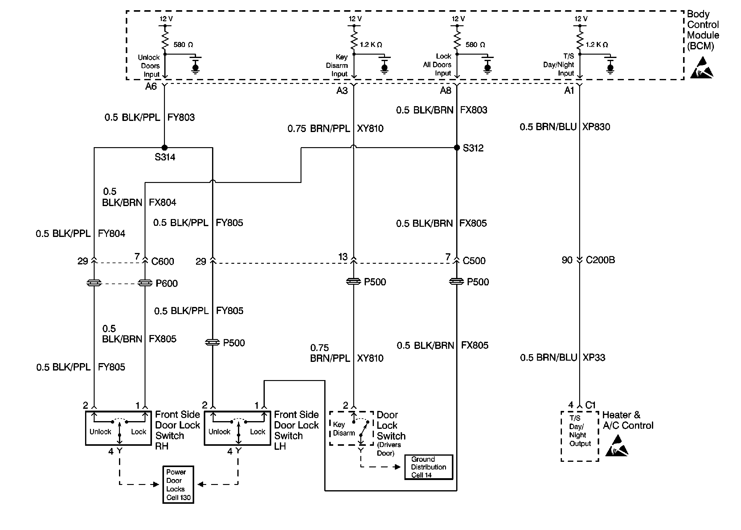
Figure 6:

Cell 51: Door Lock Switches and Solar/Twilight Sensor Inputs


Object Number: 260857  Size: FS
Body Control Module Components
Body Control System Operation
Cell 51: Fast Wiper Input, Interior and Stop Lamps Switch Input
Cell 51: Headlamp Switch and Wiper Inputs
Door Lock/Indicator Schematics Power Door Lock Schematics
Ground Distribution Schematics
Figure 7:

Cell 51: Fast Wiper Input, Interior and Stop Lamps Switch Input


Object Number: 220210  Size: FS
Figure 8:

Cell 51: Low Power Drive Output and Door Lock Relay


Object Number: 220221  Size: FS
Body Control Module Components
Body Control System Operation
Cell 51: Headlamps ON, Brk. to Shift and Security Ind. Controls
Cell 51: Fast Wiper Input, Interior and Stop Lamps Switch Input
Power Distribution Schematics
Radio/Audio System Schematics
Figure 9:

Cell 51: Headlamps ON, Brk. to Shift and Security Ind. Controls


Object Number: 220227  Size: FS
Body Control Module Components
Body Control System Operation
Cell 51: Fast Wiper Input, Interior and Stop Lamps Switch Input
Cell 51: Low Beam and Park Lamp Relays