GM Service Manual Online
For 1990-2009 cars only
Makes
🢒
Cadillac
🢒
1997
🢒
Catera
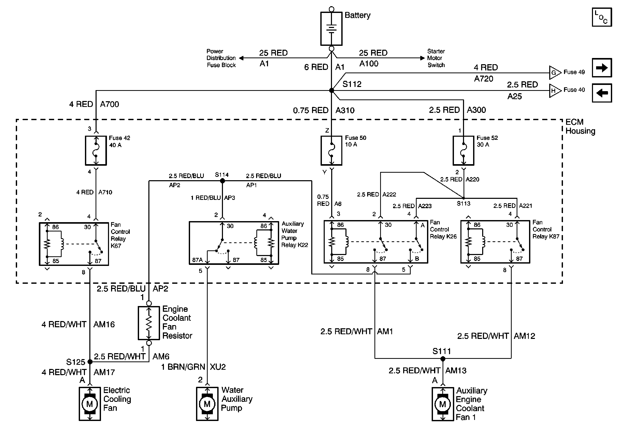
🢒 Cell 10 ECM Housing, Electric Cooling Fan, Auxiliary Engine Coolant Fan 1
Cell 10 ECM Housing, Electric Cooling Fan, Auxiliary Engine Coolant Fan 1
Cell 10 ECM Housing, Electric Cooling Fan, Auxiliary Engine Coolant Fan 1
Power and Grounding Components
Cell 10 Ecm Housing, Secondary Air Injection Pump, Auxiliary Engine Coolant Fan 2
Cell 10 Fuse Block, Heated Outside Rear View Mirror and Rear Defogger Relay
Cell 10 Ecm Housing, Secondary Air Injection Pump, Auxiliary Engine Coolant Fan 2
Cell 10 Ecm Housing, Secondary Air Injection Pump, Auxiliary Engine Coolant Fan 2